Sunday, June 12th, 2011 AT 1:03 AM
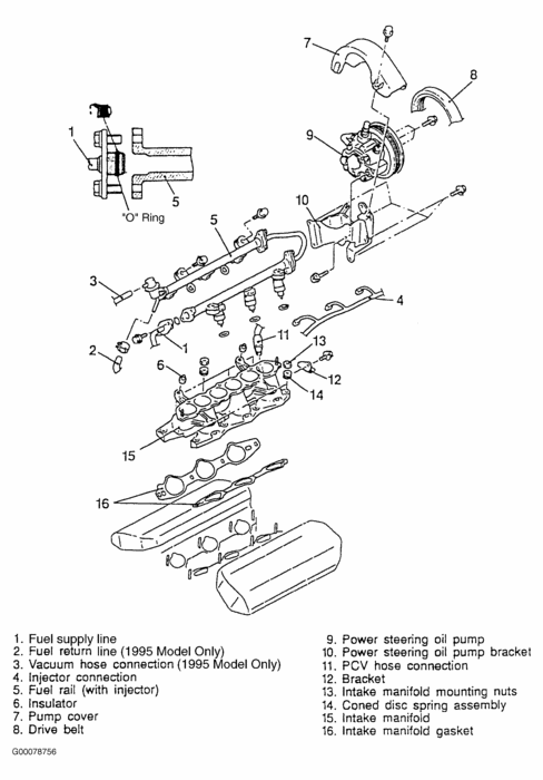
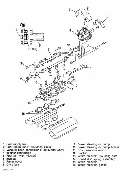
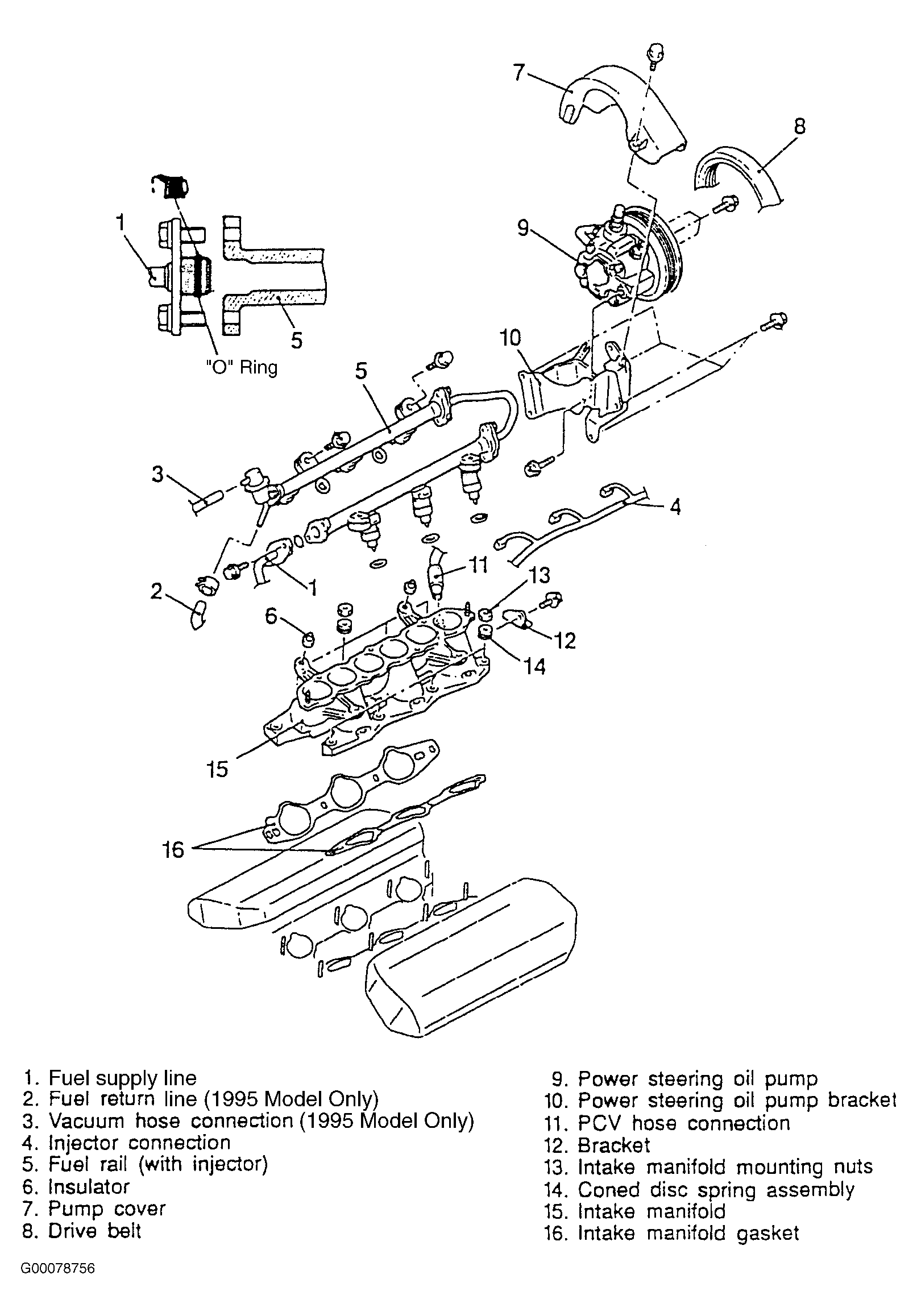
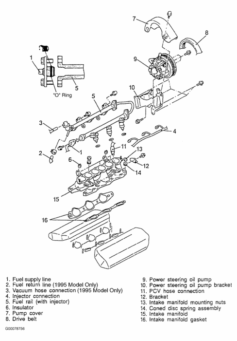
1999 Dodge Avenger V6 2.5. Issue started after I changed the spark plugs and wires. Was getting a check engine light. Was told it was an unspecified spark plug or ignition coil. Changed Ignition coil and about a week later check engine light came on again for the same reason. Both times I had it check by a computer. Then about 2 weeks later I saw white smoke coming from under my hood. I popped the hood and saw white smoke coming from under what looked like the upper manifold around spark plug #5 area. I changed out the spark plugs again with new ones and took the car for a test drive to the store 4 miles away. The car stalled coming back less then a mile from my house. Was able to restart the car and make it home. I need to know what is wrong and how to fix. Is it the manifold gaskets or something like that? Please help! Thanks you!

