The dome/map light, rear wiper, key chime or key illumination are not working?

Tiny
KEN L
  • MASTER CERTIFIED MECHANIC
  • 55,182 POSTS
Sorry for the delay, So does the dome light not go off when the drivers door is shut but it goes off with the other doors?
Was this
answer
helpful?
Yes
No
Friday, September 6th, 2024 AT 5:55 PM
Tiny
PANFN
  • MEMBER
  • 21 POSTS
The dome light (middle there are 3 dome map lights) works normal with all doors except divers door. The dome light switch seems normal, on off auto - except the bulb ghost when in auto mode with all doors closed and divers door open closed makes no difference, no full light open drivers door. I messed with the brand new drivers door. Switch and a very clean connection. I bypassed the driver's door switch by unhooking the wire and grounding to frame and the same no change.
Was this
answer
helpful?
Yes
No
Saturday, September 7th, 2024 AT 8:51 AM
Tiny
KEN L
  • MASTER CERTIFIED MECHANIC
  • 55,182 POSTS
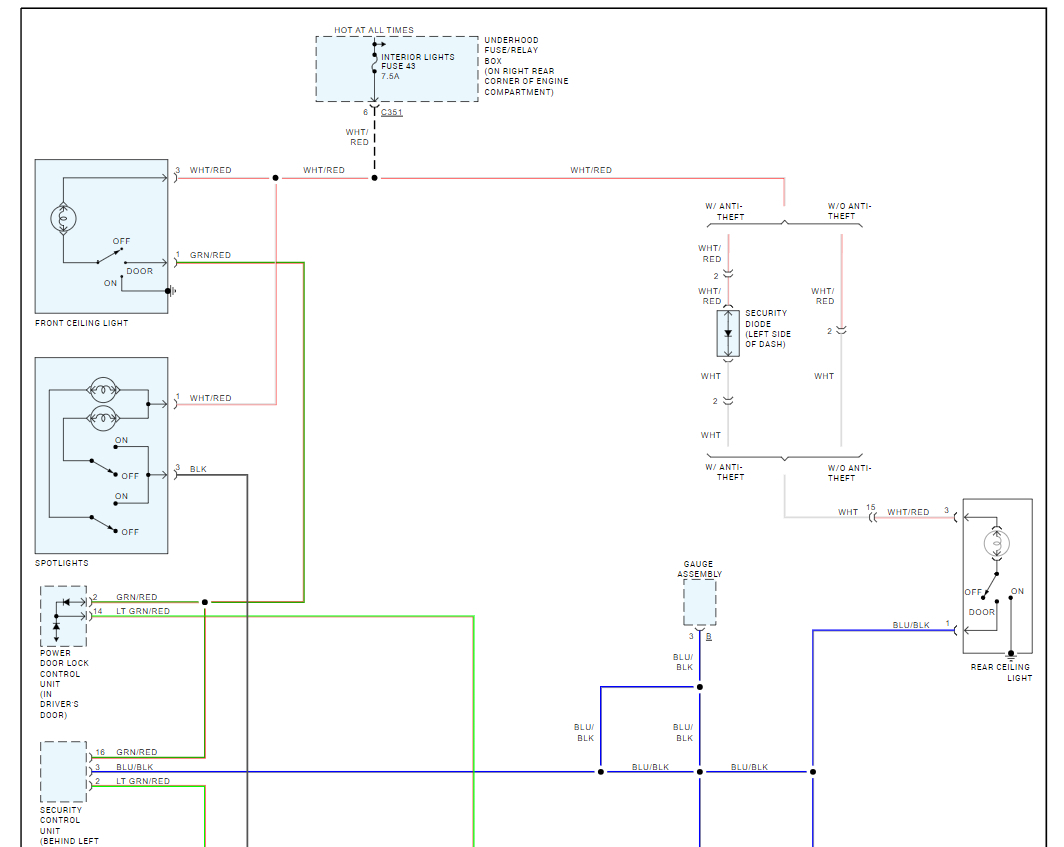
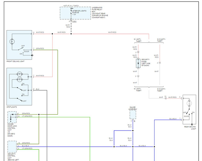
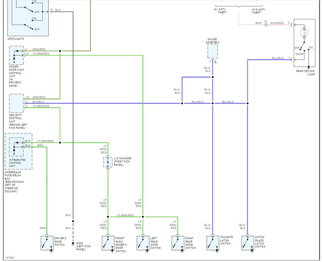
The door light switch (pin switch) on the drivers door, can you please disconnect the wire to see if the light is out and if so ground the wire to see if the light comes back on? Here is the wiring diagrams so you can see how the system works. Check out the images (below). Let us know how it goes.
Was this
answer
helpful?
Yes
No
Saturday, September 7th, 2024 AT 10:41 AM
Tiny
PANFN
  • MEMBER
  • 21 POSTS
As previously stated, the driver's door switch installed or uninstalled/wire grounded or un-grounded has no effect.
Was this
answer
helpful?
Yes
No
Sunday, September 8th, 2024 AT 9:55 AM
Tiny
KEN L
  • MASTER CERTIFIED MECHANIC
  • 55,182 POSTS
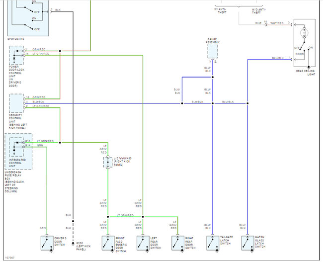
Okay, we are getting warmer, the driver's door is the only door that goes through an integrated control unit. Let's try bypassing it to see if the dome lights start working correctly. Here is the location of the unit and I have marked the wires that need to be jumped. Check out the images (below). Let us know what you find.
Was this
answer
helpful?
Yes
No
Sunday, September 8th, 2024 AT 11:19 AM
Tiny
PANFN
  • MEMBER
  • 21 POSTS
Where is this under dash or behind kick panel and is this it?
Was this
answer
helpful?
Yes
No
Sunday, September 8th, 2024 AT 2:12 PM
Tiny
KEN L
  • MASTER CERTIFIED MECHANIC
  • 55,182 POSTS
It looks like it is under the dash on the driver's side. Please check out the images above.
Was this
answer
helpful?
Yes
No
Monday, September 9th, 2024 AT 7:57 AM
Tiny
PANFN
  • MEMBER
  • 21 POSTS
Yeah, I'm really confused it looks like it's part of the fuse box. Is this jumper supposed to be the fix or does the control unit need replacement?
Was this
answer
helpful?
Yes
No
Monday, September 9th, 2024 AT 8:00 AM
Tiny
KEN L
  • MASTER CERTIFIED MECHANIC
  • 55,182 POSTS
Yes, it is part of the fuse box. If the jumper fixes it I would just leave it as a bypass. Let me know.
Was this
answer
helpful?
Yes
No
Monday, September 9th, 2024 AT 8:17 AM
Tiny
PANFN
  • MEMBER
  • 21 POSTS
I don't know were the two wires are at to jump.
Was this
answer
helpful?
Yes
No
Monday, September 9th, 2024 AT 9:01 AM
Tiny
KEN L
  • MASTER CERTIFIED MECHANIC
  • 55,182 POSTS
They connect to the integrated control unit.
Was this
answer
helpful?
Yes
No
Monday, September 9th, 2024 AT 9:35 AM
Tiny
PANFN
  • MEMBER
  • 21 POSTS
Which is on the back side of the fuse box? Which means removing the fuse box?
Was this
answer
helpful?
Yes
No
Monday, September 9th, 2024 AT 11:27 AM
Tiny
KEN L
  • MASTER CERTIFIED MECHANIC
  • 55,182 POSTS
Chances are you will need gain access to the fuse panel back side. If you take an image and upload it I can tell for sure.
Was this
answer
helpful?
Yes
No
Monday, September 9th, 2024 AT 12:28 PM
Tiny
PANFN
  • MEMBER
  • 21 POSTS
I'll drop it off to you.
Was this
answer
helpful?
Yes
No
Monday, September 9th, 2024 AT 2:02 PM

Please login or register to post a reply.