Thursday, June 5th, 2025 AT 11:11 AM
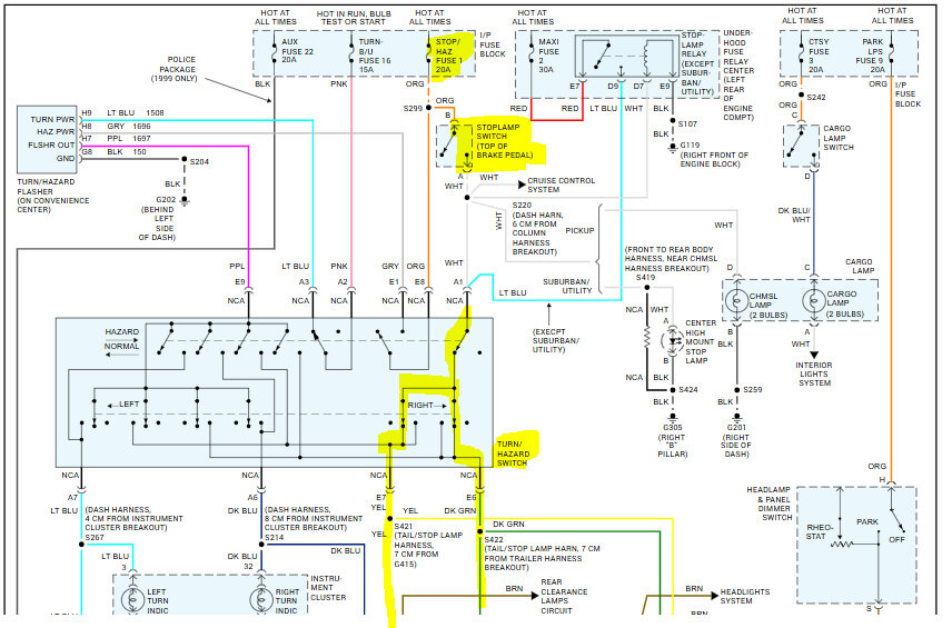
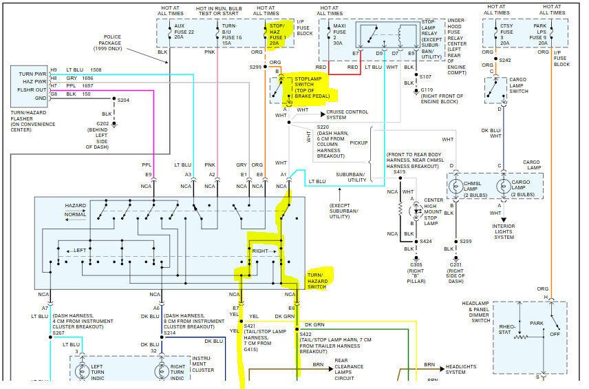
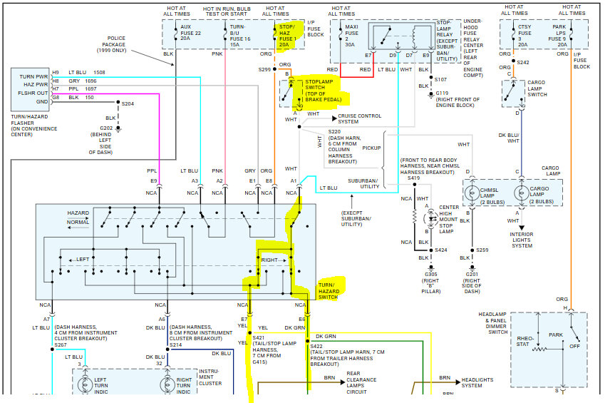
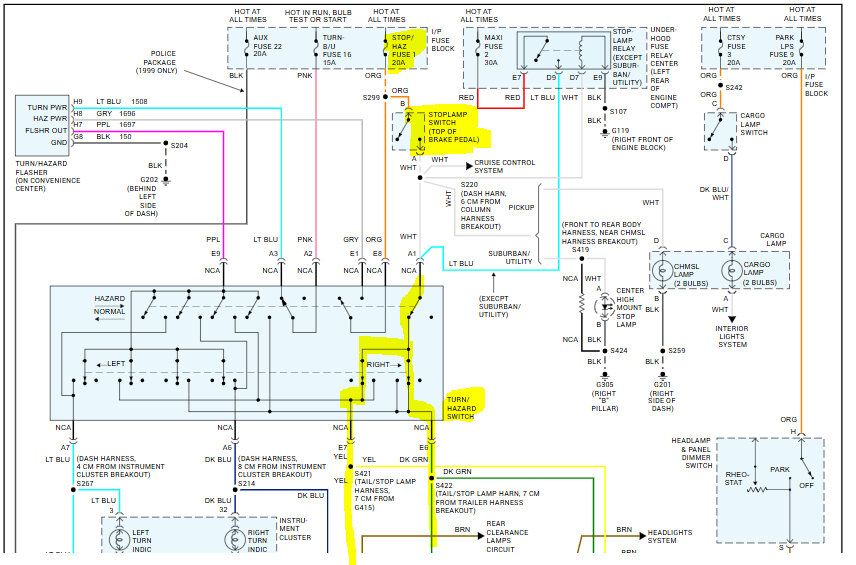
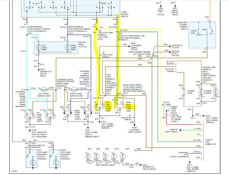
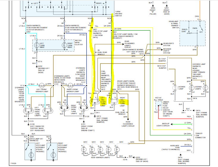
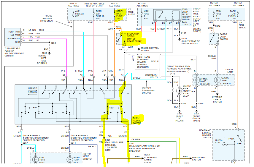
My transmission won't shift into park. I've replaced the brake switch controller out. Taillights work turns on and off, hazards work, I've never messed with the hacked-up trailer light harness, and I believe it's finally give out and caused a sleuth of problems. The white signal wire coming out of the harness next to blue and orange thick wires and the plug connector for the brake light harness. They tapped a trailer light harness into Pin B and Pin D. My confusion is the white signal wire, and it having nowhere to go. It was wrapped around a nut next to the frame rail. When it's connected there, I blow my stop hazard fuse and loose door chime and hazards but continue to have working taillights and blinkers. The transmission is stuck in park because there's no signal getting to the lights and I guess signaling the computer to stay in park.



