Heater control valve

Tiny
KEG333
  • MEMBER
  • 1999 CHEVROLET EXPRESS
  • V8
  • 2WD
  • AUTOMATIC
  • 200,000 MILES
Need to know the proper way to replace heater control valve?
Saturday, March 1st, 2014 AT 6:06 PM

1 Reply

Tiny
KEN L
  • MASTER CERTIFIED MECHANIC
  • 55,281 POSTS
Hello,

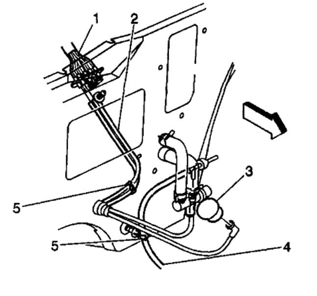
Yes the heater control valve is located down low in the front and the passengers side. You we need to drain the coolant first. Diagrams below will show you how to replace the valve these guides you need to do before you get started.

Here is a guide on that.

https://www.2carpros.com/articles/coolant-flush-and-refill-all-cars

You can do the job using a hose clamp tool.

https://youtu.be/S1q6HVe8Iw0

Here are some diagrams (below) of the how to do the job. Please let us know if you need anything else to get the problem fixed.
Was this
answer
helpful?
Yes
No
+1
Friday, June 16th, 2017 AT 7:47 PM

Please login or register to post a reply.