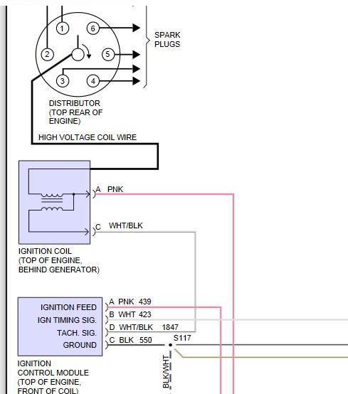
Should there be steady energy to the coil. In the ignition key run position, or does the computer send power to the coil, when it senses movement from the other senses.
computer sends energy to the ignition coil when key is in the on position, intermittently. After long period of time,
Thursday, October 24th, 2013 AT 6:25 AM




