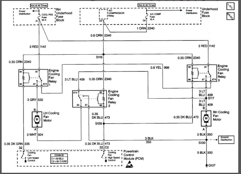
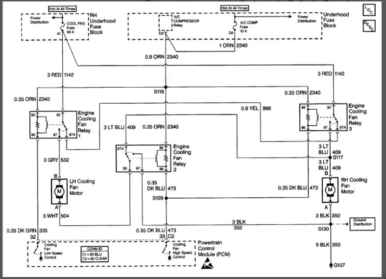
I have located the cooling fan relays in my car below the fan. I am wondering which one would be the main relay for them turning on since mine do not activate. I believe there is one for high speeds and one for low speeds. Which of the three controls the fans going on and off? Is it the middle one the one on the left or the one on the right when looking under the hood. Also, my car leaks antifreeze fast and I do not have a head gasket problem, I do not have a blocked radiator and I do not have a malfunctioning thermostat. There is no leak present anywhere under the car. Would the leak come from the excess flow hose on the reservoir and with failing fans would this force it out?
Is there an easy way to get to these three relays? I was looking and saw I would have to remove the fans, the radiator the main hose from engine to reservoir to even get a hand down in there since they are on the top side of the bottom under part of the bumper. Also, looking at the diagram which one would regulate complete power to the fans in general?
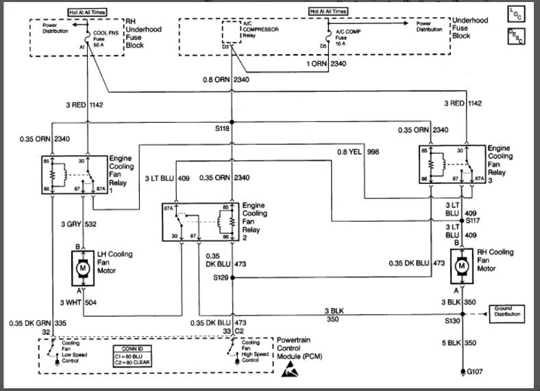
Is there an easy way to get to these three relays? I was looking and saw I would have to remove the fans, the radiator the main hose from engine to reservoir to even get a hand down in there since they are on the top side of the bottom under part of the bumper. Also, looking at the diagram which one would regulate complete power to the fans in general?
Mar 21, 2011 at 2:19 AM




