Horn Location?

Tiny
ANONYMOUS
  • MEMBER
  • 1999 BUICK PARK AVENUE
  • 800,000 MILES
Can you tell me where the horn is? I love this site.
Tuesday, November 6th, 2012 AT 12:41 AM

3 Replies

Tiny
KEN L
  • MASTER CERTIFIED MECHANIC
  • 55,488 POSTS
Hello,

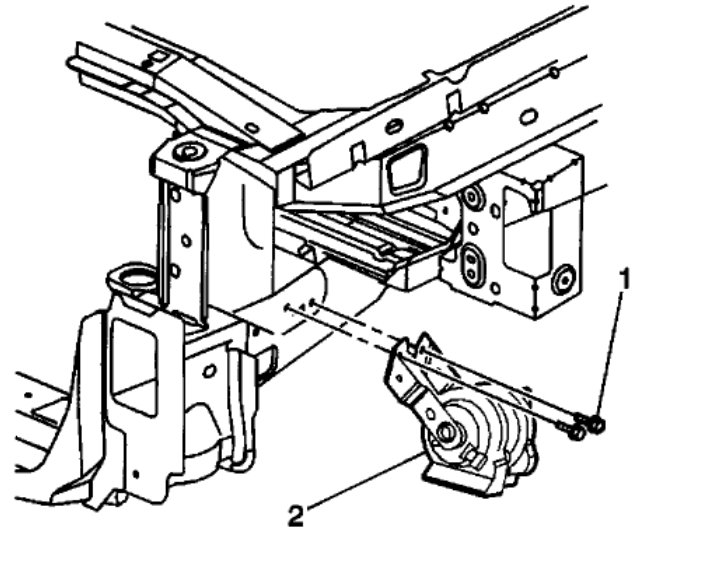
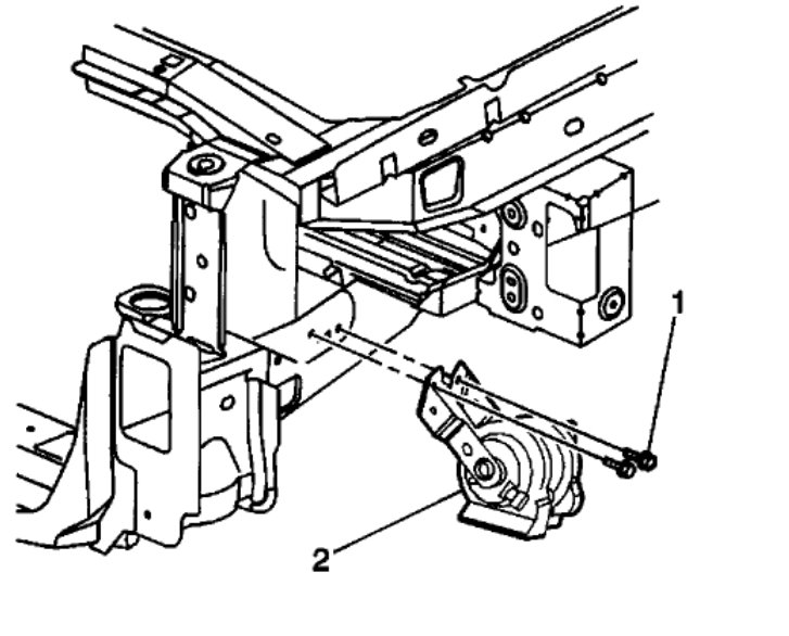
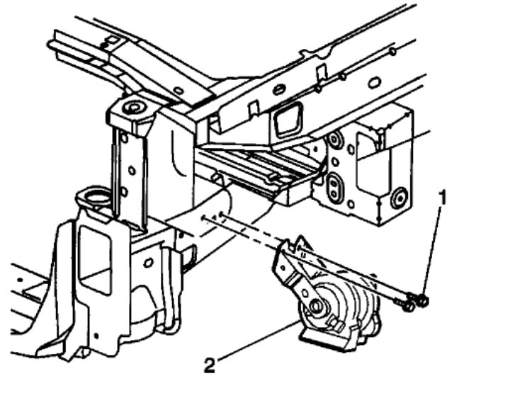
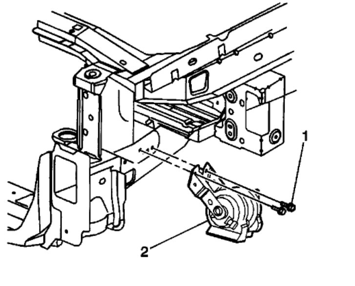
there are two horns one on each side in the front under the car attached to the frame of the car.
Here are some diagrams and instructions to help you get it replaced.

REMOVAL PROCEDURE

Remove the wheelhouse assembly.
Remove the right side horn bolts (2).
Remove the right side horns (1).

Remove the left side horn bolts (1).
Remove the left side horns (2).
Disconnect the electrical connectors.

Tighten
Tighten the bolts to 15 N.m (11 lb ft) .

Install the right side horns (1).
Install the right side horn bolts (2).

Tighten
Tighten the bolts to 15 N.m (11 lb ft) .

You will need to raise the car up

https://www.2carpros.com/articles/jack-up-and-lift-your-car-safely

Location (below)

Please let us know if you need anything else to get the problem fixed.

Cheers, Ken
Was this
answer
helpful?
Yes
No
+5
Friday, October 27th, 2017 AT 3:13 PM
Tiny
KRAEN
  • MEMBER
  • 1 POST
  • 1996 BUICK PARK AVENUE
Electrical problem
1996 Buick Park Avenue Automatic

My Grandparents who are in their 90's have a 96 Buick Park Avenue. The problem is that they have replaced the battery twice and it still won't start most of the time. They have to keep a battery handy in case of an emergency. Also, recently, when they were out in the car, the horn just started blowing and wouldn't go off! And then a few days ago, the chime that goes off when your door is open came on and stayed on the whole time they were driving. They have taken it to the Chevy dealer who sold them another battery and told them they couldn't find the problem. And just this week they took it to garage specializing in electrical repairs and they said they can't find anything wrong, and also said that the battery has a dead cell. Does anyone have an idea how to help. They need a car that is reliable. They are thinking about getting another car, but they are 90 years old. If it can be fixed that would be great? Anybody have a clue?
Was this
answer
helpful?
Yes
No
+2
Friday, October 27th, 2017 AT 3:13 PM (Merged)
Tiny
DOCFIXIT
  • MECHANIC
  • 18,828 POSTS
If your willing to experiment? Go to fuse panel left side locate fuse 9C 10Amp pull will kill chime but also radio. Next go under right side find relay fuse box and try and find a relay Retained Accesory Control Module Cannot find exact place but this will set horn off. As for battery car may have key off drain you need to ask speciality shop to do a battery drain test to pinpoint problem. Which in turn may solve all things.
Good Luck
Was this
answer
helpful?
Yes
No
Friday, October 27th, 2017 AT 3:13 PM (Merged)

Please login or register to post a reply.