I replaced a new shift linkage repair kit but I couldn’t start

Tiny
DANNY20
  • MEMBER
  • 1998 TOYOTA CAMRY
  • 3.0L
  • V6
  • 2WD
  • AUTOMATIC
  • 200,000 MILES
Several days ago, the car listed above LE model was out of order when I put the car’s shift lever into ”R”. I replaced a new shift linkage repair kit but I couldn’t start the car, even through I connected a power charger to the car’s battery. Could anybody help me?
Thank you very much.
Danny
Wednesday, September 23rd, 2020 AT 1:36 PM

1 Reply

Tiny
JACOBANDNICKOLAS
  • MECHANIC
  • 110,192 POSTS
Hi,

When you place the vehicle in park or neutral, does the indicator show the correct gear? If you have the linkage out of adjustment, the car may think it's in gear when it isn't. Thus, the starter won't engage.

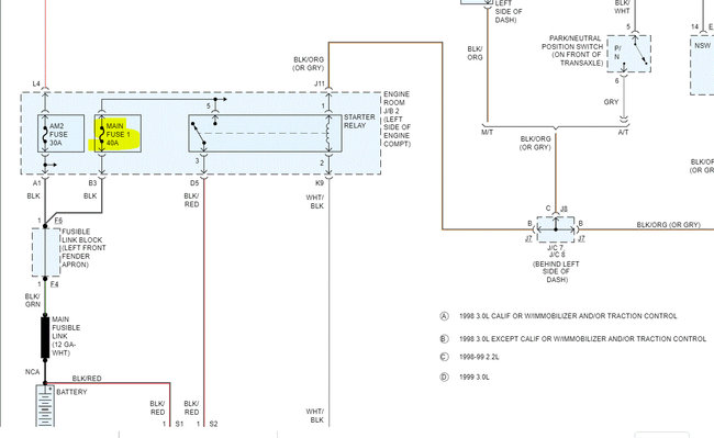
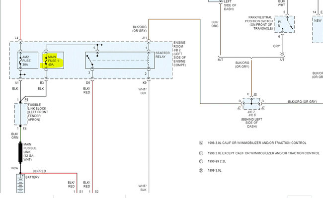
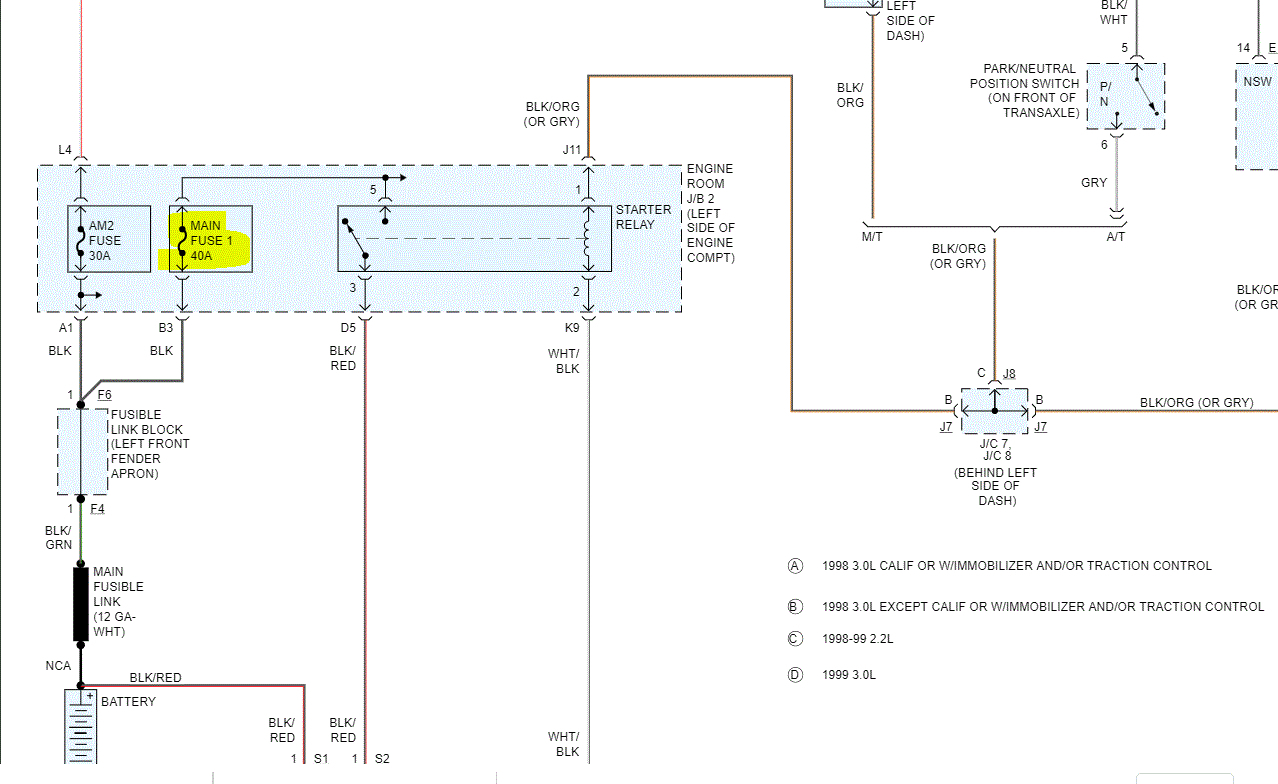
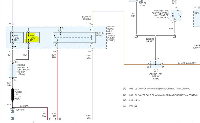
Also, check ignition fuse 1 under the hood. See pic 1. In addition to checking the fuse, confirm there is power to it. Here is a link you may find helpful:

https://www.2carpros.com/articles/how-to-check-a-car-fuse

Let me know.
Joe

Was this
answer
helpful?
Yes
No
Thursday, February 25th, 2021 AT 3:58 PM

Please login or register to post a reply.