1998 Toyota Cressida 1G motor model

Tiny
WHILO
  • MEMBER
  • 1998 TOYOTA CRESSIDA
The car has been to many mechies but without success. I managed to get it started after I got the oil pressure sorted out. It only starts at the starter terminals and not with the key. It idles but cuts out when trying to rev it up. So please guys, help me out on this one because the old lady of the car trusts no one els but me to get her car going.
Thnks for your help.
Whilo
Saturday, September 28th, 2013 AT 3:42 AM

1 Reply

Tiny
HMAC300
  • MECHANIC
  • 48,601 POSTS
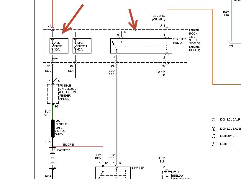
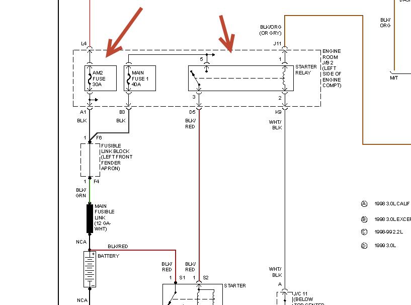
We dont' have that model in u.S. But lit shold be same and check the tings I've pointed out it may be a relay or fuse underhood. If not it may be the ignition switch or one of the switches like neutral or clutch switch depending on whether manual or automatic.
Was this
answer
helpful?
Yes
No
Saturday, September 28th, 2013 AT 5:52 AM

Please login or register to post a reply.