1998 Pontiac gran prix gtp

Tiny
CINQUE
  • MEMBER
  • 1998 PONTIAC GRAND PRIX
  • 6 CYL
  • 2WD
  • AUTOMATIC
  • 120,000 MILES
Where is the starter located on this engine?
floor console stick, automatic transmission, 3800 cc engine.
Sunday, January 23rd, 2011 AT 1:38 AM

1 Reply

Tiny
RASMATAZ
  • MECHANIC
  • 75,992 POSTS
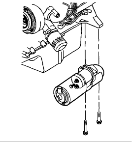
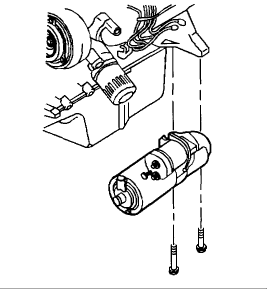
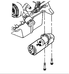
REMOVAL PROCEDURE
CAUTION:
Before servicing any electrical component, the ignition key must be in the OFF or LOCK position and all electrical loads must be OFF, unless instructed otherwise in these procedures. If a tool or equipment could easily come in contact with a live exposed electrical terminal, also disconnect the negative battery cable. Failure to follow these precautions may cause personal injury and/or damage to the vehicle or its components.
This vehicle has a Supplemental Inflatable Restraint (SIR) System. Refer to SIR Component Views in order to determine whether you are performing service on or near the SIR components or the SIR wiring. When you are performing service on or near the SIR components or the SIR wiring, refer to Repair Instructions in SIR. Failure to follow the CAUTIONS could cause air bag deployment, personal injury, or unnecessary SIR system repairs.
IMPORTANT: The starter motor on this vehicle is not serviceable and must be replaced as a complete unit.
Disconnect the battery ground (negative) cable.
Raise and suitably support the vehicle. Refer to Lifting and Jacking the Vehicle in General Information.
Remove the electrical connections at the starter motor. 3100 shown.
Remove the torque converter cover.
Remove the starter bolts. Remove the shims, if necessary.
Was this
answer
helpful?
Yes
No
-2
Sunday, January 23rd, 2011 AT 2:09 AM

Please login or register to post a reply.