Monday, May 21st, 2012 AT 6:39 AM
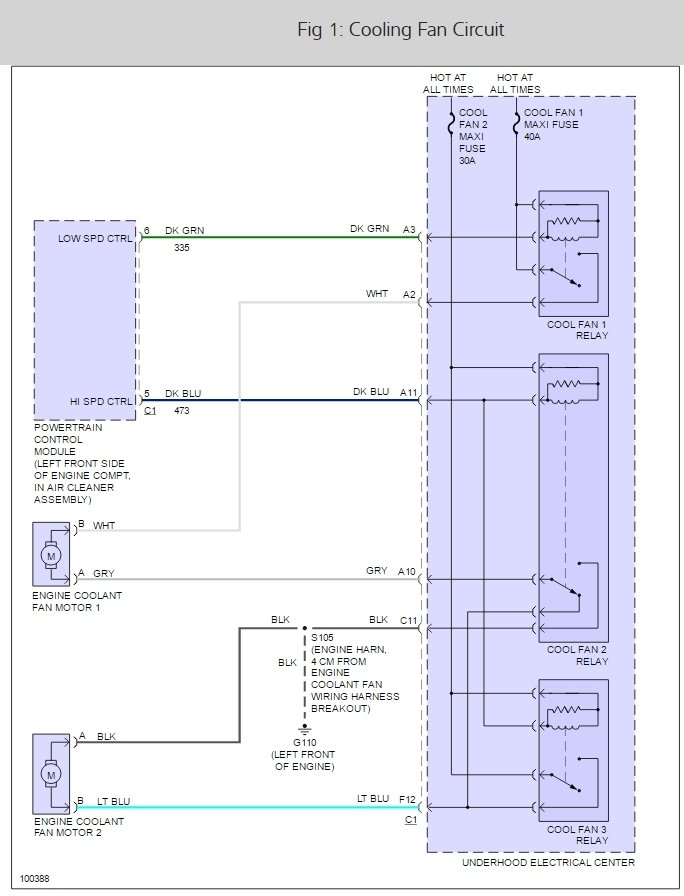
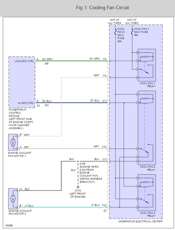
I need some advice please. I don’t know where else to look for a solution. I have a 1998 Oldsmobile Intrigue 3800 V6 3.4L and the cooling fans do not run. The first thing I did was to check the fan to see if they were broken. I ran a fuse jumper wires directly from the battery to the motor terminals. The fans turned on so I know I have good fan. I then check the fuses and replace the fan relays with new relays. This did not fix the problem either. I then replace the engine coolant temperature sensor and ran the car for several minutes to get it up to operating temperature. The fans still will not come on. I disconnected the connector from the temperature sensor while the engine was running and the fans came on A.S.A.P. Why is this and how can I solve my problem?
