Door locks not working?

Tiny
PPRITCHARD
  • MEMBER
  • 1998 MERCURY MARQUIS
  • V8
  • 2WD
  • AUTOMATIC
1998 Gran Marquis. Electric door locks and trunk button stopped working. Won't work from switches or from fob. Other electricals on the circuit work (seats, mirror). So it's not a fuse?
Tuesday, December 14th, 2010 AT 8:17 PM

1 Reply

Tiny
KASEKENNY
  • MECHANIC
  • 18,907 POSTS
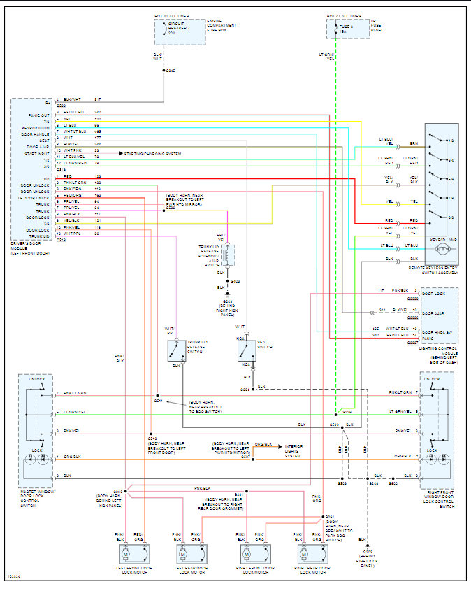
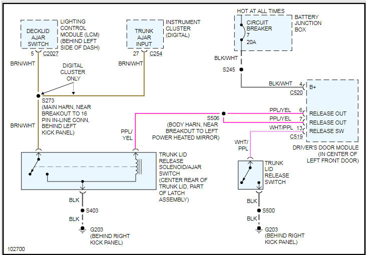
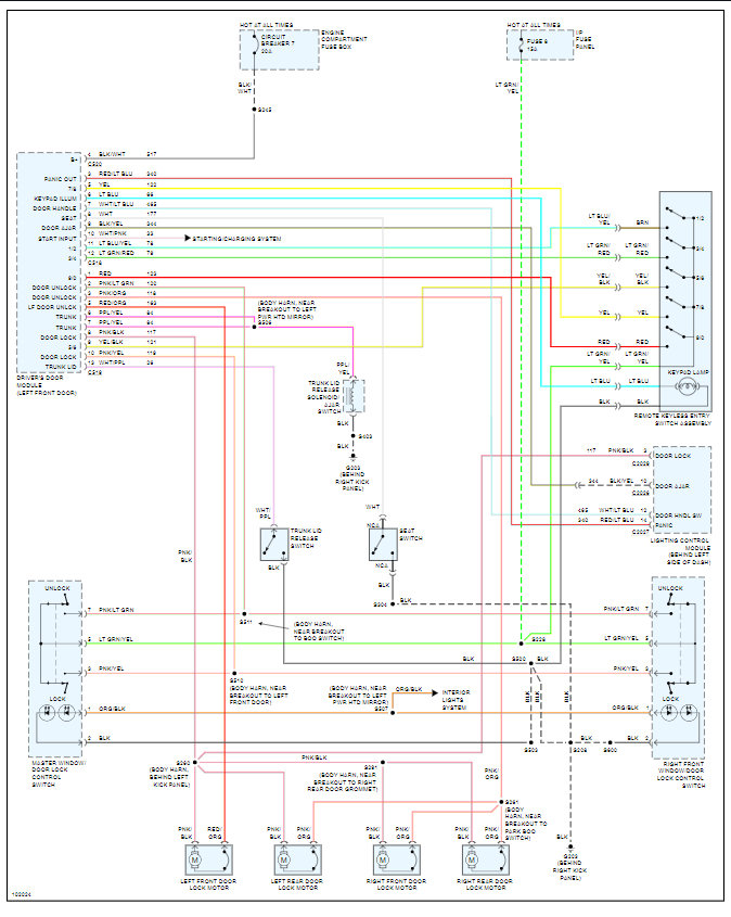
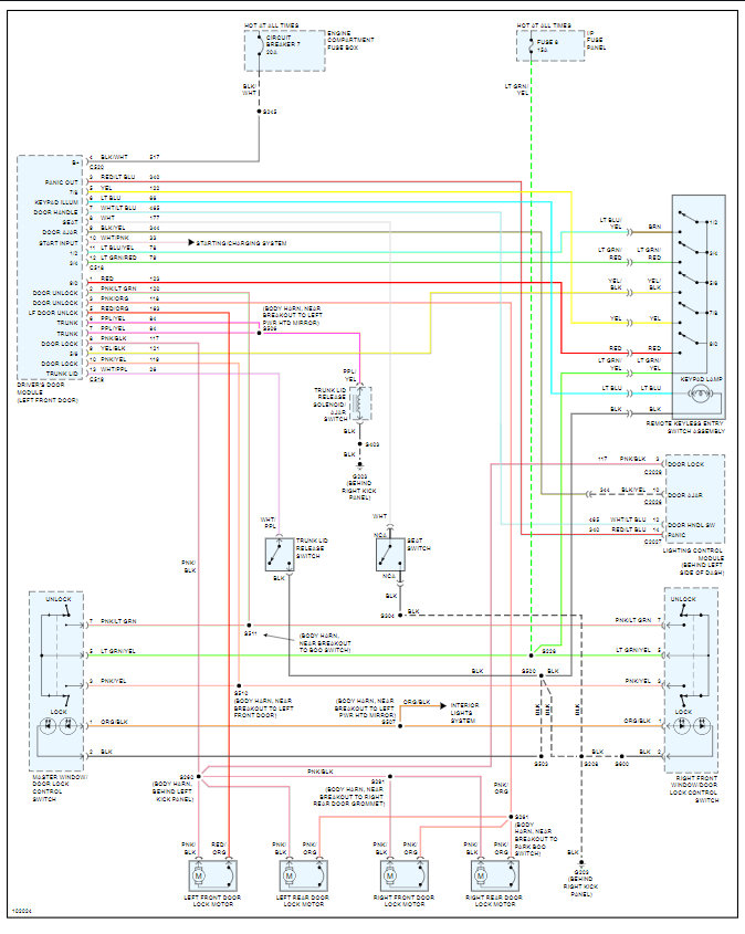
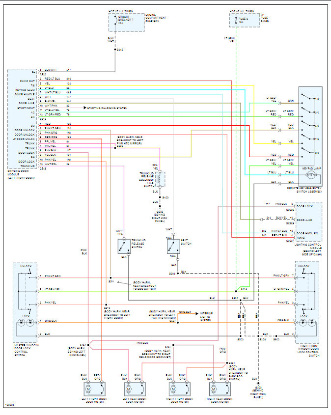
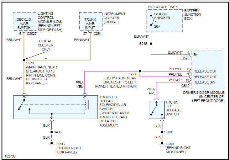
So if the fuse is okay, and these are not separate issues then the common thing is the driver door module. Take a look at these diagrams and as you see the circuits all run through the door module.

To confirm this we need to go to the door module and measure voltage coming in from the lock switch and going out. Clearly you should have voltage in and out when pressing the switch. I suspect you will only have voltage in from the switch.

Here is a guide on how to test this voltage:

https://www.2carpros.com/articles/how-to-check-wiring

https://www.2carpros.com/articles/how-to-use-a-test-light-circuit-tester

So you will need to remove the door panel and here is a guide that will help with that:

https://www.2carpros.com/articles/door-panel-removal

Let us know what you find. Thanks
Was this
answer
helpful?
Yes
No
Friday, December 4th, 2020 AT 11:48 AM

Please login or register to post a reply.