How to replace CAM seals?

Tiny
JOHN HUGHES
  • MEMBER
  • 1998 LEXUS GS 300
  • 127,000 MILES
Started with an oil leak in cam area. Removed all covers and belts before doing so I aligned all timing marks.I did also rotate pulleys back like book called for. Removed timing belt and lh cam pulley no prob. The right cam pully on the other hand has a removal buy step on inside of timing cover. Removed vvt sensor rotate cam pulley back and forth remove 14mm cam cap then 10mm cam gear bolt. Right now all timing marks are on in the same spots. Replaced seals installed all pulleys in rev of removal all timing markes still on installed timing belt tentioner. All marks still on pull pin on tentioner and rotate engine 2 full turns clockwise all marks still on. Finished installing the rest of the parts rev removal. When I turn the car over at first it sounded like it wanted to start but gid not. Now we smell fuel out of exhaust spits but will not start timing marks still on the spot. Car ran good coming in shop. Are the marks off?

I Have never replaced a vvt pulley on a lexus gs300 before.I have mitchell 1 but no info.I know the marks are on and understand the? Of compression test. Im 20 year ase certified 10 year mitsubishi I dont understand when I have replaced vvt pulleys on fords and hondas never had a prob.I do remember the car about a week before the oil seals where replaced the check engine light was on and the code was for vvt performance but car ran ok. I will do a comp test for you today to make sure. They said on some boards the car should still run even with vvt not working?The car was apart for three days over weekend alot of oil came out of the pully could it just need to prime?Never seen that before but maybe you did. Thank you
Wednesday, February 8th, 2012 AT 3:01 AM

1 Reply

Tiny
KEN L
  • MASTER CERTIFIED MECHANIC
  • 55,481 POSTS
Hello,

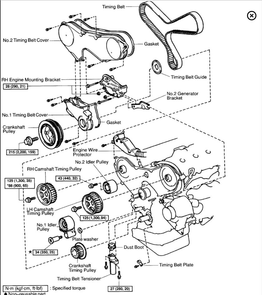
You must disassemble the front of the engine to replace the seals, here is a diagram (BELOW) and link that will help you get the job done.

https://www.2carpros.com/diagrams/lexus/es-300/1998

Please let us know what happens.

Cheers, Ken

Was this
answer
helpful?
Yes
No
-1
Friday, May 26th, 2017 AT 9:35 PM

Please login or register to post a reply.