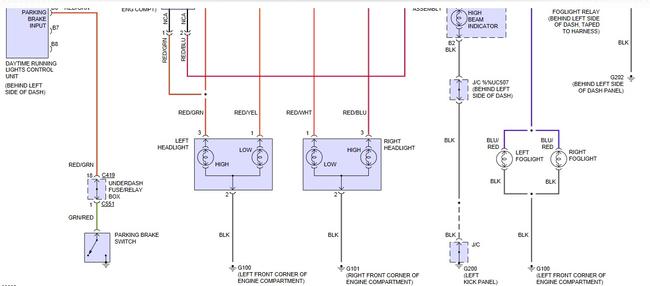
Sunday, October 13th, 2013 AT 10:26 AM
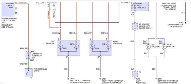
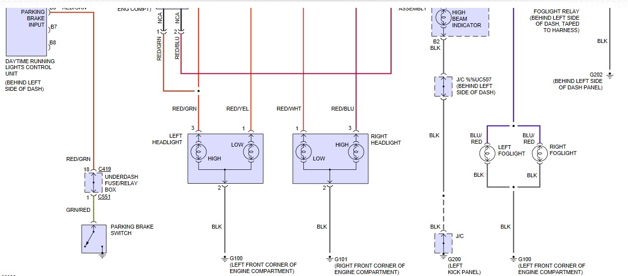
My head lights are dim I tried replacing the bulbs my volt gauge keeps jumping from 12.2 to 14.3 volts. I thought it was the altinator but I have no clue what it is I want to get it fix because it is hard to see at night.





