Saturday, November 30th, 2013 AT 4:54 PM
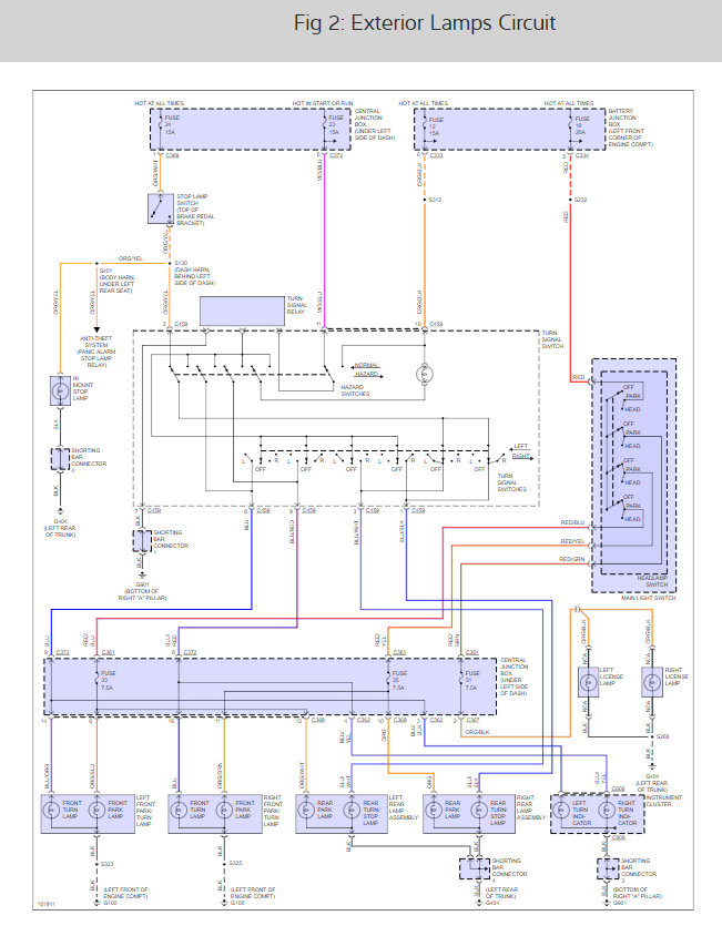
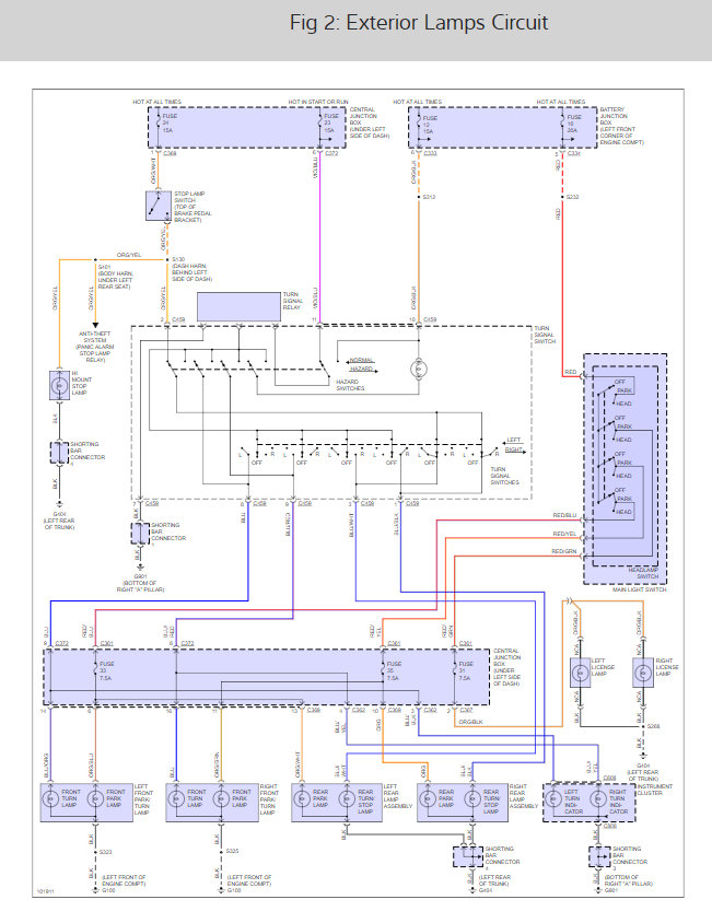
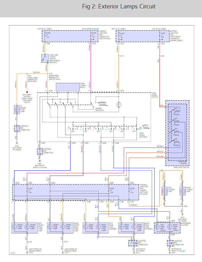
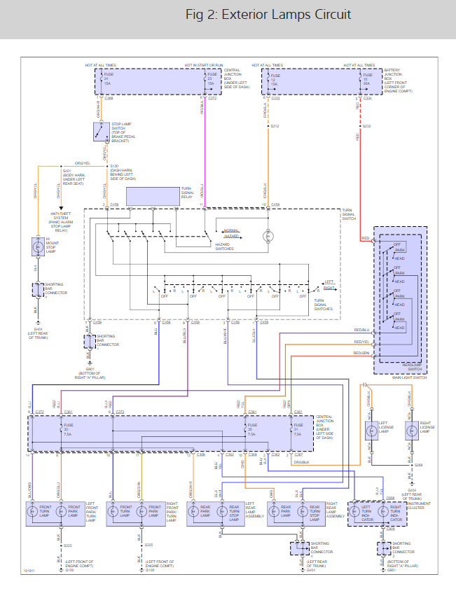
Our car's brake lights do not work when the pedal is depressed, but the light in the back window does. We have replaced the brake pedal and turn signal multi-function switch, replaced both light bulbs, tested the wires to be sure there was power to them. Also checked the fuses. What are we missing?



