Cruise control not working

Tiny
TUNINFORK
  • MEMBER
  • 1998 DODGE RAM
  • 5.9L
  • 6 CYL
  • TURBO
  • 4WD
  • MANUAL
  • 198,000 MILES
Cruise light on dash comes on cruise won't lock in when you try to set speed. Horn hasn't worked 10 years, but everything else always worked. Cruise just stopped working.
Wednesday, July 23rd, 2014 AT 12:03 PM

1 Reply

Tiny
CARADIODOC
  • MECHANIC
  • 34,465 POSTS
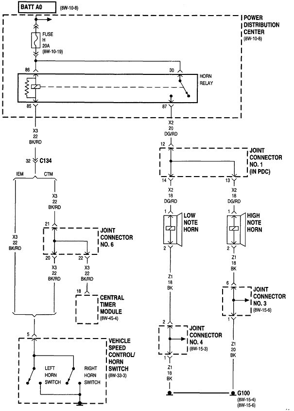
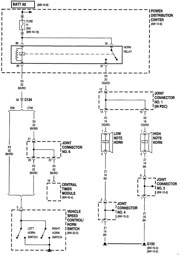
Both of these problems can be due to a broken clock spring. That's a wound-up ribbon cable in a plastic housing under the steering wheel. The horn and the cruise control use two separate circuits, so it is entirely possible for them to break at different times. Eventually the circuit for the air bag will break too, then the warning light on the dash will stay on all the time.

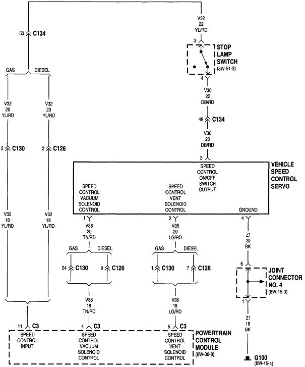
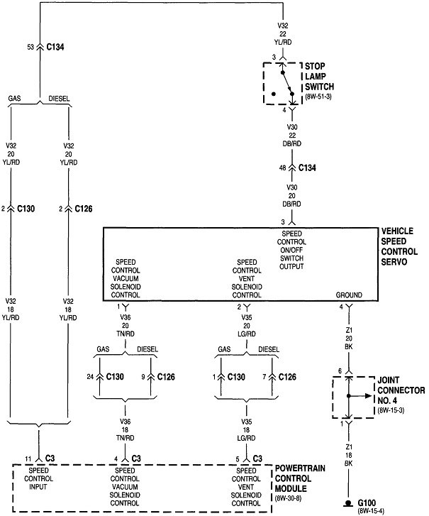
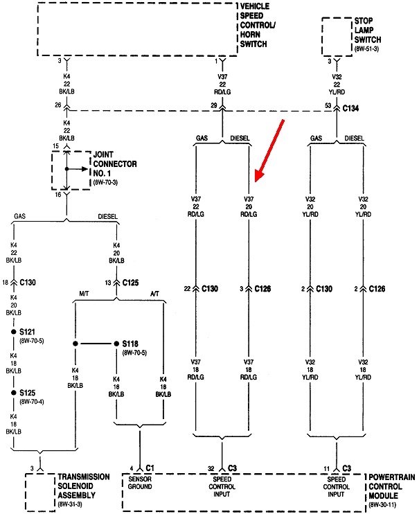
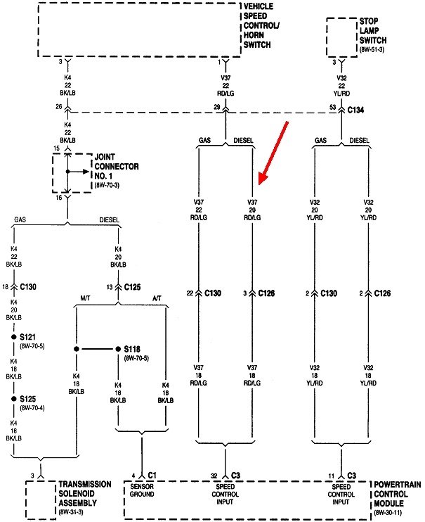
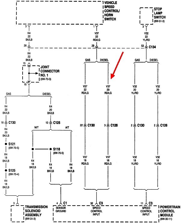
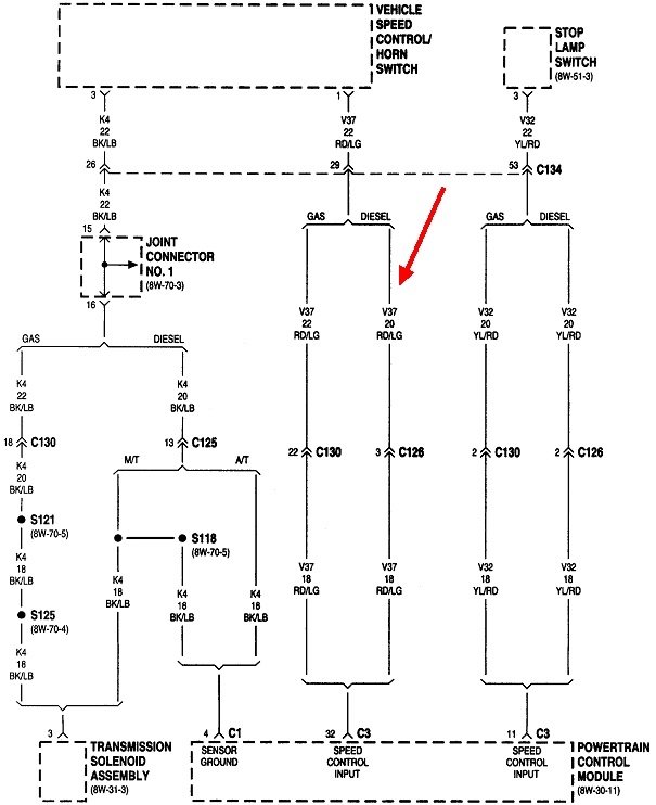
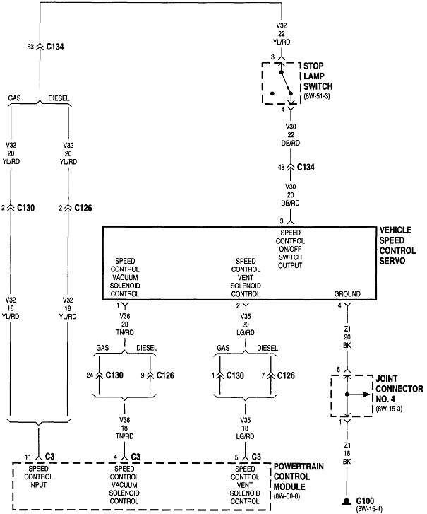
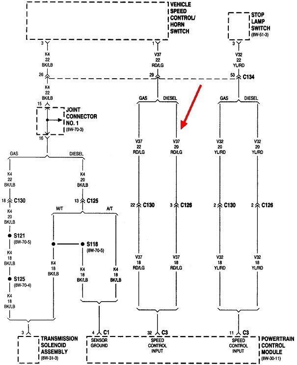
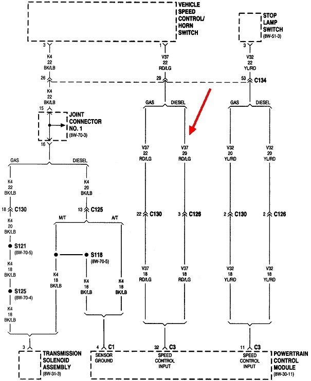
The cruise control switches are "multiplexed", meaning all the functions are sent on a single wire. Each switch provides a different voltage to the Engine Computer. The computer figures out which switch you're pressing by the voltage it sees on the wire where I added the red arrow. You could check the voltages on that wire, but it is far easier to use a scanner to see what the Engine Computer is seeing. I have a Chrysler DRB3 for all of my vehicles. That has an "Inputs/Outputs" drop-down menu. Under that you scroll to the cruise control switches. They will all be listed as, "Pressed" or "Released". If the clock spring is broken, none of the switches will change state when you press them. If you find they do work properly, we'll have to look at the servo circuits and its throttle cable.

Most newer scanners will also read the switch state, so almost any mechanic can do that for you. Also, with an extra plug-in card, the DRB3 will do emissions-related stuff on any brand of vehicle sold in the U.S. starting with 1996 models. For that reason, a lot of independent shops bought them. You may find one at a local independent shop.

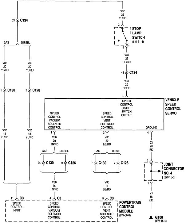
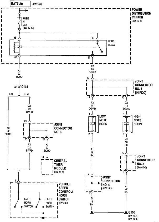
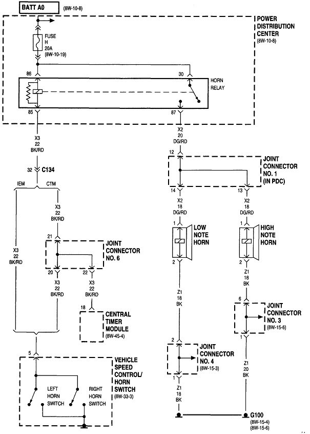
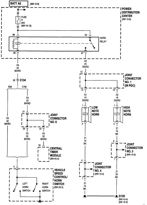
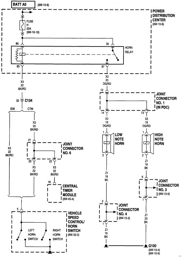
The third diagram is for the horn circuit. I have a suspicion the clock spring will solve both problems. Here's links to some related articles you might find useful:

https://www.2carpros.com/articles/symptoms-of-a-bad-airbag-clock-spring

https://www.2carpros.com/articles/air-bag-removal-steering-wheel

https://www.2carpros.com/articles/steering-wheel-clock-spring-removal
Was this
answer
helpful?
Yes
No
Wednesday, December 2nd, 2020 AT 11:45 PM

Please login or register to post a reply.