No start

Tiny
MISSMUSTANG1
  • MEMBER
  • 1998 CADILLAC SEVILLE
  • V8
  • FWD
  • AUTOMATIC
  • 125,000 MILES
When I put the key in I have power turn key nothing, checked battery its at 100%, I have fuel. Does not make any noise when trying to start. Drove it yesterday and it did the same thing but finally it started and made it home, now nothing.
Tuesday, June 7th, 2011 AT 4:21 AM

1 Reply

Tiny
KASEKENNY
  • MECHANIC
  • 18,907 POSTS
If the vehicle does not do anything when you try to start it then we need to go to the starter and find out if we even have power. Basically, we need to see if you have 12 volts on both wires when cranking the engine.

Here is a video that will help with getting us started:

https://youtu.be/dCjmRL3p4Cs

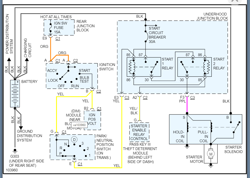
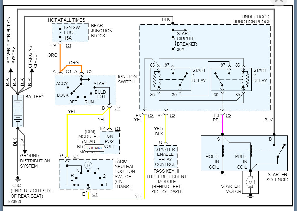
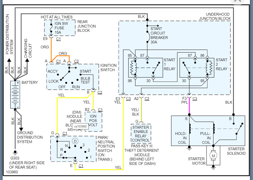
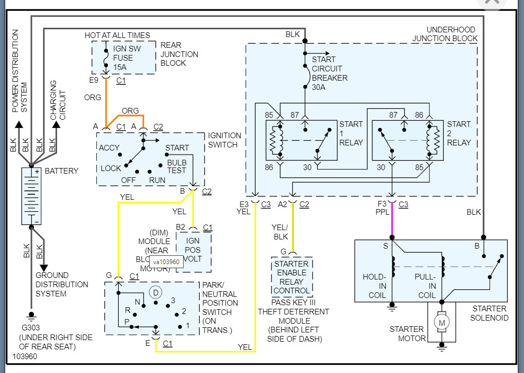
I am attaching the wiring diagram below but if you have no voltage going to the starter then we need to go to the relay and jump both relays to find out if we have power at the terminals on the tops of the relays shown below.

Here is a guide that will help with checking the relays as well:

https://www.2carpros.com/articles/how-to-check-an-electrical-relay-and-wiring-control-circuit

Please see the info attached and let us know what you find with each of these and then we can go from there.

Thanks
Was this
answer
helpful?
Yes
No
Saturday, February 19th, 2022 AT 5:16 PM

Please login or register to post a reply.