Blinkers don't work

Tiny
BLAKEGARCIA
  • MEMBER
  • 1998 CADILLAC ELDORADO
  • 170,000 MILES
The blinkers aren't working checked fuses bought a new blinker relay don't have a clue so what should I do new blinker, switch?
Monday, September 3rd, 2012 AT 8:39 PM

1 Reply

Tiny
KASEKENNY
  • MECHANIC
  • 18,907 POSTS
The most likely cause of this is a turn switch but we need to start with checking the voltage coming out of the switch and find out if they are being commanded on.

Here are a couple of guides that will help with this:

https://www.2carpros.com/articles/how-to-check-wiring

https://www.2carpros.com/articles/turn-signals-not-working-blinker

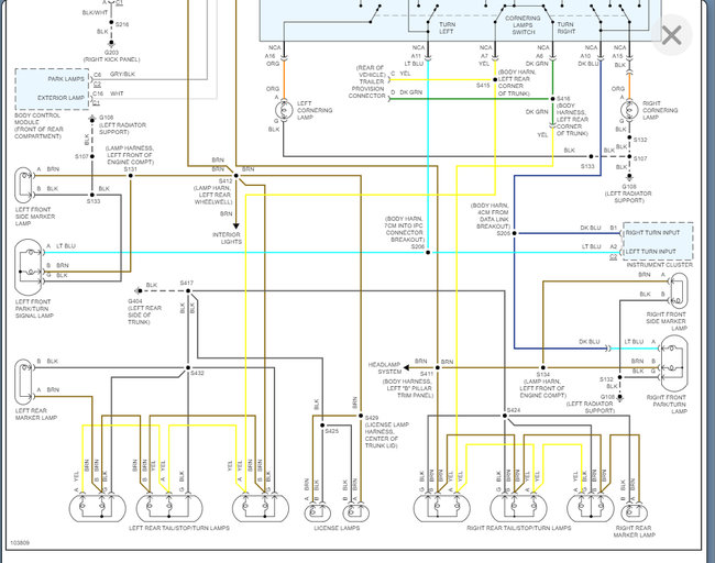
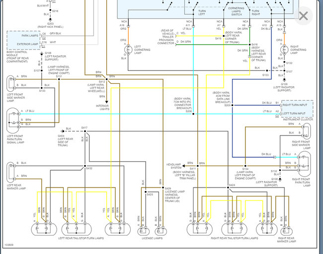
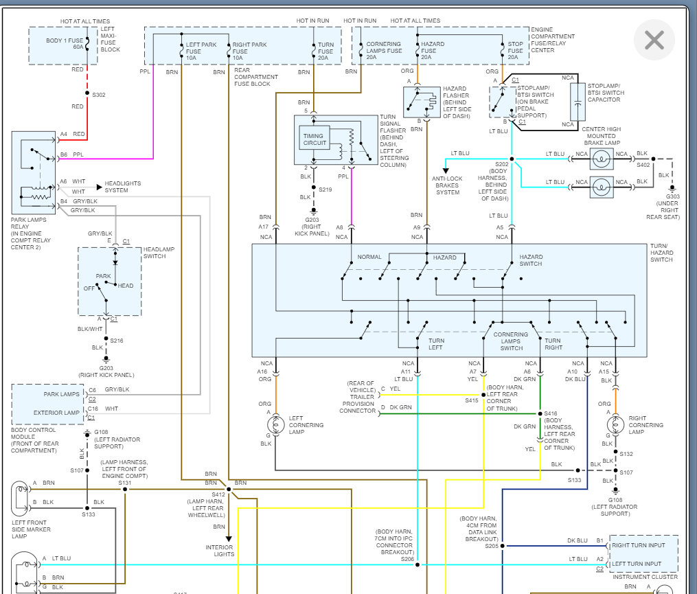
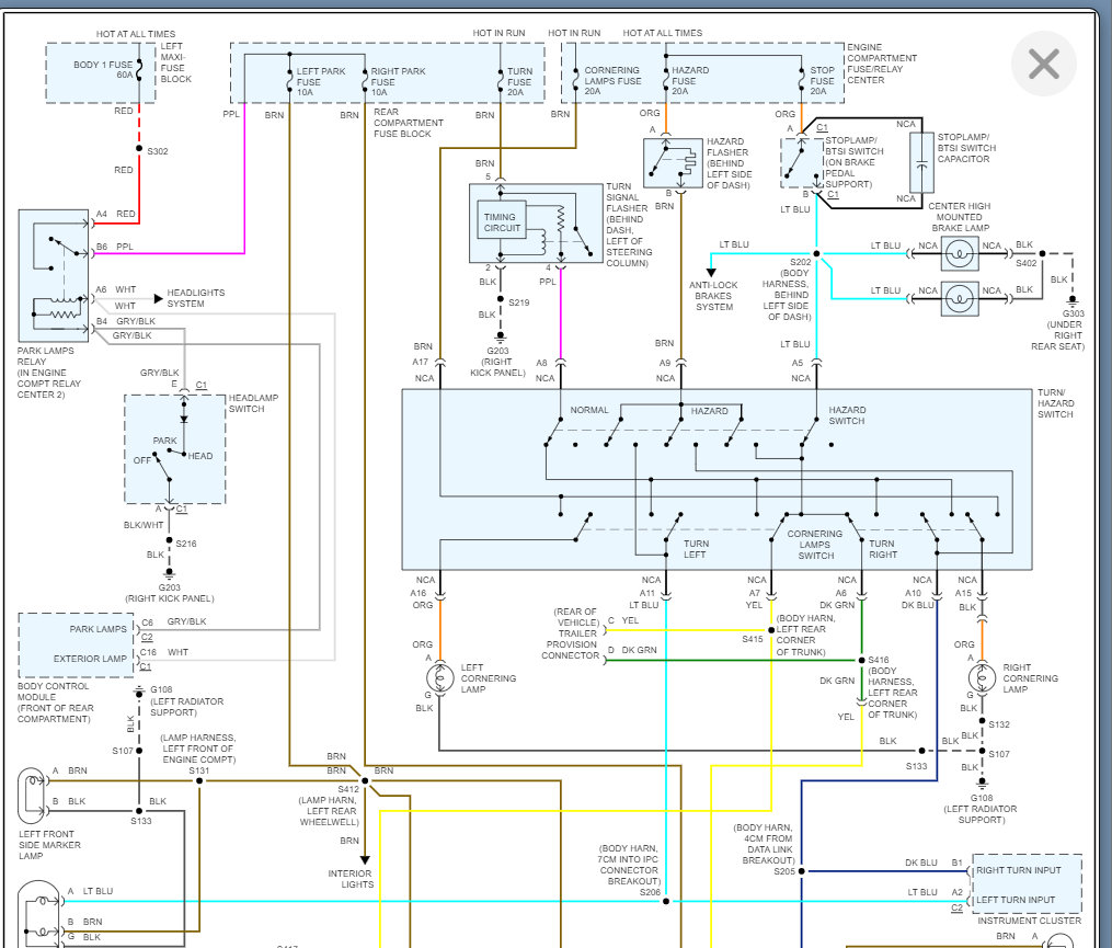
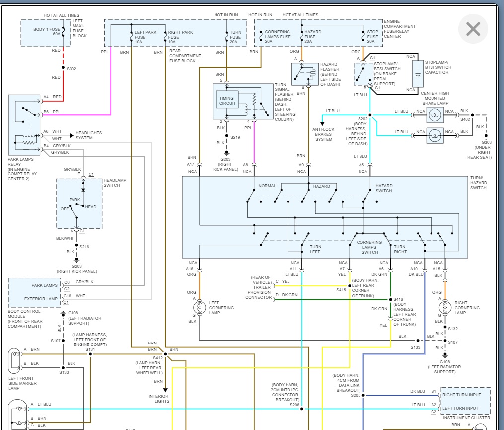
I am attaching the wiring diagram below, but we need to check power on the light blue and yellow wire coming out of the turn switch.

Once we know what they are when they are turned on, we will have a better idea where to go.

Please run through this info and let me know what questions you have on this.

Thanks
Was this
answer
helpful?
Yes
No
Saturday, February 19th, 2022 AT 7:19 PM

Please login or register to post a reply.