Turn Signal Flasher

Tiny
MMCANADA77
  • MEMBER
  • 1997 VOLKSWAGEN
  • 4 CYL
  • 2WD
  • MANUAL
  • 80,000 MILES
Where is the turn signal flasher in a 1997 volkswagen cabrio?
Sunday, July 24th, 2011 AT 8:11 PM

3 Replies

Tiny
KHLOW2008
  • MECHANIC
  • 41,814 POSTS
Item # 6 on fuse/relay panel as shown in diagram they are the same thing on this car.

Here is a guide to help test it.

https://www.2carpros.com/articles/how-to-check-an-electrical-relay-and-wiring-control-circuit

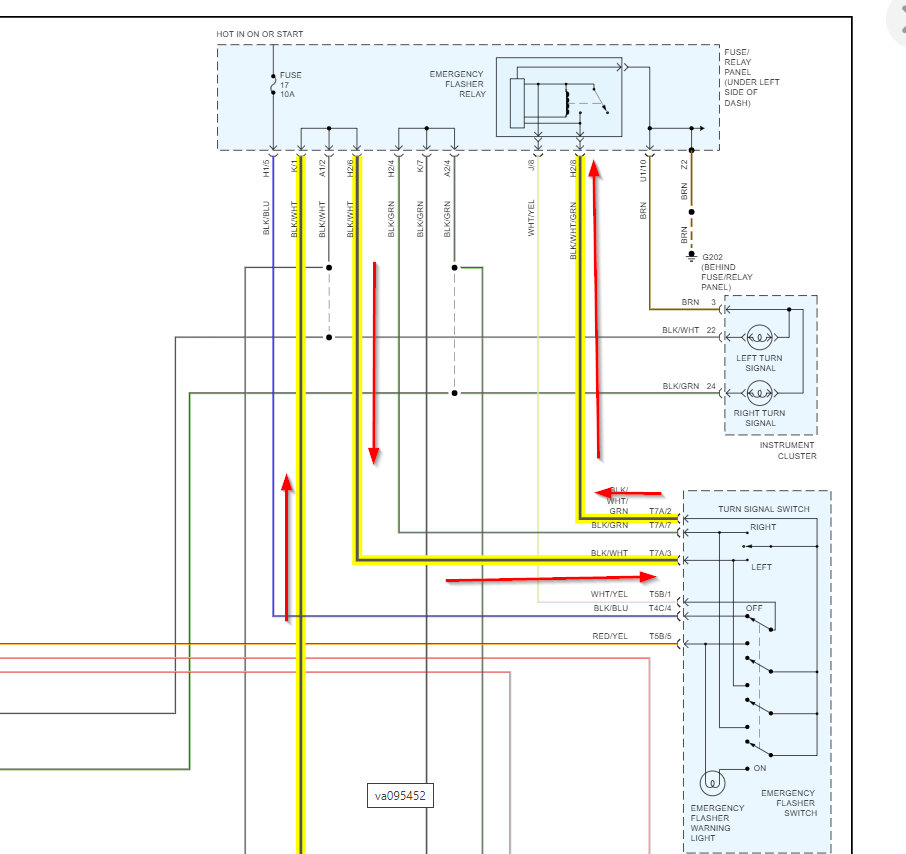
Check out the diagrams (Below) blinker wiring diagrams so you can see how the system works.

Please let us know if you need anything else to get the problem fixed.

Cheers
Was this
answer
helpful?
Yes
No
Sunday, July 24th, 2011 AT 9:25 PM
Tiny
MMCANADA77
  • MEMBER
  • 2 POSTS
I was told there is a separate flasher for both turn signals and hazards. Hazards still will work but turn signals do not.
Was this
answer
helpful?
Yes
No
+1
Monday, July 25th, 2011 AT 1:46 PM
Tiny
KASEKENNY
  • MECHANIC
  • 18,907 POSTS
There is not a separate flasher or relay for the turn signals and flashers. They are run out of the same relay.

Take a look at the wiring diagram below where we trace one of the wires coming from the lamp assembly and going to the relay.

Please run through this and let us know what questions you have. Thanks
Was this
answer
helpful?
Yes
No
Tuesday, October 26th, 2021 AT 7:19 PM

Please login or register to post a reply.