I suspect a failed fuel pump is the problem, i need to locate the pump and filter on this make and model.
Apr 13, 2023 at 8:44 AM
Advertisement
STEVE W.
CAR REPAIR CONTRIBUTOR
15,152 POSTS
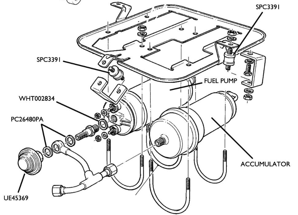
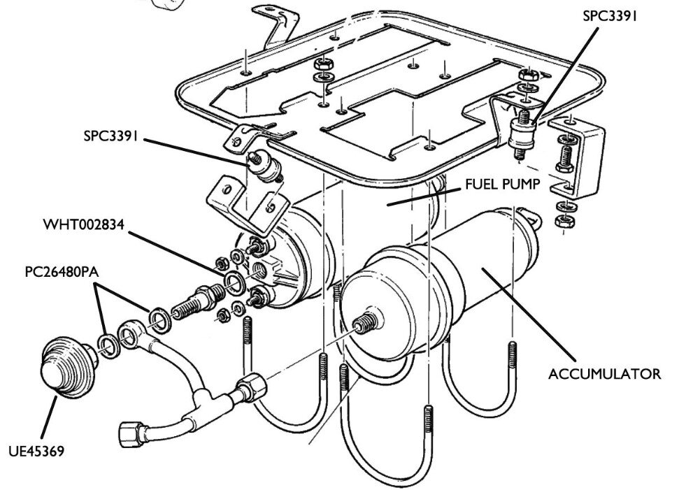
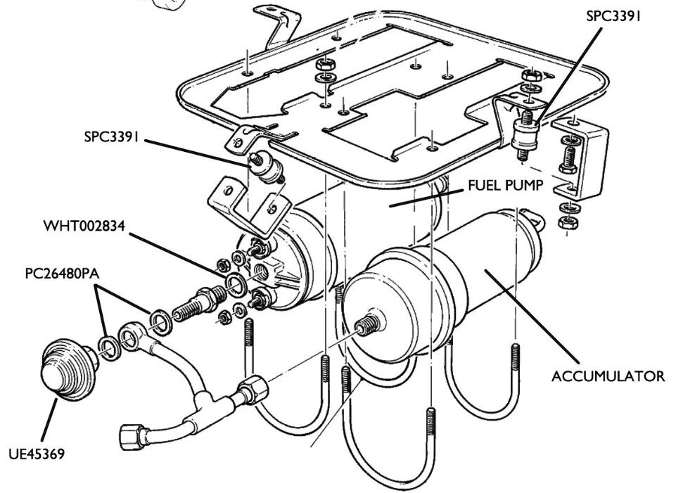
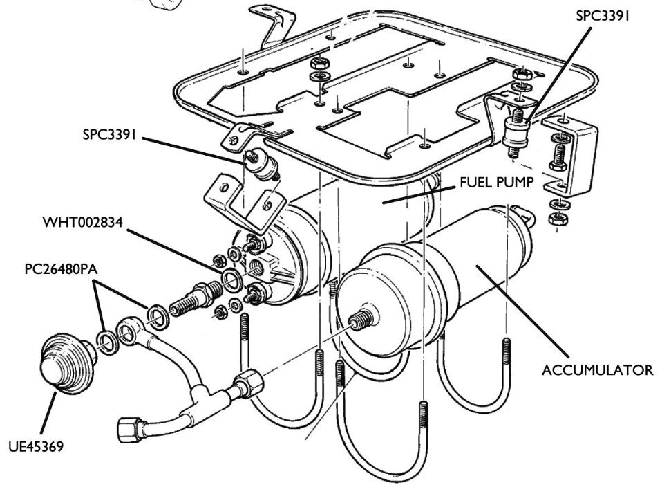
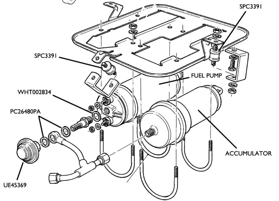
I'm sorry but our service database doesn't cover Rolls Royce, they only allow certified dealers access to that information, so nothing really is available for testing. If I recall the pump is mounted to a bracket in front of the fuel tank with a fuel accumulator next to it as the image shows. I also recall that the pumps are very failure prone, so I suspect you are on the right track.
Image (Click to enlarge)
Apr 13, 2023 at 9:25 AM
Advertisement
Repair Safety Notice: This information is for general instructional purposes only. Vehicle repair can be dangerous. Verify all information, follow manufacturer service procedures, use proper tools and safety equipment, and consult a qualified repair shop when needed.