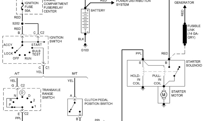
Sunday morning, my car wouldn't start again, doing the same thing it did friday morning and afternoon. After a jump, though, it still didn't start. We took the battery to Autozone and they said it was bad, so we bought and installed a new battery. Still wouldn't start, so we had a neighbor who works with cars look at it and said the starter was bad. We got a new starter as well, they connected it, and it still wouldn't start, with the car doing the same thing as earlier in the day. All the lights would come on as normal and the radio but it just wouldn't start. My neighbor says that the car is drawing power from something because the plugs that go into the battery spark a little when you first insert it into the battery. They were going to work on it more today. Any help with this is much appreciated, thanks!
Monday, September 17th, 2012 AT 3:18 PM


