Fuel warning light doesn't work.

Tiny
ENOS MOKALOLISE
  • MEMBER
  • 1997 HYUNDAI ELANTRA
  • 1.6L
  • 4 CYL
  • 2WD
  • MANUAL
  • 380,000 MILES
Petrol warning light doesn't work.
Friday, August 28th, 2015 AT 6:52 AM

1 Reply

Tiny
SQM
  • MECHANIC
  • 6,383 POSTS
Hello,

This could be due to a burnt bulb or bad wiring.
First remove the gauge cluster and check the bulb.
If the bulb is functional then it is likely a wiring issue.

https://youtu.be/_HEC44xENxw

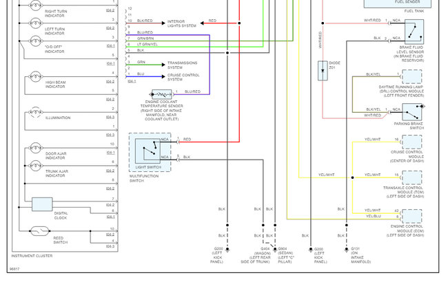
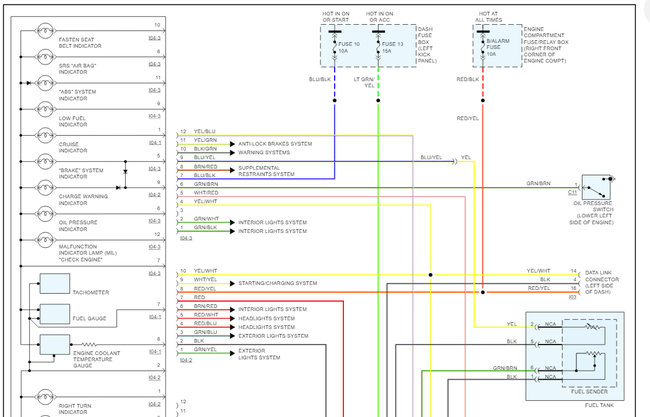
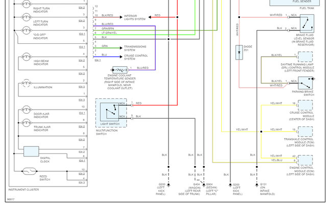
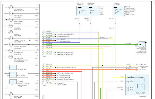
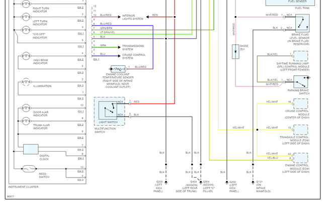
I have attached the wiring schematics for your reference.

Please let me know of any questions.
Thank you.
Was this
answer
helpful?
Yes
No
Monday, October 18th, 2021 AT 2:05 PM

Please login or register to post a reply.