Where is the vent plug for bleeding the coolant and do you have a wire diagram for the audio system?

Tiny
SKWEEZ1053
  • MEMBER
  • 1997 DODGE CARAVAN
  • 190 MILES
I have two questions. I recently bought a 1997 Dodge Caravan and the previous owners tried to install their own stereo and cut out the wire harness, do you have a wire diagram? Second I was flushing the coolant and I'm pretty sure the vent plug is missing, can you explain where or show me where it is specifically?
Tuesday, January 3rd, 2012 AT 11:05 PM

7 Replies

Tiny
CARADIODOC
  • MECHANIC
  • 34,489 POSTS
Not sure what vent plug you're referring to. You would be wise to never open the radiator petcock. They will leak later at a drip about once every ten seconds. Pull the lower hose off instead.

What are you looking for with the wiring diagram. Do you just need wire colors? Is the word "Infinity" on the front door speaker grilles?
Was this
answer
helpful?
Yes
No
Tuesday, January 3rd, 2012 AT 11:37 PM
Tiny
SKWEEZ1053
  • MEMBER
  • 4 POSTS
I need the wire diagram cause the people I purchased the vehicle from tried to install their stereo themselves and instead of buying the harness that would have pluged to the stereo and to the harness in the van they cut the harness out.
Was this
answer
helpful?
Yes
No
Sunday, January 8th, 2012 AT 4:51 AM
Tiny
CARADIODOC
  • MECHANIC
  • 34,489 POSTS
Is the word "Infinity" on the front door speaker grilles?

If the wires are still there, the easiest thing is to snip a pair of connectors out of a van from a salvage yard. Most of the wire colors are standardized but get plugs from a similar van and year to be sure they're the same colors. Just splice the like color wires to each other. Be sure to solder the splices and seal them with heat-shrink tubing. Electrical tape will unravel into a gooey mess.

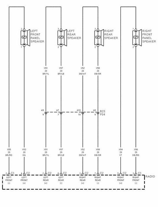
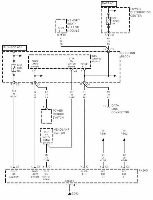
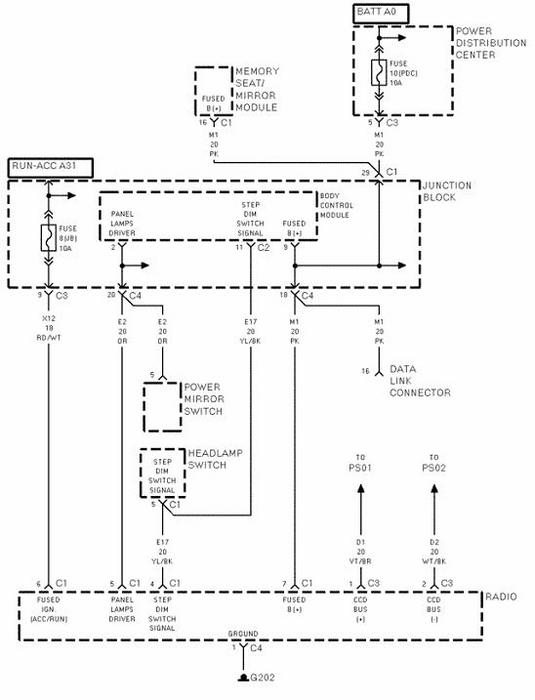
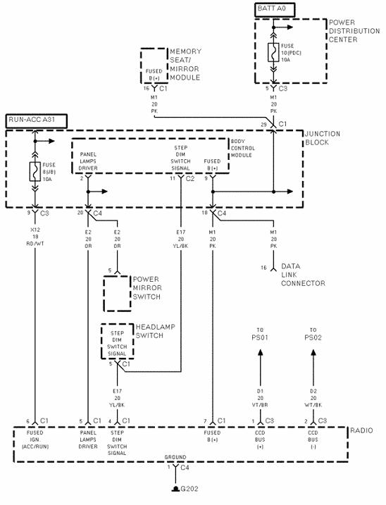
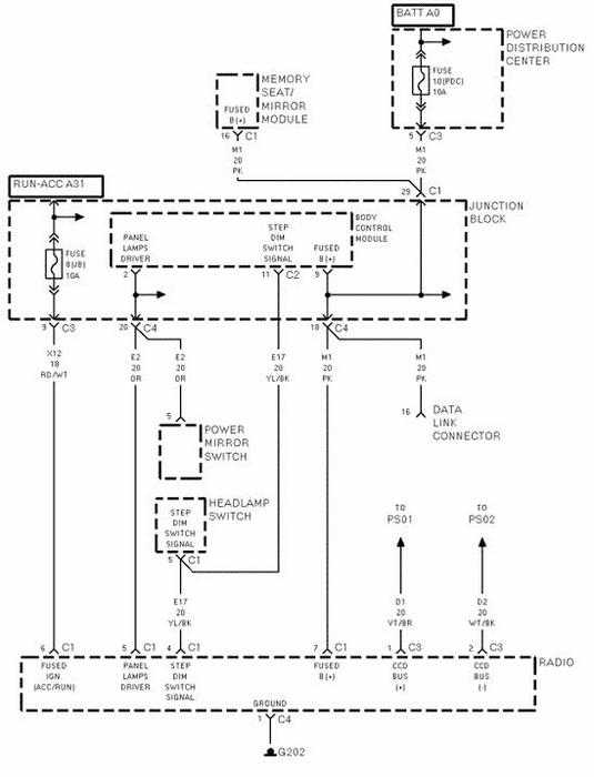
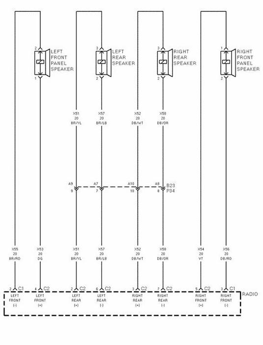
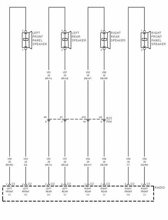
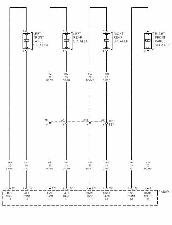
If you already purchased plugs from an audio store or from a different model vehicle, the wire colors will most likely be different. In that case, here's the colors:
Was this
answer
helpful?
Yes
No
Monday, January 9th, 2012 AT 7:28 AM
Tiny
SKWEEZ1053
  • MEMBER
  • 4 POSTS
Just wanted to say thanks this will help a lot.
Was this
answer
helpful?
Yes
No
Monday, January 9th, 2012 AT 11:14 AM
Tiny
CARADIODOC
  • MECHANIC
  • 34,489 POSTS
Holler if you have more questions. If you're looking at salvage yards for an original radio, look for a cd / cassette combo radio even if you don't have cassettes. They're built by Mitsubishi and are very high quality. The cd-only radios are built by Alpine and have more problems. Alpine won't allow me to buy service manuals either. Once the problems have been fixed with either radio, they're generally fixed for life. I sell a lot of the combo radios at the nation's second largest old car show swap meet. People want them for upgrades when they buy a used car with just the cassette player.

If you see "Infinity" on the door speaker grilles, look for a radio with that on the faceplate. Any Chrysler radio will work, and they all put out the same volume and power, but the Infinity models put out much less bass. It is made up with the amplifiers bolted to some of the speakers. That is how they fine tune the sound to the shape of the vehicle. With a standard radio you will have to turn the bass way down to sound normal. If you do not have Infinity speakers, you'll have to turn the bass way up with an Infinity radio, and it still might not sound pleasing unless you listen to talk radio like I do.

If you have steering wheel controls, you must use one of the cd models with the third, white two-pin plug on the back if you want them to work. If you don't have those controls, nothing needs to be plugged into that connector.
Was this
answer
helpful?
Yes
No
Monday, January 9th, 2012 AT 11:44 AM
Tiny
SKWEEZ1053
  • MEMBER
  • 4 POSTS
Thanks again for all the help and I really appreciate all the trouble u went throught to get me all that info about the stereo system, but I already have a top of the line sound system I really only needed the diagram to try and establish if the cut wireharness would be causing the instruments in the dash to perodically go completely out from time time with any other probable cause. Pretty much to find out if the stereo harness was a relay for the dash. I probably should've just asked about the dash, but I did want the diagram for when I install the new one correctly. Thank You.
Was this
answer
helpful?
Yes
No
Friday, January 13th, 2012 AT 10:29 AM
Tiny
CARADIODOC
  • MECHANIC
  • 34,489 POSTS
For intermittent problems with the instrument cluster, check for loose connector pins on the back of it. Those pins can be soldered to the copper circuits so they make solid electrical connections.

I still don't know if you have the Infinity system. If you do, you will need to use your new radio's "switched power" wire to turn on the relay that sends current to the amplifiers that are bolted to the door and lift gate speakers. That wire might be labeled "power antenna", "amplifier", or "remote". On aftermarket radios that is usually a dark blue wire. If that relay doesn't turn on with the radio, you'll just have a little sound from the tweeters since they don't run on those amps. If you have standard speakers, that wire won't be used. If you aren't sure which system you have, the Infinity speakers have four wires in the electrical connectors. The standard speakers only have two wires. If you replace the speakers, don't throw them away. The Infinity speakers used to cost around $130.00 each. I repaired a few years ago for dealers. Those speakers used with the Mitsubishi-built cd / cassette combo radio was a real high quality system. I have one in my '88 Grand Caravan right now.
Was this
answer
helpful?
Yes
No
Friday, January 13th, 2012 AT 12:53 PM

Please login or register to post a reply.