Monday, March 20th, 2023 AT 10:57 AM
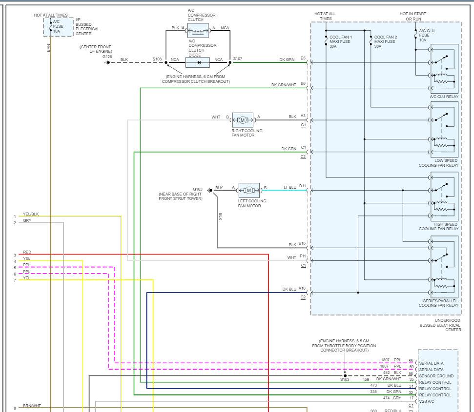
I purchased a brand-new known working mode door actuator and after installing I removed the HVAC fuse to reset the system, when I started the car, the actuator moved all the way to the far-right position which is defrost and never moved from that spot again. I have also since then replaced the climate control head unit with the same result. I have also checked that the vents can be moved by hand without an actuator installed and they work fine. The blend door actuator seems to be working fine also.








