Sunday, December 9th, 2012 AT 1:16 PM
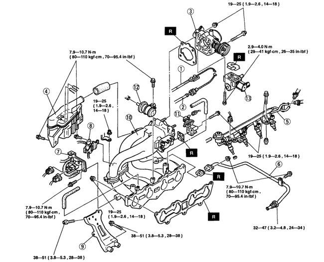
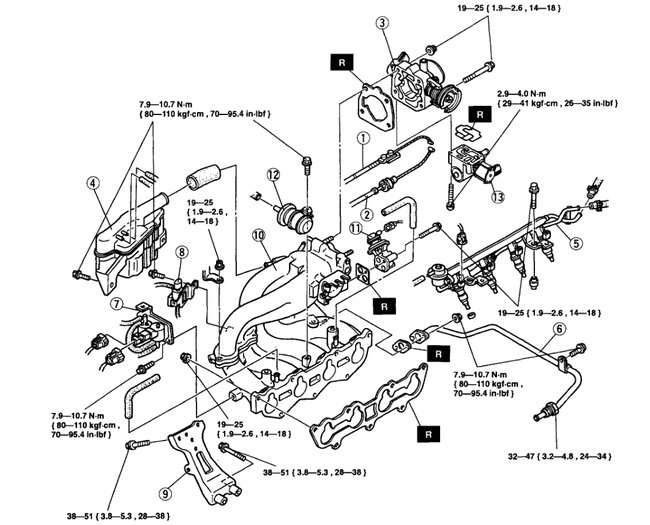
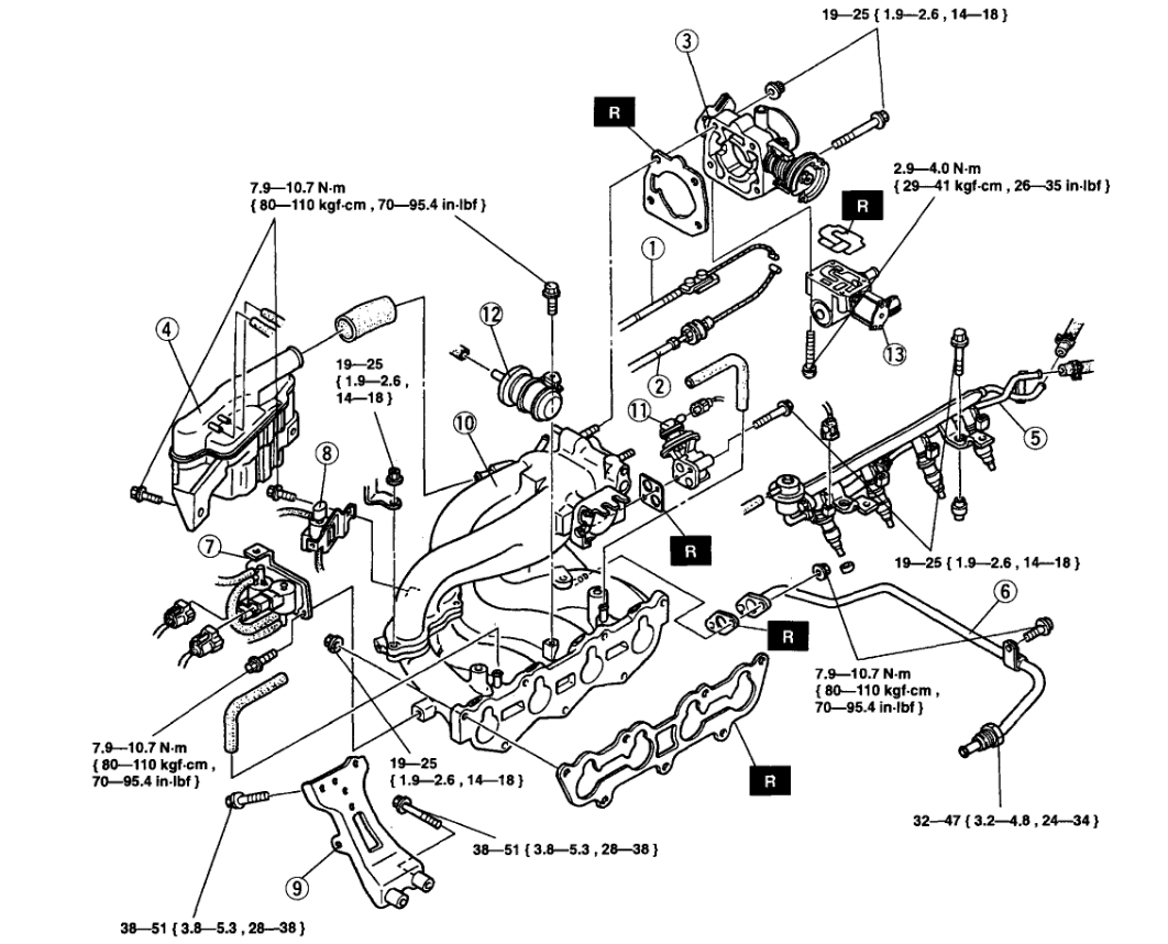
96 mazda protege, when driving I come to stop and it seems to want to stall out, or just idling and I put it in drive and it seems to be wanting to stall out, Is the egr valve the cause or iac valve or air cleaner intake hose, I taped up leak on intake hose but no results, do I need new hose or is that my problem?




