Fuel pump relay location

Tiny
BACHELDER
  • MEMBER
  • 1996 GMC JIMMY
  • 6 CYL
  • 4WD
  • AUTOMATIC
Which of the three relays in glove box runs fuel pump?
Wednesday, January 19th, 2011 AT 11:48 PM

34 Replies

Tiny
RASMATAZ
  • MECHANIC
  • 75,992 POSTS
Hello,

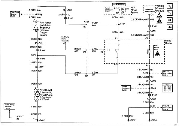
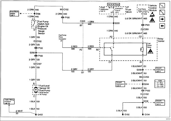
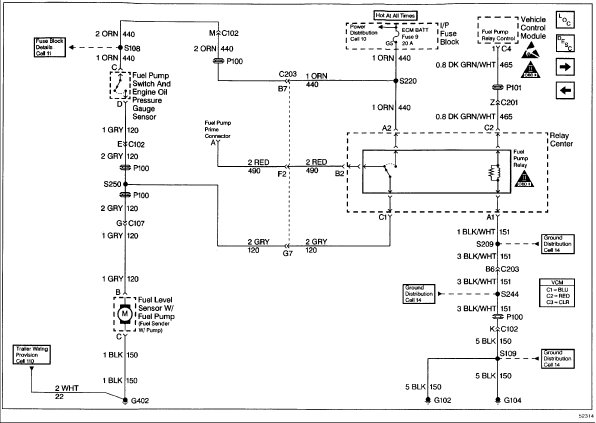
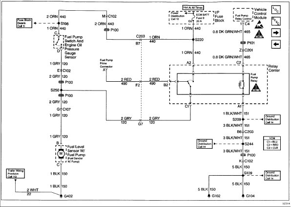
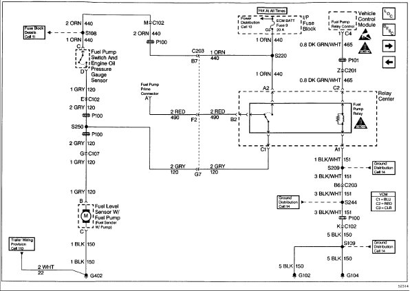
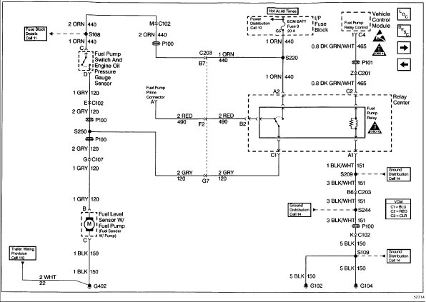
Here is a guide that will help you test the relay with diagrams below to show the location.

https://www.2carpros.com/articles/how-to-check-an-electrical-relay-and-wiring-control-circuit

Check out the diagrams (Below). Please let us know if you need anything else to get the problem fixed.

Was this
answer
helpful?
Yes
No
Wednesday, January 19th, 2011 AT 11:55 PM
Tiny
JIMMY GUY
  • MEMBER
  • 1 POST
  • 1988 GMC JIMMY
  • 6 CYL
  • 4WD
  • AUTOMATIC
  • 169,000 MILES
I have a 88 jimmy and I have have just replced the fuel pump, soon as I hook the battery up the pump
started to run, I then started my truck it ran fine but when I shut it off the pump kept running I then dissconnected the relay but the pump never shut off
the relay was bunched in a set of three over the left wheel wheel is that even the relay how can I get the fuel pump to run normal o ya the old pump did the same thingi just bipassed it with a switch I want it back to normal also my gauge for gas doesnt read is it related to the pump running constant?
Was this
answer
helpful?
Yes
No
-2
Friday, January 18th, 2019 AT 6:23 PM (Merged)
Tiny
RASMATAZ
  • MECHANIC
  • 75,992 POSTS
The orange and gray wire at the fuel pump relay is shorted together
Was this
answer
helpful?
Yes
No
+1
Friday, January 18th, 2019 AT 6:23 PM (Merged)
Tiny
RHETT
  • MEMBER
  • 1 POST
  • 1992 GMC JIMMY
  • 6 CYL
  • 4WD
  • AUTOMATIC
  • 250,000 MILES
My jimmy ran out of gas and I was trying to start it. So I put 4 gal. Of gas in it and now the fuel pump wont run. THE RELAY HAS POWER, and I replaced it so its new, but it does not engage to prime for the 2 sec. When turning on the key. I took of the cover and engaged it manually but pump still does not run. I used my test light at the pump and its getting power when I engage the relay manually. Im prity sure I need a new pump, but why doesnt the relay work right when I turn key on?
Was this
answer
helpful?
Yes
No
-2
Friday, January 18th, 2019 AT 6:23 PM (Merged)
Tiny
JACOBANDNICKOLAS
  • MECHANIC
  • 110,194 POSTS
If you are getting power to the pump and it doesn't run, you are correct. The pump is most likely bad.
Was this
answer
helpful?
Yes
No
Friday, January 18th, 2019 AT 6:23 PM (Merged)
Tiny
TIMBOIFL
  • MEMBER
  • 1 POST
  • 2001 GMC JIMMY
  • 6 CYL
  • 4WD
  • AUTOMATIC
  • 140,000 MILES
My jimmy ran fine this morning, I made several stops without any problems. When I returned home, and was heading back out the car would not start. It would turn over, however it would not start. After spraying starter fluid in the intake to car ran briefly then stalled. I checked the fuse under the hood and it was good.
Before replacing the fule pump, I would like to know if it could be the relay. I saw a site on line that said it was in the glove box however it does not seame to be there.
Does the 2001 model in fact have a fule pump relay and if so where would it be?
Was this
answer
helpful?
Yes
No
Friday, January 18th, 2019 AT 6:23 PM (Merged)
Tiny
RASMATAZ
  • MECHANIC
  • 75,992 POSTS
Welcome to 2carpros and TY for the donation

Do you hear the fuel pump come for a few secs if not check and test the ECM B fuse 20amp and the fuel pump relay both located in the underhood fuse block, IF so check the fuel pressure if its within specs and for injection pulses from the injector/s
Was this
answer
helpful?
Yes
No
+2
Friday, January 18th, 2019 AT 6:23 PM (Merged)
Tiny
AZMATEOV12
  • MEMBER
  • 1 POST
  • 1993 GMC JIMMY
  • 6 CYL
  • 4WD
  • AUTOMATIC
  • 108,000 MILES
My truck that I just bought will not send fuel after key on and fuel pump runs for a few seconds then shuts off, ive replace the pump, sending unit and fuel pump relay. I still have no pressure or fuel at shrader valve behind the plenum. Please help. I need to get to work.
Was this
answer
helpful?
Yes
No
+2
Friday, January 18th, 2019 AT 6:23 PM (Merged)
Tiny
RASMATAZ
  • MECHANIC
  • 75,992 POSTS
No pressure after new pump installed could be the fuel pump itself again-recheck the fuel pressure with a fuel pressure gauge designed for your fuel system
Was this
answer
helpful?
Yes
No
-1
Friday, January 18th, 2019 AT 6:23 PM (Merged)
Tiny
SHAWNTHOME
  • MEMBER
  • 6 POSTS
  • 1999 GMC JIMMY
  • 6 CYL
  • 2WD
  • AUTOMATIC
  • 103,000 MILES
Truck was running fine stopped to get gas and would not start. Fuses and relay good. Replaced the oil pressure switch still nothing. It turns over but does not start. The key gets stuck every time. Something has shut the fuel pump off is there something else to check before I can say its actually the fuel pump. Is there a cutoff switch or reset switch. Or another relay somewhere I cant find. Looked behind glove box nothing there.
Was this
answer
helpful?
Yes
No
-1
Friday, January 18th, 2019 AT 6:23 PM (Merged)
Tiny
JDL
  • MECHANIC
  • 16,098 POSTS
Hello, when you first turn the key on, no crank, can you hear the pump run for a couple seconds? Did you check the circuits at the fuel pump relay? With the engine cranking, do you have spark at the plugs? If you have good B+ and ground at the pump and no pump action, sounds like the pump.
Was this
answer
helpful?
Yes
No
-1
Friday, January 18th, 2019 AT 6:23 PM (Merged)
Tiny
SHAWNTHOME
  • MEMBER
  • 6 POSTS
It does turn over but not start, cant hear fuel pump. What circuits do I check. Is it possible for a fuel pump to go out just like that. Or because of the fact that my key gets stuck all the time could it be a security issue shutting down the fuel pump
Was this
answer
helpful?
Yes
No
-1
Friday, January 18th, 2019 AT 6:23 PM (Merged)
Tiny
JDL
  • MECHANIC
  • 16,098 POSTS
The theft system shouldn't shut down the pump. Pull the fuel pump relay, have helper turn key to crank, use testlite, check the terminals where the relay plugs in, two terminals should be hot.

My info shows a fuel pump prime connector, doesn't give exact location, maybe near the underhood fuse box. Gray wire with connector, nothing plugged into the connector, should be in plain site, not covered-up. Use a jumper wire, run voltage to the connector, I always say to use an inline fuse on the jumper, pump should run, don't need to use the key. It's just a test circuit for the pump. Or, with the relay unplugged, place a jumper across the terminals for the load side of relay, the pump should run. The relays usually have a diagram on them? If you use a jumper on anything make sure you have the correct terminals.
Was this
answer
helpful?
Yes
No
+2
Friday, January 18th, 2019 AT 6:23 PM (Merged)
Tiny
SHAWNTHOME
  • MEMBER
  • 6 POSTS
Well replaced fuel pump and wire harness still nothing. Is there something in the ignition system that could cause no power to the fuel pump.
Was this
answer
helpful?
Yes
No
+2
Friday, January 18th, 2019 AT 6:23 PM (Merged)
Tiny
JDL
  • MECHANIC
  • 16,098 POSTS
When you first turn the key on, no crank, the pump should prime for a couple seconds. With the engine cranking, if there is no rpm signal and no oil pressure switch in the pump circuit, my info didn't show an o/p switch in the pump circuit, the pump won't run.

Did you check the circuits at the fuel pump relay?
Was this
answer
helpful?
Yes
No
Friday, January 18th, 2019 AT 6:23 PM (Merged)
Tiny
SRAMAN
  • MEMBER
  • 13 POSTS
  • 1997 GMC JIMMY
  • 4.3L
  • 6 CYL
  • 4WD
  • AUTOMATIC
  • 178,023 MILES
I am working on a GMC Jimmy fuel pump assembly replacement where my first instinct was to check relays, fuses and make sure there was spark before I moved on to the fuel pump. After replacing the fuel pump assembly, the car still is not starting. I do not hear the fuel pump coming on as I engage the key. Is there a fuel pump shut off in this vehicle that I might not be aware of?
Was this
answer
helpful?
Yes
No
+1
Friday, January 18th, 2019 AT 6:23 PM (Merged)
Tiny
WRENCHTECH
  • MECHANIC
  • 20,761 POSTS
No, there is no shut off. You need to get your hands on a fuel pressure gauge before doing anything else. The fuel pump only powers for 2 seconds when the key is first turned on and then continues when the computer sees a tach signal. If you confirm no fuel pump prime, then you will need to follow a wiring diagram to find the cause.
Was this
answer
helpful?
Yes
No
Friday, January 18th, 2019 AT 6:23 PM (Merged)
Tiny
AHENSON
  • MEMBER
  • 2 POSTS
  • 2001 GMC JIMMY
  • 4 CYL
  • 4WD
  • AUTOMATIC
  • 148,000 MILES
Yes I put a fuel pump in my jimmy about 5 months ago and now when you drive it it does fine. When you shut it off and try to start it again the fuel pump will not come on until it sits for about 5 minutes the relay I changed was not that any help thanks
Was this
answer
helpful?
Yes
No
Friday, January 18th, 2019 AT 6:23 PM (Merged)
Tiny
JDL
  • MECHANIC
  • 16,098 POSTS


https://www.2carpros.com/forum/automotive_pictures/170934_gmc_3.jpg



Did you check relay circuits? When you first turn the key on, no crank, can you hear the pump run?

The pcm sends voltage to the coil side of relay in order to energize, I believe pin 1. If there is no voltage there when trying to start, the relay won't energize.

Did you check fuel pressure, any codes? The diagram on the relay may differ depending on the manufacturer. You should be able to tell the switch side of relay from the coil side.
Was this
answer
helpful?
Yes
No
Friday, January 18th, 2019 AT 6:23 PM (Merged)
Tiny
AHENSON
  • MEMBER
  • 2 POSTS
Yes I switch the circuit for fuel pump with the horn circuit didnt change anything the jimmy starts fine after it sits just when you go some where it wont start back up fuel pressure was good also when you shut it off after you drive in lets say 5 miles then you go to restart it the pump does not kick on when you turn the key if you let it sit for 5 minutes or longer it comes back on a starts right up thankyou
Was this
answer
helpful?
Yes
No
Friday, January 18th, 2019 AT 6:23 PM (Merged)

Please login or register to post a reply.