Transmission is slow in shifting from 2nd to 3rd?

Tiny
RLBSTOCKTON
  • MEMBER
  • 1996 GMC C2500
  • V8
  • 2WD
  • AUTOMATIC
  • 270,000 MILES
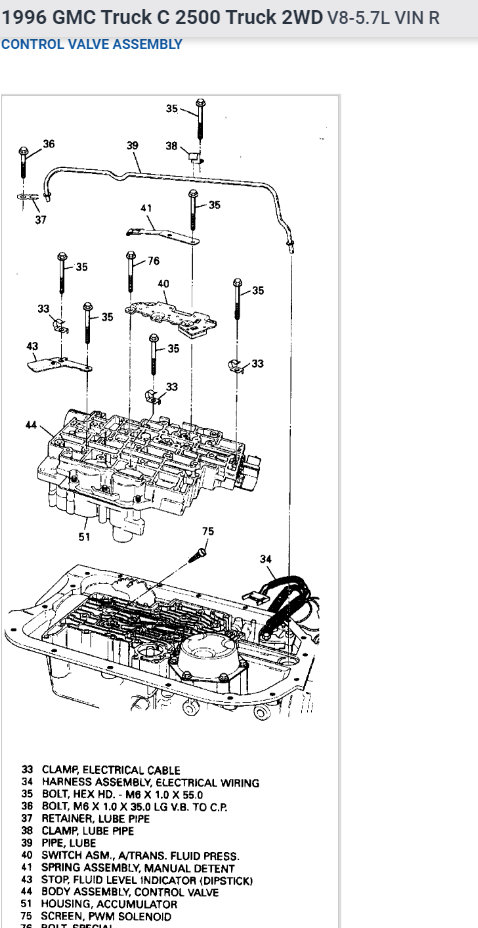
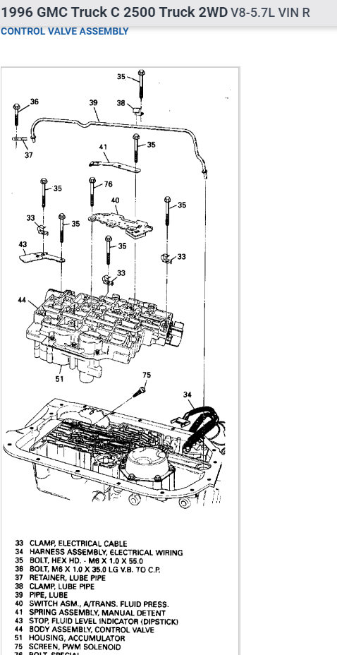
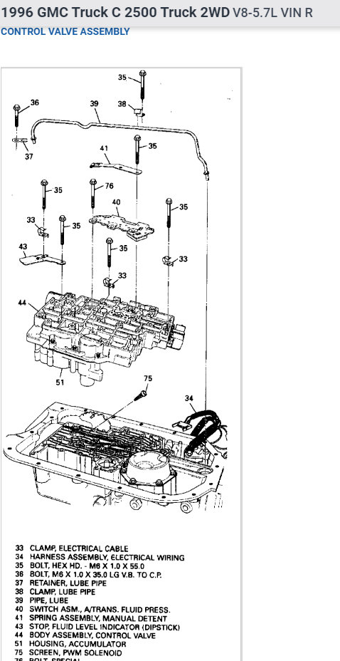
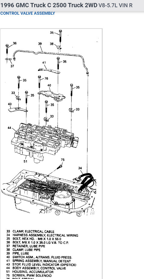
Instructions for replacing 2-3 shift solenoid. OBDII code P0756 (4L80-E) Transmission is slow in shifting from 2nd to 3rd. Occasional MIL lights up and wont't shift to 3rd. Turn ignition off, restart and will then shift. Have changed fluid and filter.

Transmission was replaced with rebuilt at 145000 miles. Now have 270000 miles on vehicle.
Monday, July 25th, 2011 AT 12:27 AM

1 Reply

Tiny
SQM
  • MECHANIC
  • 6,383 POSTS
Hello,

I have attached the shift solenoid replacement procedure below.
This will require you to remove the valve body and access the shift solenoids.

https://www.2carpros.com/articles/automatic-transmission-problems

Please let me know if you have any questions.
Thank you.
Was this
answer
helpful?
Yes
No
Thursday, December 16th, 2021 AT 8:22 PM

Please login or register to post a reply.