Tuesday, November 30th, 2010 AT 1:06 PM
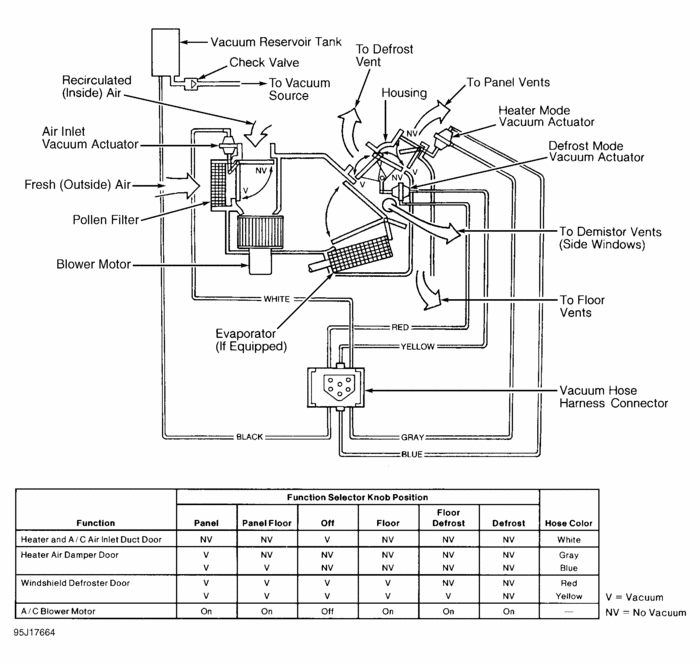
Have a 96 ford contour, the only heat that comes out is the windsheild and it blows you out, none on floor or vents, how come, my legs get cold. Lol


