Sunday, June 26th, 2011 AT 4:16 PM
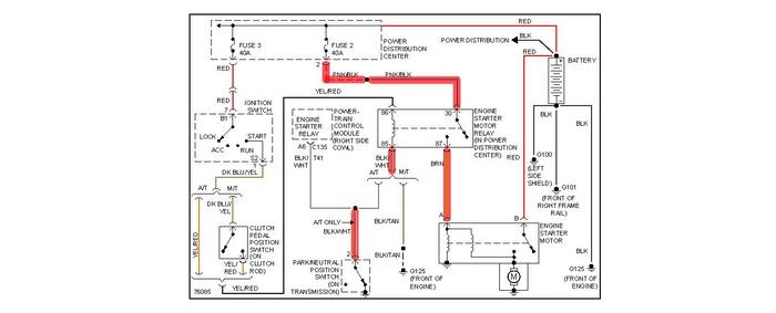
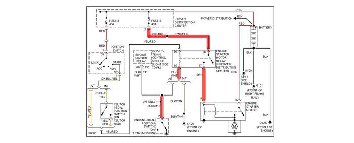
I have a 1996 Dodge ram with a 5.2L v8 auto. And it wouldnt start earlier this week. I have since tested the battery (Good), tested the Alternator (Good), was told the starter was no good, so I replaced it, twice, because the first re manufactured one had a bad solenoid. I have tested (with a multi-meter) all of my fuses and relays. I have tested the positive wire going to the starter, I have tested the truck for grounds, I have replaced the ignition switch, and when I turn the key, all I hear is the fuel pump engage and an audible "CLICK!" From the solenoid. No turning from the starter motor at all. I DID test the starter before I put it in (I hooked it straight up to a battery, it engaged and spun.) I AM LOST! Help please. Asap.


