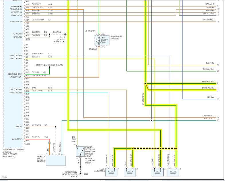
That little of voltage won't turn the test lamp on. Now, is that the green/orange wire? Also, if the fuse is removed, no power will be present. I looked at your last pic and see the green/orange wire. Is that broken?
Joe
Was this helpful?
Yes
No
+1
Monday, January 2nd, 2023 AT 5:08 PM








