Monday, June 11th, 2018 AT 9:51 AM
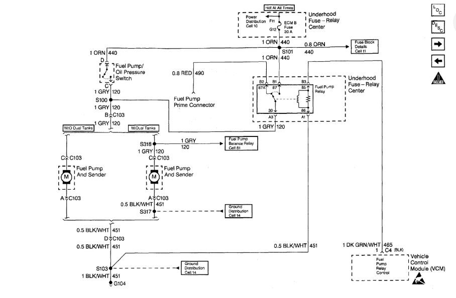
I bought this vehicle about six months ago. I have no idea of how it was maintained before, but it would appear it was not maintained at all. It sat for about a year before I bought it. It did start and run when I bought it, but it had a loud knock. It had a spun piston bearing so I rebuilt the engine. It will not start since I put it back in. I replaced the distributor including cap and rotor, the coil, plugs and wires, crank position sensor, knock sensor, spider injection, fuel filter, fuel pump, battery. The engine turns over fine and I have spark. I checked at the coil and one of the plugs and it appears good. I do not have fuel pressure. When I turn the key, I hear and feel the relay and hear the pump for three seconds. The fuel pressure is very very slowly rising to only about 10-psi. I know I need around 60-psi to start. I have tried putting a small amount of gas directly in the intake and it still will not start. I need help please! Thank you in advance!


