Car problem

Tiny
SONY1VAIO
  • MEMBER
  • 1996 BUICK SKYLARK
  • 4 CYL
  • FWD
  • AUTOMATIC
Took starter off had it checked it's ok but the car isn't getting power
Sunday, February 27th, 2011 AT 6:11 PM

1 Reply

Tiny
HMAC300
  • MECHANIC
  • 48,601 POSTS
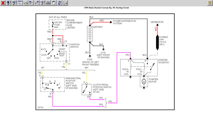
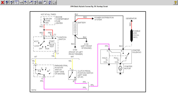
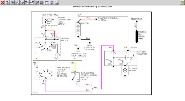
Check to see if the cable is good. It may be bad, then check for fusible links that are burnt out. Check out the large fuse in the underhoood electrical center. I'm including the drawing of the circuit.
Was this
answer
helpful?
Yes
No
Saturday, March 5th, 2011 AT 12:46 AM

Please login or register to post a reply.