Monday, December 26th, 2022 AT 11:35 PM
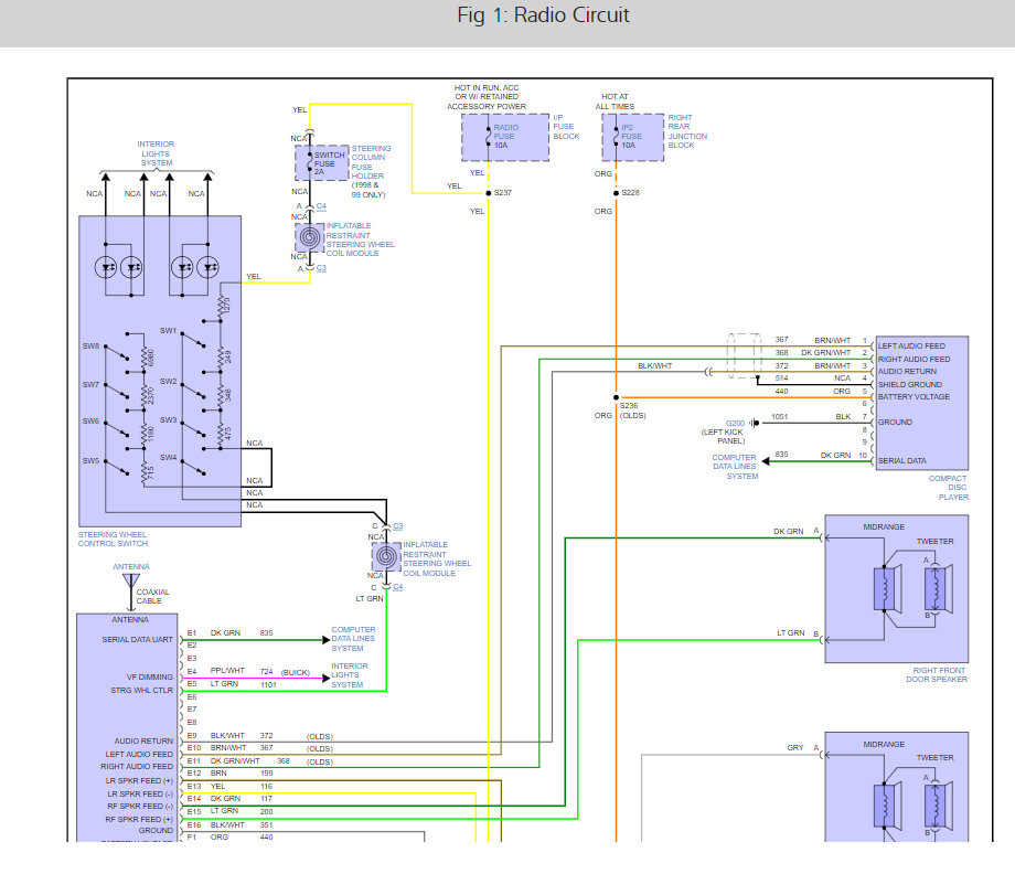
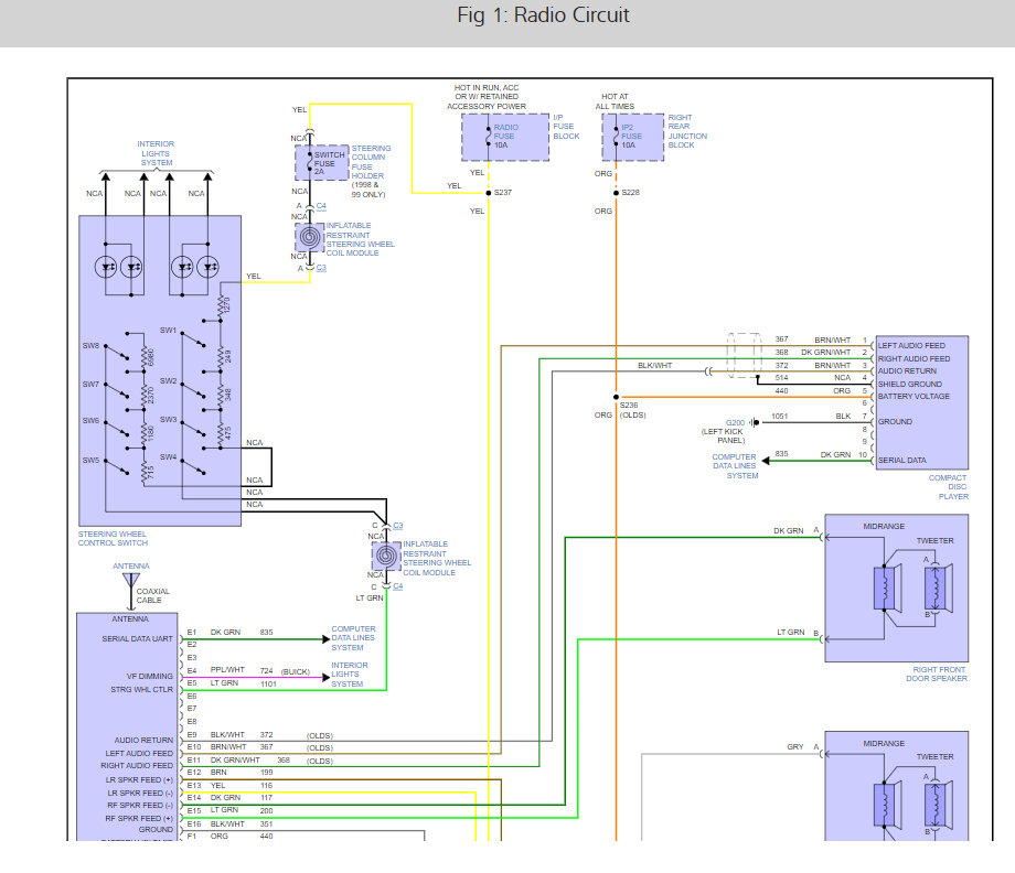
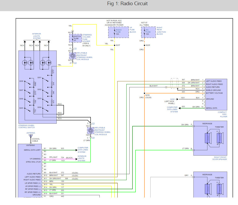
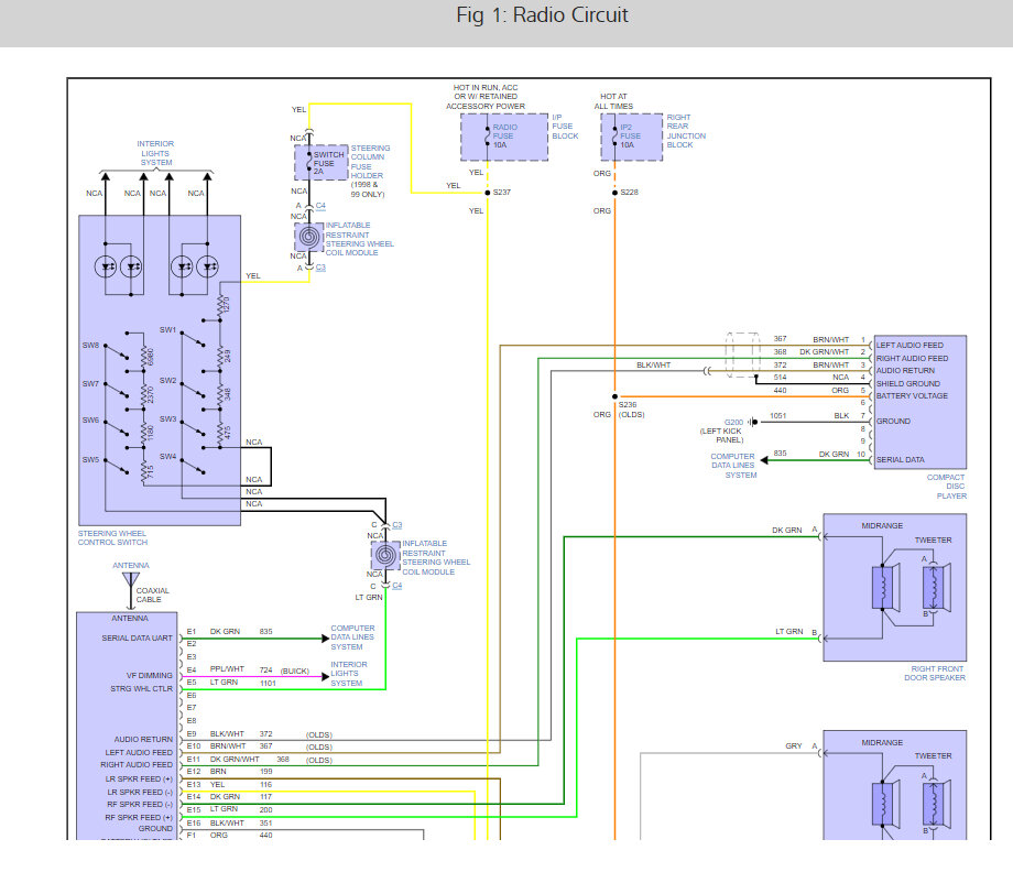
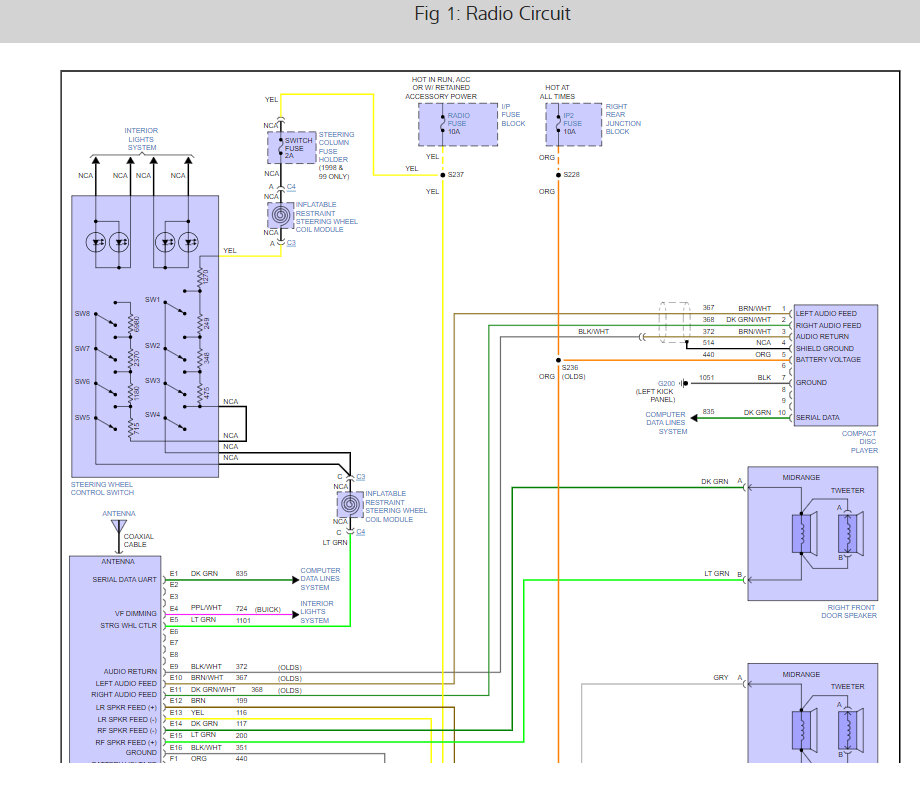
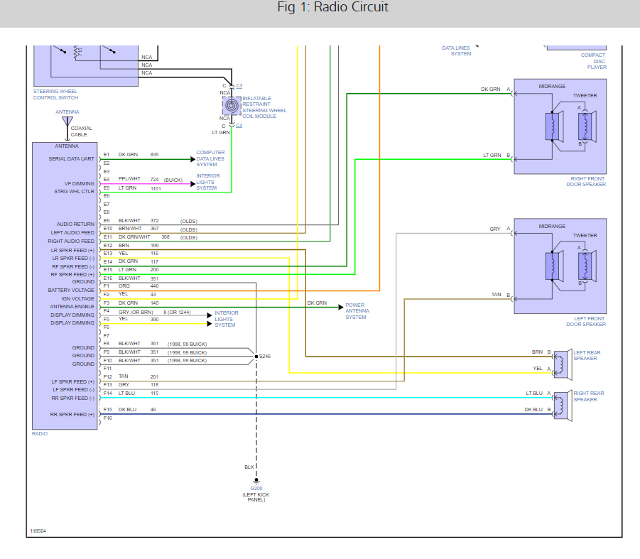
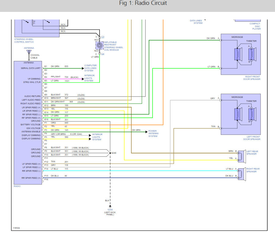
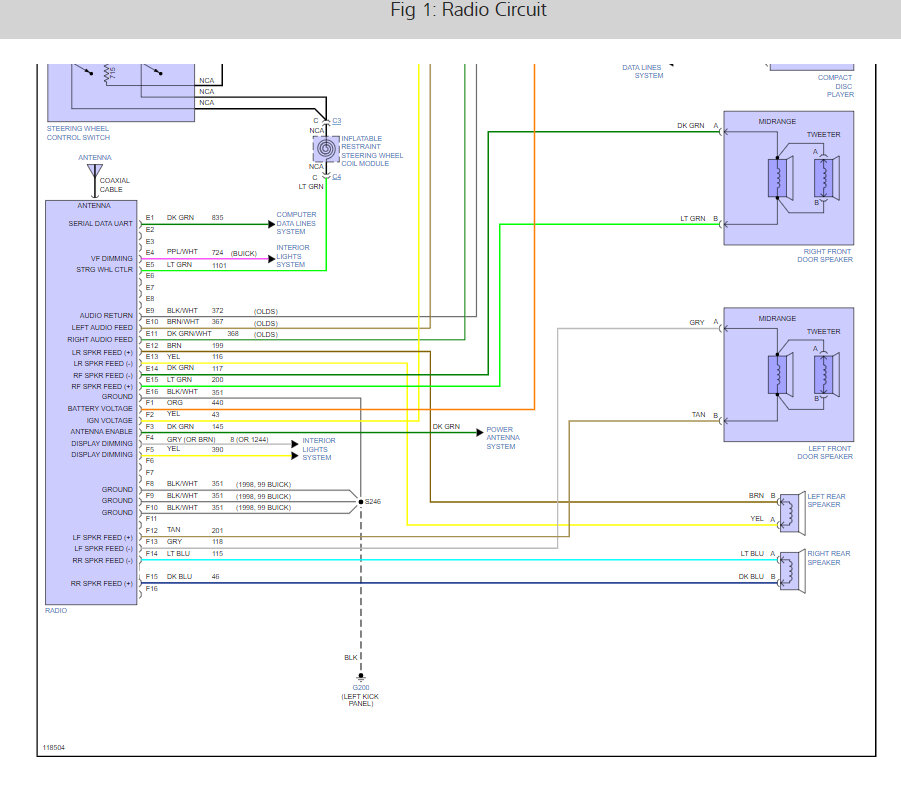
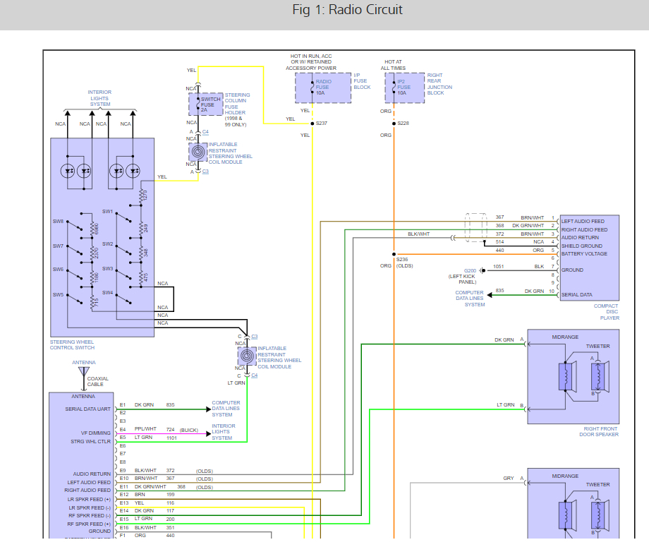
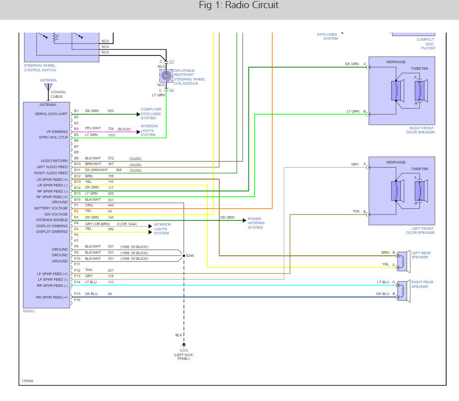
I am looking for a diagram to show the wires on the 32pin connector going to the radio in order to find the proper wires that come from the steering wheel controls to the radio. The module I have requires I input the specific resistance values (ohms) into the module program in order to flash it for the vehicle.

