1995 Plymouth Grand Voyager 3.3 Code 41 charging system circuit not responding to control signal

Tiny
ET
  • MEMBER
  • 1995 PLYMOUTH VOYAGER
  • 138,000 MILES
Battery is good and a new alternator has been installed, original did check bad. As soon as new alternator was installed, started the engine and dash voltage was reading 11 - 12. Drove it to parts place, they verified not charging. Drove back to house to replace the new one, son unhooked battery and it stayed running, I checked the dash and it read charging 13 - 14. A few hours later it wasn't again still setting in the drive. Unhooked battery cable while engine running and it immediately died. I can't find anything wrong, what do you suggest. Parts house has no suggestion, besides taking the new one off to replace, but after off and it checks good on their system, they won't replace it. I would gladly donate for help, but the new alternator took what I have at the moment.
Friday, December 9th, 2011 AT 11:16 PM

25 Replies

Tiny
JACOBANDNICKOLAS
  • MECHANIC
  • 110,192 POSTS
If the alt is good and charging at times and not others, make sure all wiring to it is in good condition, tight, and clean. Same with the battery wiring. If that all looks good, check the fuseable link between the battery and the alt. It may be in the process of going bad. If it is, the alt can't charge the battery.
Was this
answer
helpful?
Yes
No
-1
Friday, December 9th, 2011 AT 11:19 PM
Tiny
ET
  • MEMBER
  • 12 POSTS
Where is the fuseable link, nothing I have shows a fuseable link.
Was this
answer
helpful?
Yes
No
-1
Friday, December 9th, 2011 AT 11:46 PM
Tiny
JACOBANDNICKOLAS
  • MECHANIC
  • 110,192 POSTS
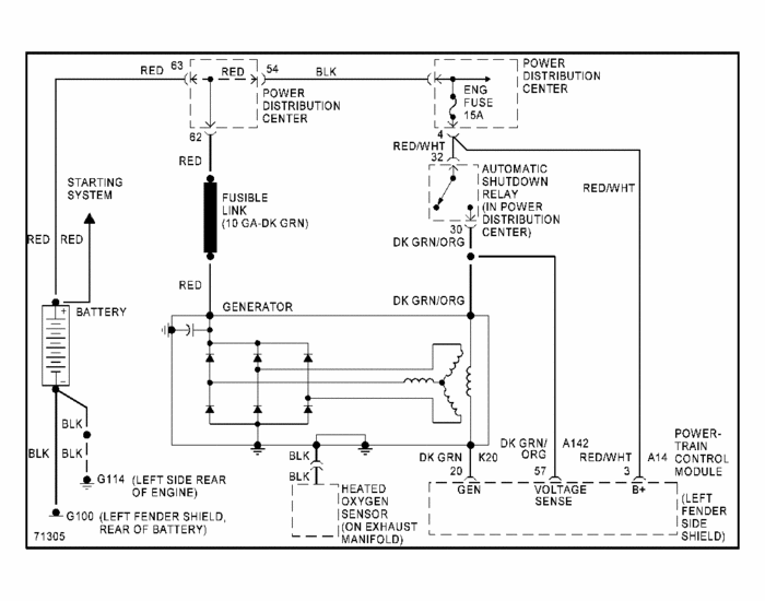
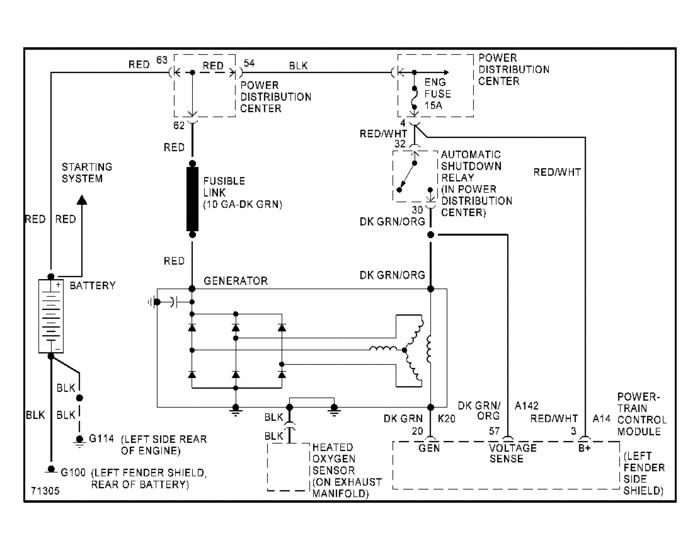
See attached
Was this
answer
helpful?
Yes
No
+1
Friday, December 9th, 2011 AT 11:54 PM
Tiny
CARADIODOC
  • MECHANIC
  • 34,463 POSTS
Hi guys. Excuse me but I have to stick my nose in here and tell you to NEVER EVER disconnect the battery while the engine is running. That was a trick done many years ago by mechanics who didn't understand how these simple systems work. The battery is the key component in maintaining system voltage to a safe level. The voltage regulator can't do it by itself. Without the battery in the circuit, if the alternator is working and you raise engine speed, system voltage can easily exceed 30 volts and destroy every computer on your van and the diodes inside the alternator. I did that every year, on an alternator test bench, to prove to my students how dangerous doing that is. My '95 Grand Caravan has an Engine Computer, Body Computer, anti-lock brake computer, and automatic Transmission Computer, along with the radio and instrument cluster which could also be damaged. That's a huge potential repair bill and not worth the risk.

As for the fusible link Jacobandnickolas mentioned, it's plugged into the smaller positive battery cable. If it's bad, you'll find a higher voltage, (possibly as high as 30 volts) on the alternator's output terminal, but closer to 12 volts on the battery, while the engine is running. You should also measure full battery voltage on the alternator's output terminal with the engine off, but that's only a valuable test for a hard defect that's always there. For an intermittent problem like yours, that test is of no value and it won't be accurate because every strand of wire could be corroded apart but as long as there's a hint of carbon-tracking or corrosion in there, the voltmeter will pick that up and incorrectly show a good circuit. There's no way the alternator's 90 amps is going to get through that corrosion though.

A common intermittent problem is a corroded connector pin between the alternator and the voltage regulator which lives in the Engine Computer. The voltage regulator circuit is extremely reliable and trouble-free so the computer should be the very last thing to suspect.

Along with that voltage on the alternator's output terminal, all diagnostics can be done by measuring the two voltages on the two smaller wires. They're held on with two small nuts holding tabs coming out of a small black plastic block. Those two voltages must be measured with the engine running. One will have full battery voltage. The other one must have less but not 0 volts. Be aware a lot of incorrect "0 volts" are read due to those nuts being rusty so be sure your meter probes are making good contact. 0 volts on the second terminal means the brushes are worn. That always starts out as an intermittent problem and is most likely what happened to yours. I just changed them on my alternator for nine bucks a few weeks ago. If you read exactly the same voltage on both small wires, there's a break in the wire going to the Engine Computer / voltage regulator. If you find somewhere between 4 - 11 volts on the second wire, that entire circuit is working. If it still isn't charging, the problem is in the output side of the alternator or that fat wire going back to the battery.

I broke a lot of brushes to create "bugs" that I could switch in and out for my students to diagnose, and after the first '91 - 95 Caravan, I proved those brushes could be replaced without removing the alternator from the engine, at least with the 3.3L engine. Should you ever run into this again, I can post photos of the procedure.

Oh, one more observation. Your fault code 41 is only set when no current is flowing through the brushes and voltage regulator. If the defect is in the diodes or any other part of the alternator's output circuit or wiring, no code will be set even though the charging system isn't working. There's the low-current input side that creates the magnetic field, and the high-current output side that the charging current is "induced" in. The computer only monitors the low-current side.
Was this
answer
helpful?
Yes
No
+6
Saturday, December 10th, 2011 AT 12:28 AM
Tiny
ET
  • MEMBER
  • 12 POSTS
The alternator is new so no worn brushes but I plan to test everything else that you suggested. Thanks for the information.
Was this
answer
helpful?
Yes
No
Saturday, December 10th, 2011 AT 2:53 AM
Tiny
ET
  • MEMBER
  • 12 POSTS
I don't know how I would be, but unless I'm checking the output from the alternator incorrectly. There is no output from any of the three areas you suggested me to check at the alternator with the engine running. The battery reads between 11 & 12 volts.
Was this
answer
helpful?
Yes
No
Saturday, December 10th, 2011 AT 8:07 PM
Tiny
CARADIODOC
  • MECHANIC
  • 34,463 POSTS
You'd have to have two totally different unrelated problems if you're not seeing voltage on the output terminal AND either of the smaller wires.

Be sure your test light's ground clip or voltmeter's probe is on the battery negative cable, then touch the other probe to the positive cable. If you measure 12 volts or the test light lights up, you'll know the ground on the negative post is making good contact. Now move the probe from the positive post to the large output wire bolted to the back of the alternator. If you don't find voltage there, scratch the probe on the nut in case there's some rust on it. If there's a protective rubber cap on that wire, you have to push it aside. (Sorry for stating the obvious, but I did run into someone once who didn't understand you can't measure through an insulator).

The voltage on the smaller alternator wires comes from the automatic shutdown (ASD) relay. That relay also feeds the coil pack, injectors, oxygen sensor heaters, and fuel pump. We know that relay is working because the engine runs. Only two things then will prevent you from finding voltage on at least one of those small wires. There's a break in that wire, or more likely a corroded splice where it connects to the wire going to the coil and injectors, or there's a thick coating of rust on the nuts and your probe isn't cutting through it to make a good contact. I recently replaced the brushes on my '88 Grand Caravan and had a miserable time getting a reading with my voltmeter, and then to verify the open circuit with my ohm meter. I kept finding no voltage on the second wire, indicating worn brushes, but I also kept finding 0 volts on the feed wire leading me to the wrong conclusion. It wasn't until I finally removed those nuts and measured right on the shiny studs that I had confidence in my readings. I REALLY had confidence I had found the problem after I unbolted the brush assembly and found one of them completely gone!

If you still don't find voltage anywhere on the alternator, move the positive probe to the dark green / orange wire in the coil pack connector or any injector to check for voltage. Again, this must be done with the engine running. Back-probe through the connector's rubber seal by sliding the probe right alongside the wire until it goes in about a half inch and touches the terminal. We know there HAS to be voltage there, otherwise the engine wouldn't be running. If you don't find voltage, something is wrong with the way you're testing or with the connections. If you DO find voltage there but still not at any alternator terminal, scratch like a chicken on the nuts to be sure rust isn't preventing a good connection.
Was this
answer
helpful?
Yes
No
+2
Saturday, December 10th, 2011 AT 8:46 PM
Tiny
ET
  • MEMBER
  • 12 POSTS
The alternator is new and the new nuts came with it, although I have actually touched the positive probe to the stud that has the nut around it. Wouldn't the coil pack, injectors and so on continue to work off the battery power, that is until it's too low as it was when the vehicle died on me on the way to work the other day? I will retest trying to use the same ground with battery and the 3 different connections on the alternator. What about unhooking the wires going to the alternator and testing the 3 spots of it, could the wires themselves or what they connect to cause a dead short so nothing shows when testing? Also to update, the only time this new alternator has shown charging on the dash gauge, is the one time mentioned in the original message. Maybe it is actually a bad (new) alternator? Sorry for going in so many directions but I am at a loss and it is cold outside. :)
Was this
answer
helpful?
Yes
No
Saturday, December 10th, 2011 AT 9:45 PM
Tiny
ET
  • MEMBER
  • 12 POSTS
The ground was my first problem. I found a place on the alternator bracket that I used to see the battery had power. The main wire to the battery and the closest to it (small stud)shows output while the motor is running but the other didn't move the hand of the volt meter at all. From your above that would say worn brushes (even though new alternator). All of this testing isn't accurate due to my volt meter. I have realized it only has settings for 10, 250 & 500. (I guess mainly for AC, batteries and ohms) I guess I have been wasting your time. Going to see if I can find and borrow a better volt meter to accurately do your tests.
Was this
answer
helpful?
Yes
No
Saturday, December 10th, 2011 AT 10:10 PM
Tiny
CARADIODOC
  • MECHANIC
  • 34,463 POSTS
I'm in Wisconsin, and I agree, it's cold, darn it!

You're right about the coil and injectors running on battery power until it goes dead, but one of the small alternator wires is connected to the same wire so it has to have voltage at the same time unless there's a break in it after the splice. That entire circuit only has voltage with the engine running.

The fat output wire bolted to the alternator must have voltage all the time, engine running or not. If it doesn't, there is a break in that wire between the alternator and battery positive terminal. I can't remember if it is bolted to the under-hood fuse box or if it goes straight to the battery. When I get brave enough to go outside, I'll pop the hood on my '95 and look. When large wires are bolted to a stud on the fuse box, it is real common for them to work loose and arc or burn a ring around that stud and make an intermittent connection. More commonly that causes everything in the van to be intermittently dead, along with a no-start condition, but it depends which connection is loose. There's usually two studs with cables.
Was this
answer
helpful?
Yes
No
+1
Saturday, December 10th, 2011 AT 10:25 PM
Tiny
CARADIODOC
  • MECHANIC
  • 34,463 POSTS
Can you post a photo of your meter? If it has ohms, it most likely has DC volts too. What I have to do for things I draw in MS Word is to copy and paste it into MS Paint, then when I save it, I have to click on "JPEG" in the "file type" drop-down menu. I haven't tried posting photos yet but I think they will already be saved as a JPEG file. I used to get error messages when I tried to post non-JPEG files.

If you do need a different meter and have a Harbor Freight Tools store near you, they have a perfectly fine one that's always on sale for around $6.99 and sometimes as low as $2.99. Due to the nature of the circuit we're working in, a test light will often be more accurate, not in measuring the specific voltage, which will come later, but in determining whether or not there is SOMETHING there. Walmart, Sears, Radio Shack, and any auto parts store will also have meters but you're going to pay for features you'll never use. I have over a dozen digital meters that I use for tv and car radio repair, and only one cost more than 40 bucks. That expensive meter has fewer functions than my cheap meters; it's just much more accurate.

Most meters have voltage ranges that go by "2", "20", and "200" steps. That means if you set it on the "20" volt DC scale, it will read anything up to 20 volts with at least one decimal place accuracy. When you verify charging system operation later, you'll need that tenth of a volt. There are a few hard-to-find meters that have "1", "10", and "100" volt scales. The ten volt scale will give the same accuracy but it will go "over range" when it measures more than 10 volts. It won't hurt the meter, but that means to get a reading you have to switch to the "100" volt scale, then you lose that decimal place of accuracy. Most meters have the "2, 20, 200" volt scales.

I just looked at my van. There are indeed two studs on the front of the fuse box. The one closest to the inner fender connects right to the battery positive. The other one goes to the alternator output terminal. If you follow that fat red wire, you'll come to the dark green fuse link that's spliced in. It's right behind the battery tray, in the middle, and an inch below it. I checked in the service manual, and it looks like that fuse link doesn't connect to anything else in the vehicle other than the alternator, so nothing else would be affected if that link was burned open. To test it you have to tug on it. If it acts like a wire, it's okay. If it acts like a rubber band, it's burned open and must be replaced.

Those fuse link wires are really tough, and the splices are sealed in waterproof heat-shrink tubing so they aren't likely to corrode. To cause one to burn open, at least two of the six diodes in your old alternator would have to have shorted, (not very likely), or the output terminal touched ground while the battery was still connected. Using a wrench to loosen the nut, and the wrench touched the metal mounting bracket would do it, but first you'd see lots of sparks there.

The fuse link is a regular wire but it's smaller in diameter than the rest of the wire so it's the weak link in the chain. In addition, the insulation is designed to not burn or melt. For that reason they must not be replaced with a regular wire of the same gauge. You can buy new fuse link wires from auto parts stores or the dealer. One person demanded to know the current rating before going to the store, but I've always bought them according to color of the insulation. No salesman ever asked me what current rating I wanted. You'll get a piece of wire long enough to be cut for multiple repairs. You don't have to put the whole piece in.

Since your new alternator worked for a little while, it's highly doubtful the fuse link is burned open. I really suspect with a good meter or a test light you're going to find voltage on the output terminal.
Was this
answer
helpful?
Yes
No
+1
Saturday, December 10th, 2011 AT 11:03 PM
Tiny
CARADIODOC
  • MECHANIC
  • 34,463 POSTS
Oops. Did I read that right that you found voltage on the output terminal and only one small nut? If so, which nut, the one toward the front or rear of the van? There's no quick way to tell which small nut has the battery voltage applied, (other than a neat trick I taught my students), because both wires go through that black plastic block, and you can't tell which wire bolts to which stud. Once I know which is the 12 volt stud, I'll mark that in the service manual for future reference.

You CAN tell which is which when the system is working properly. We'll get to that later. When there's a break in the second small wire that goes to the voltage regulator, you'll find exactly the same voltage on both of them. Not to add more unnecessary confusion to this story, but as a mechanic needing to give his customer an estimate, it is highly desirable to make sure everything else in the system is working. That means performing a "full-field" test to verify the alternator is okay or identify that a new one is needed too. The full-field test involves grounding one of those two small wires but it's critical that you don't ground the wrong one and cause more damage. My trick will identify the correct wire to ground only when there is the exact same voltage on both of them.

It does sound like you have open brushes. The fellow who sold me the new ones for my '88 told me to check if the slip rings the brushes ride on were black, and indeed they were, and needed to be cleaned up with sandpaper. I'm sure the people who rebuilt the alternator you bought are aware of that too, but you never know if the person doing the rebuilding was hung over that day! Also, worn brushes are real common, and about the only thing that goes wrong with these Nippendenso alternators, so if you got one from a salvage yard, there's a real good chance it has the same problem as your old one.

One more test you might consider will tell you if you just got an erroneous 0 volt reading on the second small wire. If you can find the gray 10-pin connector behind the battery, you can back-probe the two small wires through the rubber seal. Those terminals will be clean and shiny and you'll have better luck getting a good meter connection. There might be two gray connectors, I can't remember. They have two rows with five wires in each row. In one corner will be a dark green wire with an orange stripe. THAT'S the wire that feeds the first small alternator wire, along with the coil pack and injectors, and you'll find 12 volts there. You want the dark green wire with no stripe in the other corner, same row of pins. That one is supposed to have less than 12 volts but not 0 volts. 4 - 11 volts is normal. Check that wire on both sides of that connector. Right there is a good place to find corrosion on those connector pins. If that's the problem, you'll find the same voltage on one side as you found on the dark green / orange wire, and you'll find 0 volts on the other side of the connector.

If you still find 0 volts on that dark green wire, it is either cut between the alternator and that connector, or the brushes really are open.
Was this
answer
helpful?
Yes
No
+1
Saturday, December 10th, 2011 AT 11:30 PM
Tiny
ET
  • MEMBER
  • 12 POSTS
I haven't read all your post yet, but I now have a better volt meter and this is what I just got. Battery read 11.87, at large wire on alternator 11.81, small post toward rear 11.78, front post 0 and back to the battery 11.81 all while engine running.
Was this
answer
helpful?
Yes
No
Saturday, December 10th, 2011 AT 11:55 PM
Tiny
ET
  • MEMBER
  • 12 POSTS
"back to the battery". I was meaning that I re-tested the battery again.
Was this
answer
helpful?
Yes
No
Sunday, December 11th, 2011 AT 3:24 AM
Tiny
CARADIODOC
  • MECHANIC
  • 34,463 POSTS
That clinches it. I always second-guess myself when the answer seems too obvious, but the brushes are open inside the alternator. You can verify that with the engine off and performing a continuity test on them. Set the ohm meter to the lowest ohms scale, usually listed as "X1". When you put the meter probes together, it will read "0" or very close to it. You'll actually be reading the resistance in the leads themselves which could be two or three ohms. Now put one probe on each small wire. The typical reading will be around four to six ohms higher. To add to the confusion, the brushes are made from carbon and don't always make good contact when the rotor isn't spinning, so it is often necessary to "irritate" them a little by tugging on the belt to turn the pulley just a tiny amount.

If you still come up with an open circuit, my best guess is one of the brushes wasn't fully seated in its holder when they installed the assembly, and it got caught where it made just enough contact to pass their tests, then it completely broke off after you installed it. That brush could also have broken off right away and the spring that pushes on it was all that was making contact until it wore away. In any case, you should have no trouble proving it is defective and getting a replacement.
Was this
answer
helpful?
Yes
No
+1
Sunday, December 11th, 2011 AT 4:01 AM
Tiny
ET
  • MEMBER
  • 12 POSTS
Took the new alternator off and back to the parts house, with your help knowing I needed another. Of course they checked it as it's highly unlikely that the new one is bad, "you've got something else wrong, a bad wire or something." As I looked over his shoulder, it failed 3 times before they stopped trying. They checked the second new one before I left the building. :)
I put it on and immediately checked it as you have taught me. I got 14.02 at battery, 14.68 at main output of alternator, 14.40 at back small wire & 10.4 at front small wire. The dash gauge shows 13+. Thank you so much, this was a cold, stressful few days. Anyway of contacting you directly? 24 year old son asked me to tell you that you are the bomb.
Was this
answer
helpful?
Yes
No
+2
Sunday, December 11th, 2011 AT 10:17 PM
Tiny
CARADIODOC
  • MECHANIC
  • 34,463 POSTS
All right! One in a row. Happy to read it's fixed. Had I found 0 volts on that second wire with a new alternator, I would have assumed I was doing something wrong, but sometimes we just have to believe the measurements.

As one very sharp Chrysler instructor used to say in her classes, "we not only sell you new parts, we sell them to you pre-broken".
Was this
answer
helpful?
Yes
No
+1
Monday, December 12th, 2011 AT 7:46 AM
Tiny
ET
  • MEMBER
  • 12 POSTS
OBD code #11
The van has died while driving down the road, has started right back but the last two times it took awhile to start back. What causes this code and is it the reason it has died?
Was this
answer
helpful?
Yes
No
Sunday, August 19th, 2012 AT 11:50 PM
Tiny
CARADIODOC
  • MECHANIC
  • 34,463 POSTS
Code 11 refers to a missing camshaft position sensor signal. If you have the 3.0L engine, suspect the distributor although that is a very low-failure item. If you have the 3.3L, the cam sensor is also a low-failure sensor. If you have the 2.5L, suspect the Hall Effect pickup assembly in the distributor. That is a very high-failure item and easy to replace.
Was this
answer
helpful?
Yes
No
+1
Monday, August 20th, 2012 AT 12:00 AM
Tiny
ET
  • MEMBER
  • 12 POSTS
It's a 3.3L. Advanced Auto has suggested the cam sensor, crank sensor & the Idle Air Control Value.
Was this
answer
helpful?
Yes
No
Monday, August 20th, 2012 AT 12:08 AM

Please login or register to post a reply.