HOME
ASK A QUESTION
REPAIR GUIDES
BECOME A MEMBER
LOG IN
Login with Facebook
OR
Remember me
NOT A MEMBER?
FORGOT PASSWORD?
CONTACT US
PRIVACY POLICY
TERMS AND CONDITIONS
☰
Home
Nissan
240SX
Engine
Timing Chain
Cover
Replace/Remove
Timing cover removing
VICS61
MEMBER
1995 NISSAN 240SX
4 CYL
2WD
AUTOMATIC
Removing the timing cover from 95 niss 240 (4 cyl) cann't get the cove lose. What can be holing it?
Saturday, December 18th, 2010 AT 7:25 PM
3 Replies
DOCFIXIT
MECHANIC
18,828 POSTS
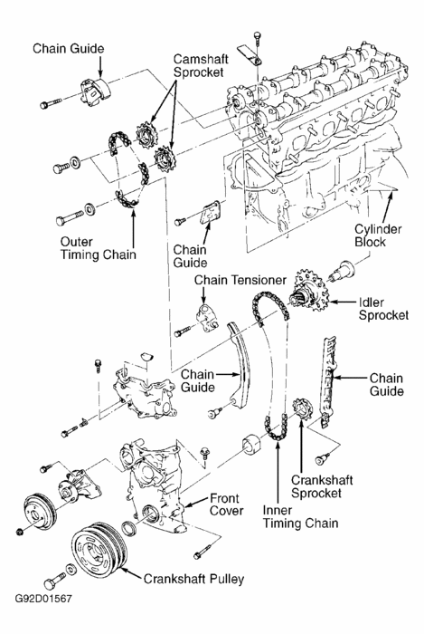
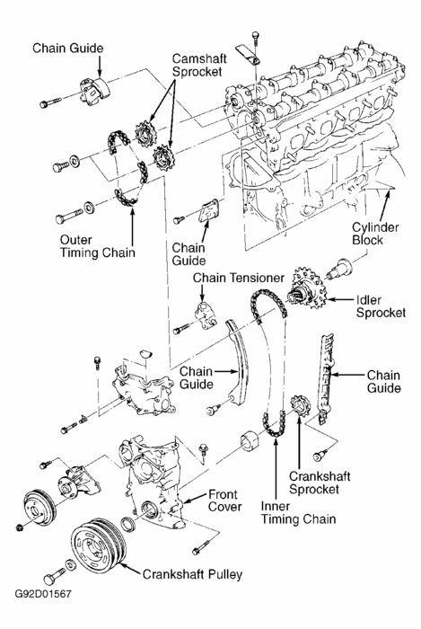
Problem with upper cover or lower?
Image (Click to make bigger)
Was this
answer
helpful?
Yes
No
Saturday, December 18th, 2010 AT 7:35 PM
VICS61
MEMBER
4 POSTS
Looking at the pic looks like both, lower one is stuck try plry its lose but wonn't come off
Was this
answer
helpful?
Yes
No
Tuesday, December 21st, 2010 AT 4:44 AM
DOCFIXIT
MECHANIC
18,828 POSTS
Upper cover MUST come off first and oil pan needs removal bolts from oil pan into cover
Was this
answer
helpful?
Yes
No
Friday, December 24th, 2010 AT 6:17 PM
Please
login
or
register
to post a reply.
Related Timing Chain Cover Replace/Remove Content
Timing Chain/belt Replacement
First, Does This Car Have A Timing Belt, Or Timing Chain? What Exactly Is The Difference? Also, How Often Does The Timing Chain/belt Need...
Asked by
df2014
·
9 ANSWERS
12 IMAGES
1995
NISSAN 240SX
1989 Nissan 240sx Fan Belts
One Of The Fan Belts Broke On My 89 Nissan 240sx; I Believe It's The One For The Ac Compressor. The Car Still Runs. Would It Be Safe To...
Asked by
240sx
·
1 ANSWER
1989
NISSAN 240SX
1989 Nissan 240sx Engine Swap
I Have A 1989 Nissan 240sx. It Has A 2.4 Liter Single Overhead Cam In It. I Want To Put An Engine Out Of A 1993 Nissan 240sx. This Engine Is...
Asked by
zbush
·
1 ANSWER
1989
NISSAN 240SX
1990 Nissan 240sx
My Problem Is That When I Start My Car And Go Its Fine Than In About A Minute Or Two It Starts Bogging And Loosing Gas Feeling Like Its Not...
Asked by
karol.mikulec
·
1 ANSWER
1990
NISSAN 240SX
1990 Nissan 240sx Nissan 240sx
I Have A 240sx With A Sr20det Engine Swap In It, But The Electrical System For The Most Part Is The Exact Same. My Problem Is That When I...
Asked by
twayne
·
1 ANSWER
1990
NISSAN 240SX
VIEW MORE
Ask a Car Question. It's Free!
Serpentine Belt Replacement Chrysler
How to Replace Serpentine Belt Toyota Prius
Serpentine Belt Replacement Ford Explorer