Headlights not working

Tiny
FLOORDUDE
  • MEMBER
  • 1995 JEEP CHEROKEE
  • 6 CYL
  • FWD
My headlights don't work.I replaced the fuse, headlight switch and headlights. What could it be?
Saturday, November 27th, 2010 AT 5:55 PM

40 Replies

Tiny
JDL
  • MECHANIC
  • 16,098 POSTS
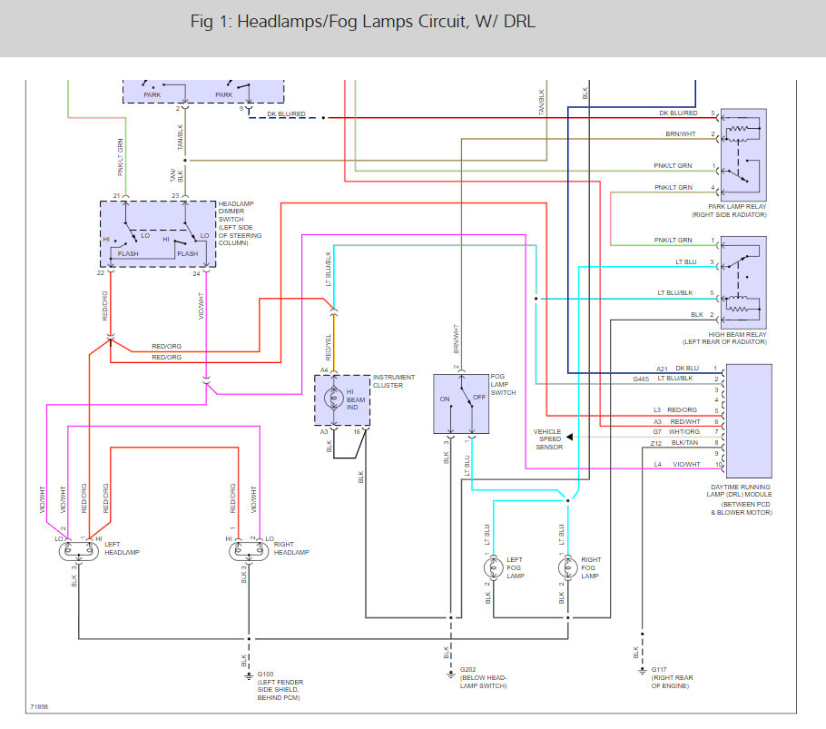
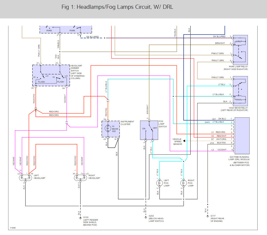
Can you see if you have power at fuse # 15 and 5 ? HEre is a guide to help and the headlight wiring diagrams so you can see how the system works.

https://www.2carpros.com/articles/how-to-check-a-car-fuse

Check out the diagrams (Below). Please let us know what you find.
Was this
answer
helpful?
Yes
No
+2
Saturday, November 27th, 2010 AT 6:43 PM
Tiny
FLOORDUDE
  • MEMBER
  • 9 POSTS
Yes. It's OK. Is their anyway to run a jumper wire to the headlights to see if the work? Or is their even anything else I can do?
Was this
answer
helpful?
Yes
No
-1
Saturday, November 27th, 2010 AT 9:40 PM
Tiny
JDL
  • MECHANIC
  • 16,098 POSTS
All I can do is track the voltage circuit and check ground. Did you check for voltage and ground at the headlamp assembly?
Was this
answer
helpful?
Yes
No
+2
Saturday, November 27th, 2010 AT 10:11 PM
Tiny
FLOORDUDE
  • MEMBER
  • 9 POSTS
Yes. With the headlight switch on, I have no voltage at the headlight plug.
Was this
answer
helpful?
Yes
No
-1
Saturday, November 27th, 2010 AT 10:22 PM
Tiny
JDL
  • MECHANIC
  • 16,098 POSTS
At the headlamp switch, do you have voltage at the red wire with orange tracer? Then, with headlamp switch on, the tan wire with black tracer should be hot, is it?
Was this
answer
helpful?
Yes
No
Sunday, November 28th, 2010 AT 5:23 PM
Tiny
FLOORDUDE
  • MEMBER
  • 9 POSTS
Yes I have voltage, but it is a red wire and blue tracer. Yes the brown and black wire is hot.
Was this
answer
helpful?
Yes
No
+2
Sunday, November 28th, 2010 AT 8:45 PM
Tiny
JDL
  • MECHANIC
  • 16,098 POSTS
Check the wiring at the dimmer switch. Tan wire with black tracer hot with the headlamp switch on. Violet wire with white tracer, also hot, carries voltage to headlamps.
Was this
answer
helpful?
Yes
No
Monday, November 29th, 2010 AT 2:00 PM
Tiny
FLOORDUDE
  • MEMBER
  • 9 POSTS
It is a red wire with a white tracer. Yes it is hot with the switch on.
Was this
answer
helpful?
Yes
No
Monday, November 29th, 2010 AT 3:24 PM
Tiny
JDL
  • MECHANIC
  • 16,098 POSTS
If the voltage circuits are all ok, check the ground at the headlamp connector, black wire. One way to check ground, is to use a testlite connected to battery voltage, touch to black wire terminal, with connector loose, if the lite comes on, the ground is good.
Was this
answer
helpful?
Yes
No
-1
Monday, November 29th, 2010 AT 4:00 PM
Tiny
FLOORDUDE
  • MEMBER
  • 9 POSTS
I checked the ground wire and the light came on
Was this
answer
helpful?
Yes
No
Monday, November 29th, 2010 AT 4:51 PM
Tiny
FLOORDUDE
  • MEMBER
  • 9 POSTS
The light did come on
Was this
answer
helpful?
Yes
No
-1
Monday, November 29th, 2010 AT 4:52 PM
Tiny
JDL
  • MECHANIC
  • 16,098 POSTS
What is the actual voltage reading at the lamp? If it shows system voltage at the lamp and you have good ground, I don't know?
Was this
answer
helpful?
Yes
No
Monday, November 29th, 2010 AT 5:18 PM
Tiny
FLOORDUDE
  • MEMBER
  • 9 POSTS
I found out it was the DRL module not allowing the lights to work. All fixed!
Was this
answer
helpful?
Yes
No
Monday, November 29th, 2010 AT 8:20 PM
Tiny
JDL
  • MECHANIC
  • 16,098 POSTS
Glad you could get it fixed, that kind of problem can be tough. Please use 2CarPros anytime we are here to help.
Was this
answer
helpful?
Yes
No
Monday, November 29th, 2010 AT 8:42 PM
Tiny
K.WALSH8
  • MEMBER
  • 2 POSTS
Hello, I have a 1998 Jeep Cherokee Sport and on my way home from work my headlights went out on me. My running lights and dash lights still work. It cant be the fuse because about 20 minutes after they went out they came back on for another 15 minutes before going back out. What could this be? Scariest drive of my life since I live in the mountains
Was this
answer
helpful?
Yes
No
+4
Sunday, February 23rd, 2020 AT 10:03 AM
Tiny
JOETECHPRO
  • MECHANIC
  • 705 POSTS
Hey K.WALSH8,

Can you please start a new thread with your vehicle question and we will get to helping you as soon as we can?

If you could follow the link below, fill out your vehicle details and fault description that would be great.

https://www.2carpros.com/questions/new

Regards, Joe
Was this
answer
helpful?
Yes
No
+1
Sunday, February 23rd, 2020 AT 3:53 PM
Tiny
BLUEYES410421
  • MEMBER
  • 6 POSTS
  • 1995 JEEP CHEROKEE
  • 6 CYL
  • 4WD
  • AUTOMATIC
  • 166,000 MILES
My head lights are not working, but my running lights come on. Also, the high beam switch won't stay on High beams, I can click it back and hold it in and the high beams stay on, but as soon as I let go they turn off. The result is I have no head lights, help please.
Was this
answer
helpful?
Yes
No
Wednesday, October 14th, 2020 AT 1:26 PM (Merged)
Tiny
WRENCHTECH
  • MECHANIC
  • 20,761 POSTS
That's not really high beams that you are switching on. That is the "flash to pass" feature and it works without the headlights being on. You need to start testing the circuit with a test light while following a wiring diagram to find out where you are losing the signal.
Was this
answer
helpful?
Yes
No
Wednesday, October 14th, 2020 AT 1:26 PM (Merged)
Tiny
BLUEYES410421
  • MEMBER
  • 6 POSTS
The "flash to pass" is on the turn signal thing and normally I can click that back and it will go to high beams, but it won't stay in the high beam position. The main problem is I don't have head lights unless I hold the "flash to pass" the whole time I am driving, so could that be a fuse causing the head lights not to work, or the headlight switch, or like you said wiring?
Was this
answer
helpful?
Yes
No
Wednesday, October 14th, 2020 AT 1:26 PM (Merged)
Tiny
WRENCHTECH
  • MECHANIC
  • 20,761 POSTS
Not likely but you should always test all the fuses first.
Was this
answer
helpful?
Yes
No
-1
Wednesday, October 14th, 2020 AT 1:26 PM (Merged)

Please login or register to post a reply.