Monday, November 5th, 2012 AT 5:56 PM
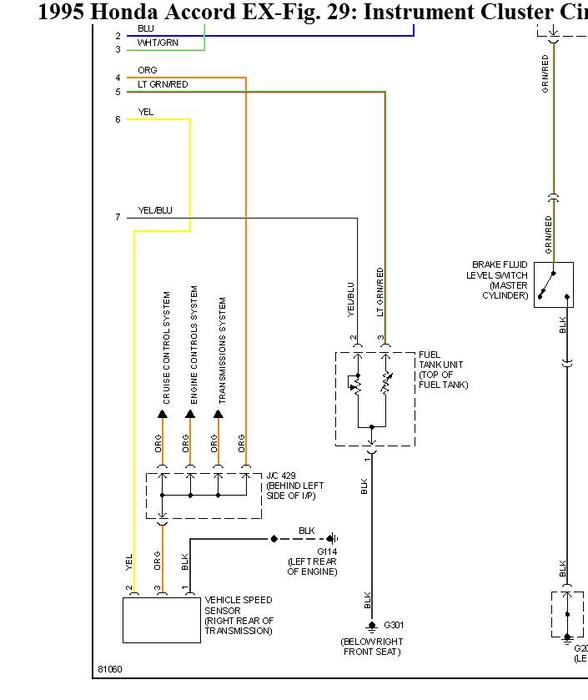
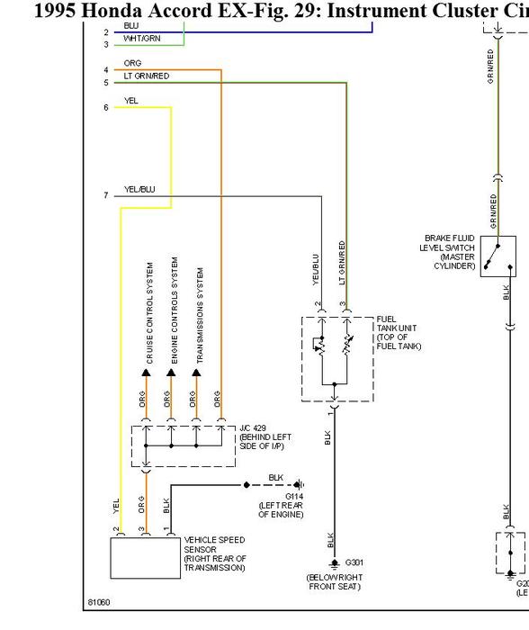
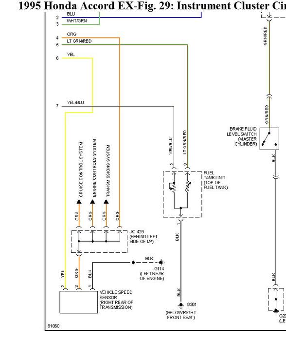
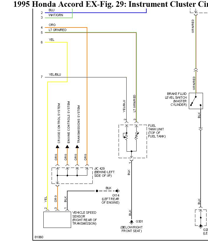
I have a problem with the speedometer. It does not work. Driving today and all of the sudden it kicked in for about a mile and then went dead again. I have changed the speed sensor and the cluster. I tested for power at the speed sensor clip and it is fine. I dont know how to trace the problem or how to test for the faulty connection. It has not triggered a CEL. I need help to fix





