Lighting

Tiny
DONS
  • MEMBER
  • 1995 HONDA ACCORD
  • 4 CYL
  • 2WD
  • MANUAL
  • 175,000 MILES
My headlights work but my marker lights dont, what could cause this? Replace light switch and a lighting relay under the hood.
Monday, January 10th, 2011 AT 5:46 PM

5 Replies

Tiny
KHLOW2008
  • MECHANIC
  • 41,814 POSTS
Did you test availability of power supply?

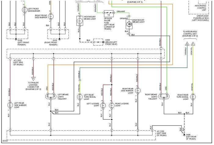
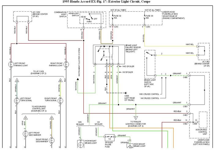
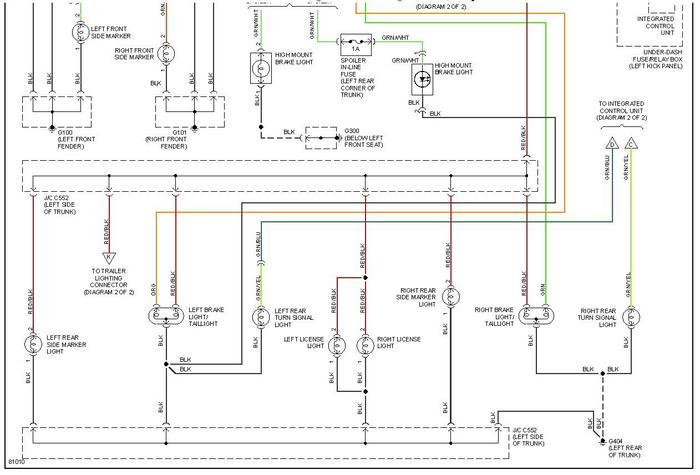
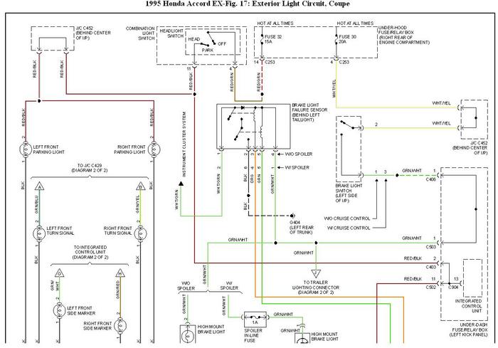
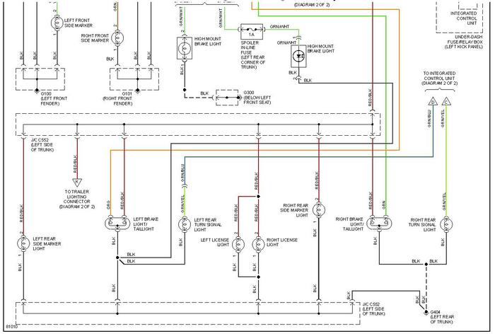
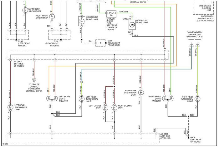
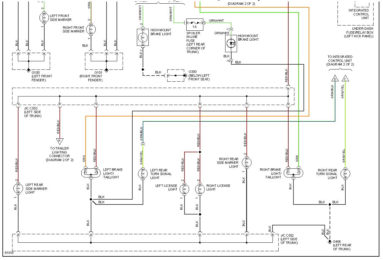
Attached are the schematic of the lights. Check the fuses as shown. Get a test lamp to check for powe supply, a DVOM to test continuity.
Was this
answer
helpful?
Yes
No
Monday, January 10th, 2011 AT 7:18 PM
Tiny
DONS
  • MEMBER
  • 3 POSTS
Witch one of them or all of the power supplies. They just quit working over night after I parked it.
Was this
answer
helpful?
Yes
No
Monday, January 10th, 2011 AT 7:35 PM
Tiny
KHLOW2008
  • MECHANIC
  • 41,814 POSTS
Start with checking the fuses first.
Was this
answer
helpful?
Yes
No
Monday, January 10th, 2011 AT 7:38 PM
Tiny
DONS
  • MEMBER
  • 3 POSTS
Checked them all a cou[ple of times and they are all good, tried wiggling the wiring harness under the dash but they still dont work. Looked for a possible short and still found nothing. Thanks for you help and the diagrams.
Was this
answer
helpful?
Yes
No
Monday, January 10th, 2011 AT 7:42 PM
Tiny
KHLOW2008
  • MECHANIC
  • 41,814 POSTS
Get a test lamp or DVOM. A test lamp would be easier for now.

At switch, test the Red/Green wire for battery voltage.
If voltage is available, test the Red/Black Wire for battery voltage.
If voltage is not available, test fuse # 32 for battery voltage at both ends of fuse. If battery voltage is available, there is an open circuit between the fuse and head light switch.
Was this
answer
helpful?
Yes
No
Tuesday, January 11th, 2011 AT 2:17 PM

Please login or register to post a reply.