Saturday, March 16th, 2013 AT 7:14 AM
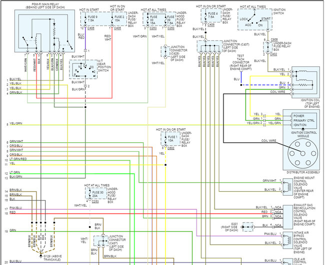
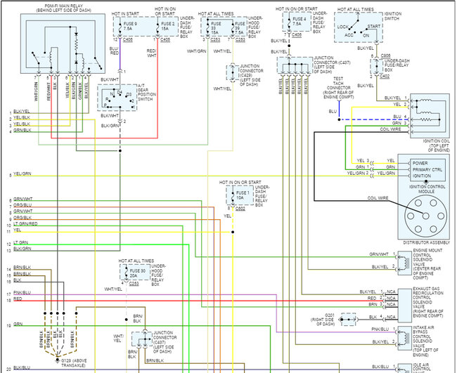
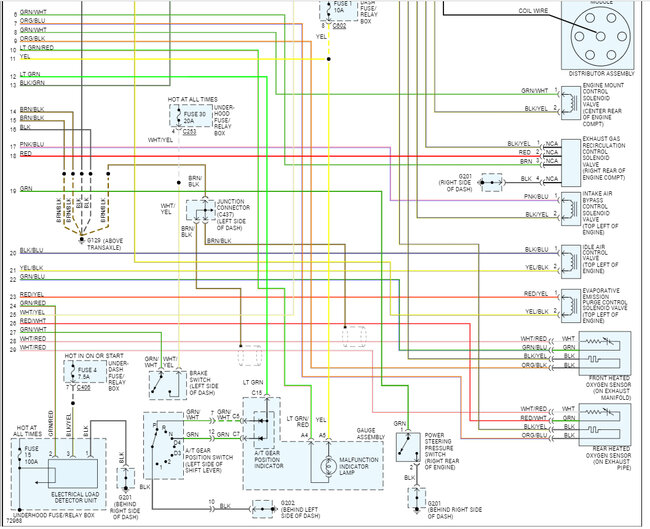
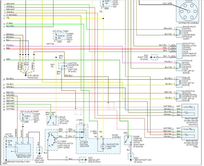
I have the EX model, 2.2l vtech, that I recently purchased. When I am driving it shifts normal, but if I try to accelerate to pass another driver it acts as if the rev limiter is going off at 4,000 rpm and will not shift but if let foot off gas it shifts it also will not go pass eighty mph without doing same thing. It has check engine light on, I pulled code it blinks four times. I went on Alldata it said it was code for crank position sensor. I went and found sensor in a pic-a-part sense they do not sell the sensor because it is in the distributor. I tried to reset ECM to get out of limp mode after started vehicle it was good then light turned on quickly after start up showing same code. If there is anyone that can help it would be really appreciated. I would like to know were I should go from here.








