Monday, January 13th, 2014 AT 6:52 PM
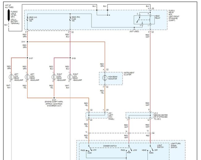
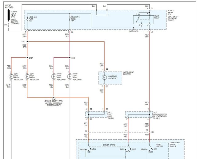
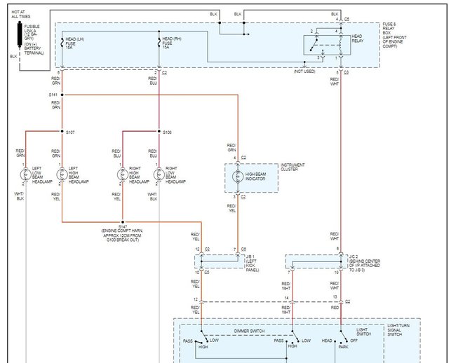
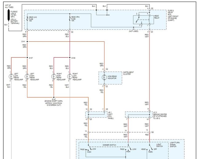
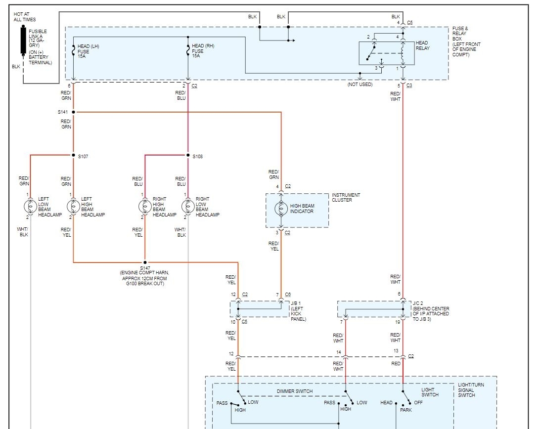
The car will not shut off when I turn the car off. My headlights will not turn. I change the bulbs and the fuses, relay switch. Still will not turn on. Air bag light on dash board stays on when the car is shut off.



