1995 Ford Taurus Radiator Replacment

Tiny
PETROFFJASON
  • MEMBER
  • 1995 FORD TAURUS
  • 6 CYL
  • FWD
  • AUTOMATIC
  • 160 MILES
Hi I have a 1995 ford taurus 3.0 se and I need to replace the rad, it looks fairly easy, but I could use a step by step guide to do this, I'm broke and can't afford a chilton is there a guide I could download and print? Any help will be appreciated thank you

Jason
Thursday, January 20th, 2011 AT 8:03 PM

2 Replies

Tiny
IMPALASS
  • MECHANIC
  • 3,112 POSTS
Hello â€

Not sure if you have your vehicle fixed yet.

Removal
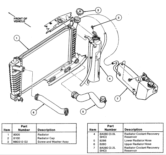
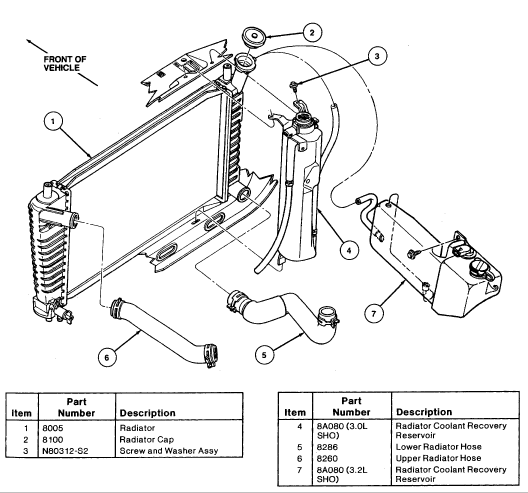
1. Drain engine cooling system by removing radiator cap and opening radiator drain **** located at lower rear corner of radiator inlet tank (8079). Three revolutions are required to open radiator drain **** to full open position.
2. Remove radiator overflow hose from radiator coolant recovery reservoir and detach it from radiator.
On 3. OL / 3.2L SHO, disconnect tube from radiator and remove radiator coolant recovery reservoir. Refer to illustration.
3. Disconnect battery ground cable.
4. Remove two fan shroud upper retaining screws and lift fan shroud out of lower retaining clip.
5. Disconnect the radiator electric motor wire harness and remove radiator electric motor / fan blade / fan shroud assembly.
6. Loosen upper radiator hose and lower radiator hose clamps at radiator and remove hoses from radiator tank connectors.
7. Disconnect two transmission oil cooler lines from transmission oil cooler radiator fittings.
8. On 3.0L / 3. OL FF remove two upper radiator retaining screws.
9. On 3. OL / 3.2L SHO and 3.8L engines remove two hex nuts from RH radiator support bracket. Remove bracket.
10. On 3.0L / 3.2L SHO and 3.8L engines remove two screws from LH radiator support bracket. Remove bracket.
11. Tilt radiator rearward approximately 25mm (1 inch) and lift directly upward, clear of radiator support.
12. If lower radiator hose or upper radiator hose is to be replaced, loosen clamp at engine end and slip hose off connections with a twisting motion.
13. Remove radiator lower support rubber pads, if pad replacement is necessary.

Installation
1. Position radiator lower support rubber pads to lower radiator support, if necessary.
2. If lower radiator hose or upper radiator hose has been replaced, position hose on engine with index arrow in-line with mark on fitting at engine. Position the clamps between the alignment marks on both ends of the hose and slide hose on connections.
CAUTION: Ensure the hose clamps are beyond the bead and placed in the center of the clamping surface of the connection.

Any used hose clamps must be replaced with a new clamp to ensure proper sealing at the connection.

Tighten screw clamps to 2.2-3.4 Nm (20-30 lb-in).
3. Position radiator into engine compartment and to radiator support. Insert the moulded pins at bottom of each radiator tank through slotted holes in lower support rubber pads.
4. Inspect radiator tank upper mounting bushings for damage. Replace if damaged.
5. On 3. OL / 3.2L SHO and 3.8L engines inspect LH and RH radiator support brackets. Replace if damaged.
6. On 3. OL/3. OL FF engine only, ensure plastic pads on bottom of radiator tanks are resting on rubber pads. Install two upper retaining bolts to attach radiator to radiator support. Tighten to 5-7 Nm (45-61 lb-in).
7. On all engines position LH and RH support bracket over radiator and radiator support. Align holes in bracket with corresponding holes in radiator support and secure with two screws. Tighten screws to 12-24 Nm (9-17 lb-ft).
8. Install upper radiator hose and lower radiator hoses to radiator. Position hose on radiator tank connector so that index arrow on hose is in line with mark on connector. Position the clamps between the alignment marks on both ends of the hose and slide hose on connections
CAUTION: Ensure the hose clamps are beyond the bead and placed in the center of the clamping surface of the connection.

Any used hose clamps must be replaced with a new clamp to ensure proper sealing at the connection.

Tighten screw clamps to 2.2-3.4 Nm (20-30 lb-in).

On vehicles with automatic transaxies, connect transmission oil cooler lines using Pipe Sealant with Teflon D8AZ-1 9554-A (ESG-M4G194-A) or equivalent oil resistant sealer.
9. Install radiator electric motor/fan blade I fan shroud assembly by connecting radiator electric motor wiring and positioning on lower retainer clips. Attach top of fan shroud to radiator with bolt and nut. Tighten bolt to 2.6-3.7 Nm (23-33 lb-in). Tighten nut to 8-12 Nm (71 - 106 lb-in).
10. Attach radiator overflow hose to radiator filler neck connector and radiator coolant recovery reservoir.
On 3. OL/3.2L SHO, install radiator coolant recovery reservoir and connect radiator overflow hose.
11. Install new 50/50 mixture of water and anti4reeze solution. Operate engine for 15 minutes. Check engine coolant level and bring it to within 38mm (1 - 1/2 inch) of radiator filler neck.
12. Connect battery ground cable.
Was this
answer
helpful?
Yes
No
-1
Monday, March 21st, 2011 AT 2:02 AM
Tiny
IMPALASS
  • MECHANIC
  • 3,112 POSTS
Hello â€

Also, it looks like you may have some recalls on your vehicle. The dealer may fix these for free. Please contact the dealer service department, give them the VIN number of your car and have them check on these to see if they apply to you.

94E55
03/01/1995
Recall - Fuel Vapor Valve Replacement

01M09
12/01/2001
Campaign - Cooling Fan Motor

95B78
01/01/1996
Campaign - Cell Phone Hang-Up Cup Replacement

95B68
05/26/1995
Campaign - Steering Knuckle/Control Arm Torque

95B66SUPP1
04/13/1995
Campaign - 95B66 Vehicle Addition Supplement

95B66
04/05/1995
Campaign - Door Hinge Bolt Replacement

95B60
02/09/1995
Campaign - PCM Replacement

95B79
01/01/1995
Campaign - Keyless Entry System Transmitters

92B10
09/01/1992
Campaign - Battery Replacement

01S30
12/01/2001
Recall - Cooling Fan Motor Circuit Breaker Installation

NHTSA98V323000
12/15/1998
Recall 98V323000: Rear Lower Subframe Mount Plate Nut

98S36
12/01/1998
Recall - Subframe Plate Corrosion

98S20
08/01/1998
Recall - Airbag Deactivation Switch Durability Concern

97S66
03/01/1997
Recall - Engine Cooling Fan Motor Circuit

NHTSA97V025000
02/20/1997
Recall 97V025000: Speed Control Cable Freezing

NHTSA97V019000
02/14/1997
Recall 97V019000: Engine Cooling Fan Freezing

95S22
12/22/1995
Recall - Engine Cooling Fan Circuit Modification

94S96
12/01/1994
Recall - Brake Pedal Pushrod Retainer Inspection

NHTSA94V198000
10/07/1994
Recall 94V198000: Master Cylinder Pushrod Clip Defect
Was this
answer
helpful?
Yes
No
+1
Monday, March 28th, 2011 AT 4:42 PM

Please login or register to post a reply.