95 Ford Taurus ECA wiring

Tiny
J.STIEG
  • MEMBER
  • 1995 FORD TAURUS
Working on a 95 ford taurus and has been stalling but is intermittent. I checked codes and I got code 114 and 543 they came back shorty after being erased.
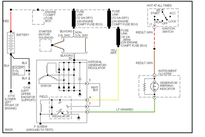
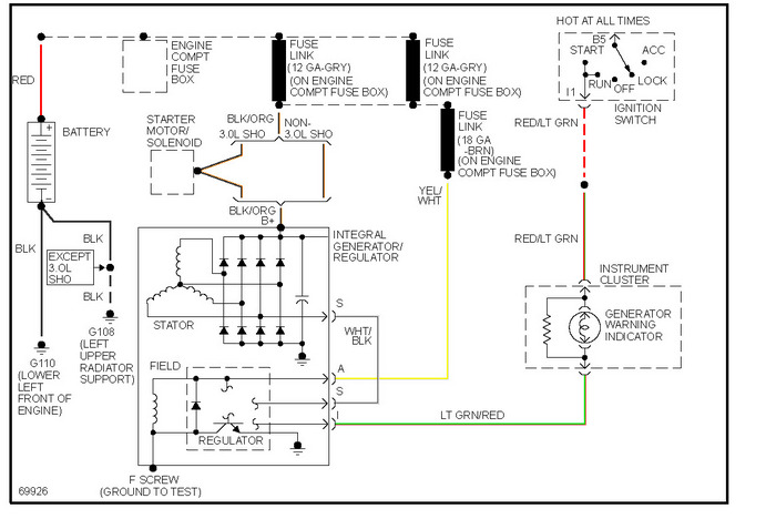
Can you get me wiring for ECA, wire between batt and FP, I need to check for opens.
thanks
Thursday, March 8th, 2012 AT 10:33 PM

12 Replies

Tiny
HMAC300
  • MECHANIC
  • 48,601 POSTS
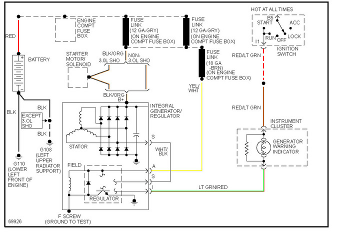
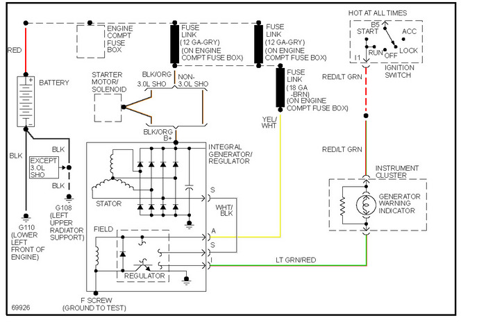
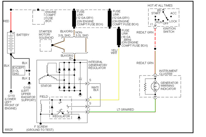
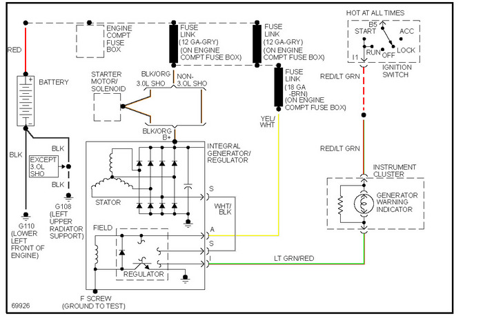
Here is the charging circuit and should give you what you need. Check the fusible links for being bad.
Was this
answer
helpful?
Yes
No
Thursday, March 8th, 2012 AT 11:19 PM
Tiny
J.STIEG
  • MEMBER
  • 361 POSTS
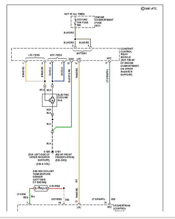
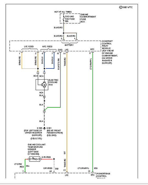
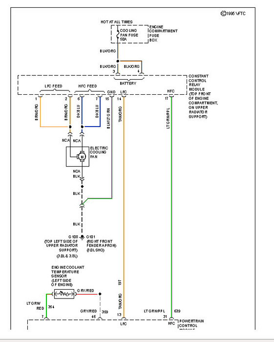
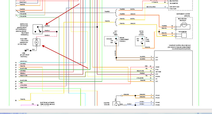
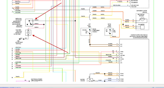
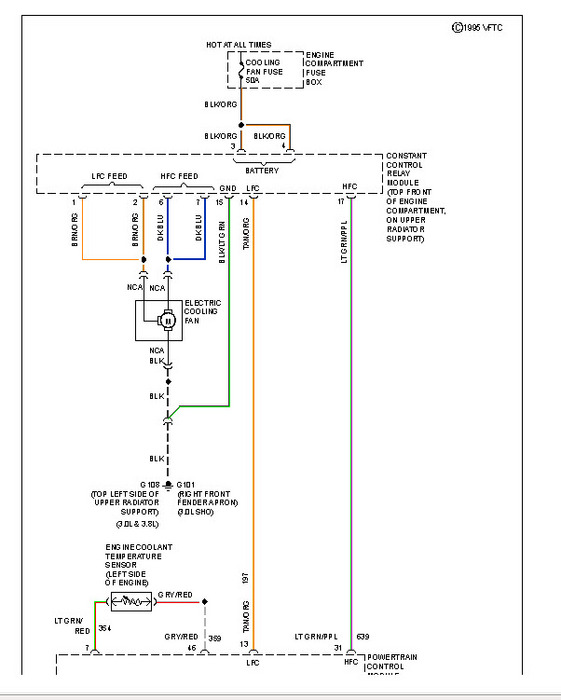
I need a diagram of the fan/fuel relay module.
Was this
answer
helpful?
Yes
No
Friday, March 9th, 2012 AT 4:10 PM
Tiny
J.STIEG
  • MEMBER
  • 361 POSTS
The code I have is: code 543 fuel pump(FP) circuit open
connection- Electronic
control assembly(ECA) to
battery
Need diagram to check wires.
Was this
answer
helpful?
Yes
No
Friday, March 9th, 2012 AT 7:12 PM
Tiny
HMAC300
  • MECHANIC
  • 48,601 POSTS
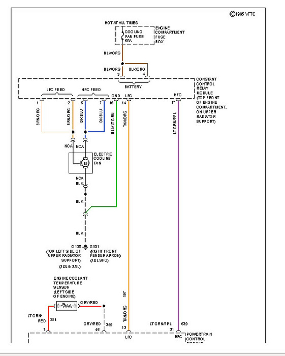
I'm sending what we have, check the inertia switch for hte fuelpump and check fp pressure, if it's low it's probably the pump. The second one will show the color of wires to check.
Was this
answer
helpful?
Yes
No
Friday, March 9th, 2012 AT 8:11 PM
Tiny
J.STIEG
  • MEMBER
  • 361 POSTS
Working with the car some more and it does not start up right now. The fuel pump is not coming on, and I checked power at "constant control relay" and there was NONE on blk/org, there are 4 wires that are blk/org, what are they all?
Was this
answer
helpful?
Yes
No
Friday, March 9th, 2012 AT 10:15 PM
Tiny
HMAC300
  • MECHANIC
  • 48,601 POSTS
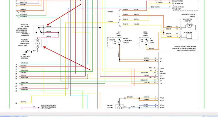
Look at the first diagram I sent you, it goes to one of the fusiblelinks that connects to a blk/orange wire. Also if you look at the second diagram it shows the blk/orangewires leading to the 50 amp fuse in the underhood fuse box. They are larger fuses. And can go bad. The other leads go to the cooling fan.
Was this
answer
helpful?
Yes
No
Friday, March 9th, 2012 AT 10:28 PM
Tiny
J.STIEG
  • MEMBER
  • 361 POSTS
Question: with code 543 what wire should I check?
Was this
answer
helpful?
Yes
No
Saturday, March 10th, 2012 AT 7:47 PM
Tiny
HMAC300
  • MECHANIC
  • 48,601 POSTS
I can't copy what you need as it's to long you are better off getting the manual here ofr 3 days and I think it's about $15 then you can print what you need off of it. There are some ground checks and such that you need to do for the pcm connector. Sorry
Was this
answer
helpful?
Yes
No
Saturday, March 10th, 2012 AT 7:58 PM
Tiny
J.STIEG
  • MEMBER
  • 361 POSTS
Just post any thing with a fuel pump circuit. Thanks
Was this
answer
helpful?
Yes
No
Saturday, March 10th, 2012 AT 10:51 PM
Tiny
HMAC300
  • MECHANIC
  • 48,601 POSTS
I already did it's the schematic. Check them both out.
Was this
answer
helpful?
Yes
No
Saturday, March 10th, 2012 AT 11:25 PM
Tiny
J.STIEG
  • MEMBER
  • 361 POSTS
I did, and it is incomplete. I need to see where FP wires go into the ecu/pcm.
Was this
answer
helpful?
Yes
No
Sunday, March 11th, 2012 AT 1:37 AM
Tiny
HMAC300
  • MECHANIC
  • 48,601 POSTS
I had to do it in 2 steps.
Was this
answer
helpful?
Yes
No
Sunday, March 11th, 2012 AT 1:38 PM

Please login or register to post a reply.