Have four bad injectors on left side

Tiny
EZONMENOW
  • MEMBER
  • 1995 FORD F-250
  • 212 MILES
Have a 7.3 power stroke. This thing has lost injector pulse on the left side four injectors. Have ohm tested the wiring from the IDM to were it plugs in to the head and test good. Have replaced IDM and still will not fire them. Not sure what to think of this thing. Wondering is main ECM is causing this. I am thinking something is not telling IDM not to fire those injectors. I have worked on lots of these things and never seen this before. So I am standing here looking dumb, lol.
Wednesday, November 16th, 2011 AT 12:58 AM

13 Replies

Tiny
DRCRANKNWRENCH
  • MECHANIC
  • 3,380 POSTS
That is an odd situation. I would think the ECU sends a sgnal that would affect all of the injectors, not just one side. On top of that you tested the signal and its good. Is there a test for a voltage signal or the pulse length pulse length? I looked in the service manual for any type of test and it only had resitance across each injector, which should be 11-18 Ohms at each injector.
I am giving you a diagram of the datalines from the PCM. But what you really need is the ECU pinout. I looked evrywhere and cannot find one.
You might just check the connector terminal for corrosion and fit.
I am going to ask around for a pinout and will send it to you if I can. You usually only see pinouts for trucks that people swap motors in. Could not find anything for diesel.
I hope the injector resitance value and the data lines might help even though it sounds like stuff you might already have. It is all I have in our information base.
Was this
answer
helpful?
Yes
No
-1
Thursday, November 17th, 2011 AT 1:59 AM
Tiny
EZONMENOW
  • MEMBER
  • 21 POSTS
Okay thanks. I have another IDM coming to try on it.
Was this
answer
helpful?
Yes
No
Thursday, November 17th, 2011 AT 5:56 AM
Tiny
DRCRANKNWRENCH
  • MECHANIC
  • 3,380 POSTS
It is a very hard electronic diagnosis. There is not much of a way to test at the circuit board level. All it takes is a capacitor or diode to go bad and you can sometimes visually inspect a board and see the overheated element. That is about it and not all electrical parts will show signs of damage that you can see. You are doing about all you can do by trading out for a known good part. If you could get the ECU pin out there are usually pin to pin tests you can do to check a circuit in an ECU, but I could not even find a pinout. The data line diagram is just for a PCM. I use a service manual that is not factory and sometimes they will not release information on certain components for proprietary reasons. That is why factory service manuals cost hundreds of dollars.
Good luck and I hope it goes well.
Was this
answer
helpful?
Yes
No
Thursday, November 17th, 2011 AT 12:01 PM
Tiny
EZONMENOW
  • MEMBER
  • 21 POSTS
Thank you. I will let you know how it goes. I have another IDM coming to try on it. But it is a re-manufactured as well. So we will see.
Was this
answer
helpful?
Yes
No
Thursday, November 17th, 2011 AT 10:44 PM
Tiny
DRCRANKNWRENCH
  • MECHANIC
  • 3,380 POSTS
You are very welcome and I hope it goes well. They usually bench test them.
Let me know how it goes.
Was this
answer
helpful?
Yes
No
Saturday, November 19th, 2011 AT 3:38 AM
Tiny
EZONMENOW
  • MEMBER
  • 21 POSTS
Well I am back to working on this power stroke Ford. I put a second IDM on it and same thing all left side injectors are still not firing. I know they are re-manufactured's but I just do not buy it that they are all bad. As before I am ohm tested harness from head to IDM and tested good. Tested power and ground for IDM and injectors. Beginning to wonder about ECM again or cam sensor even do not see how it could cause this. Anyway still at a loss. An input would be great. Thanks again!
Was this
answer
helpful?
Yes
No
-1
Thursday, December 1st, 2011 AT 1:21 AM
Tiny
DRCRANKNWRENCH
  • MECHANIC
  • 3,380 POSTS
Holy moly. This is a tough one as you have pretty much covered hard wiring issues to the left bank. You have covered electronic modules, like coil, dedicated to left bank. I would think even the ECM looks at the cylinders, in as far as firing the fuel injectors, in the order the cylinders fire in.
So, maybe the crankshaft position sensor, but when they start to fail, there is usually a timimg error as it checks its position against the camshaft position sensor.
However, the injector pump does have some adjust-ability in a static and dynamic test procedure. There is a special tool needed to compare the crankshaft position pulse to the Fuel Injector Pulse. It is set more advanced than the ignition. It is 8.5 DBTDC at 2,000 RPM's, it is in instructions I am giving you. The ignition timing is mostly off of the camshaft position and is non adjustable but it can be checked and should be 10 BTDC.
It probably is not it because it would still have to be so far off that it would affect both sides. However, the more that you go through things, I actually looked this up to check the signal source for the injector pulse, the crankshaft position sensor is something to look at. It could be in the ECU, but the next logical step would be to test it.
The camshaft position sensor still has to have something to do with it as well because the crank shaft position sensor and the cam sensor check with each other before every signal is sent. So it is suspect as well. But, I saw the procedure and it is based off the crank. You might have to inspect it visually, I cannot find any test values for it.
The other test I am giving you is in two parts and has a figure, FIG3. It is for a pressure control test and is something you might be able to set up and run and it compares the left and right bank separately.
So, try those tests and if those pass, you might look into pulling the crank pulley and looking at the position sensor. Let me know if you need anything.
Was this
answer
helpful?
Yes
No
Thursday, December 1st, 2011 AT 7:36 AM
Tiny
EZONMENOW
  • MEMBER
  • 21 POSTS
This motor is not manual injected. It is all electronic and on has cam sensor only. I did get my scanner to do a buzz test on it. Left bank injectors will not fire that way ether. But however after doing buzz test. It gave a engine code of P1293 which says bank 2 shorted ground/battery. And the battery's are junk so I have got new ones be here in the morning. I all so loosened all the grounds to body and battery's and cleaned and moved them. Anyway I am go a case this code a little more see what I come up with. Thanks for the information. I will keep posted on what I find.
Was this
answer
helpful?
Yes
No
Friday, December 2nd, 2011 AT 12:08 AM
Tiny
DRCRANKNWRENCH
  • MECHANIC
  • 3,380 POSTS
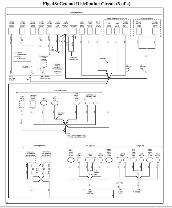
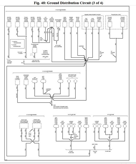
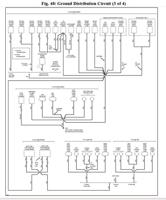
I am giving you the ground distribution diagrams to make sure you do not miss one. They are numbered 1-4 and some may not apply unless you get some, "ground back-feed" where a bad ground will seek another way to ground out, I had a headlight ground out in the dash once and cause electrical problems that were strange.
So, look for backpaths from other grounds near the area that may be interfering with the Injection system.
Let me know how it goes.
Was this
answer
helpful?
Yes
No
-1
Friday, December 2nd, 2011 AT 5:02 AM
Tiny
EZONMENOW
  • MEMBER
  • 21 POSTS
I found it. Went to shop today and first thing I saw was this truck and decided today was the day I was going to find this rotten pigs problem or else. Did not care if I had to take the whole wiring harness out of it. Anyway got to tracking wiring again and found an area I could not get to before that ran up under the turbo going to the back two cylinders on left side. Which is the side I have been fighting. Took some turbo parts off and got the harness out and ran it over the top plugged it back in and started it up on four cylinders. Started bending the wiring going back there and there it was. Motor picked up left side and ran smooth as smooth gets. Now if you have ever been in to wiring on one these. You will see there a un-insulated ground wire that rap's around wiring to the head's. It melted in to power feed wire's to injectors and that was my short. So just want to say thanks again for the input. If there is anything I can do for any of you just let me know.
Was this
answer
helpful?
Yes
No
+5
Friday, December 2nd, 2011 AT 11:02 PM
Tiny
DRCRANKNWRENCH
  • MECHANIC
  • 3,380 POSTS
Congratulations. You had it fixed as soon as it felt threatened by your attitude. That is the best news and I know you have got to be feeling pretty good about solving it right now. If you do not, you should because finding something like that without tracing the harness wire by wire, which you almost did, is like winning the lottery. I cannot believe you came up with the defective plug so fast after getting into the harness. That is fantastic and you got your rig back.
You are very welcome for my input but you really solved this one on your own. You already did something for me as well, I learned a lot about F Series trucks. I now know that there is a connector that can go bad and if another customer comes in beating there head against the wall, well you solved their problem.
I never knew about the ground structure around the wiring either. I guess it is like coax cable? Is it only to the heads?
That is different. I guess the ground end point got to where the resistance went up because it was not making good contact and that heated up the ground shield. Then that melted in on the power wire and shorted it. That is an odd set up, but Ford knows what they are doing.
I am just astonished that you fixed it. After last message you sent I was at the end of what I could give you and I thought you would just have to go through the harness. Sounds like you got to it pretty quick. I am really glad that the dilemma is over for you and you are on the road again. That was one tough diagnosis.
I might just be emailing you in the future for help.

Take care.

Dr. C
Was this
answer
helpful?
Yes
No
Friday, December 2nd, 2011 AT 11:50 PM
Tiny
AJJEHA
  • MEMBER
  • 1 POST
Hey, I have a 2002 7.3 I am not getting any power to my wire harness that goes into my passenger side injector. I changed my IDM on the driver side finder. Can anyone help me? Please!
Was this
answer
helpful?
Yes
No
+1
Thursday, May 31st, 2018 AT 9:44 PM
Tiny
STEVE W.
  • MECHANIC
  • 15,688 POSTS
AJJEHA Please use this link to ask this question. More people will see it
https://www.2carpros.com/questions/new
Was this
answer
helpful?
Yes
No
+1
Monday, June 4th, 2018 AT 7:54 AM

Please login or register to post a reply.