Monday, June 2nd, 2014 AT 8:49 PM
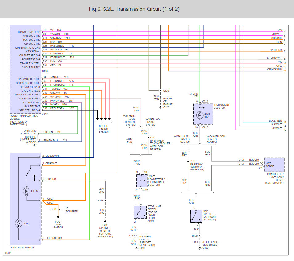
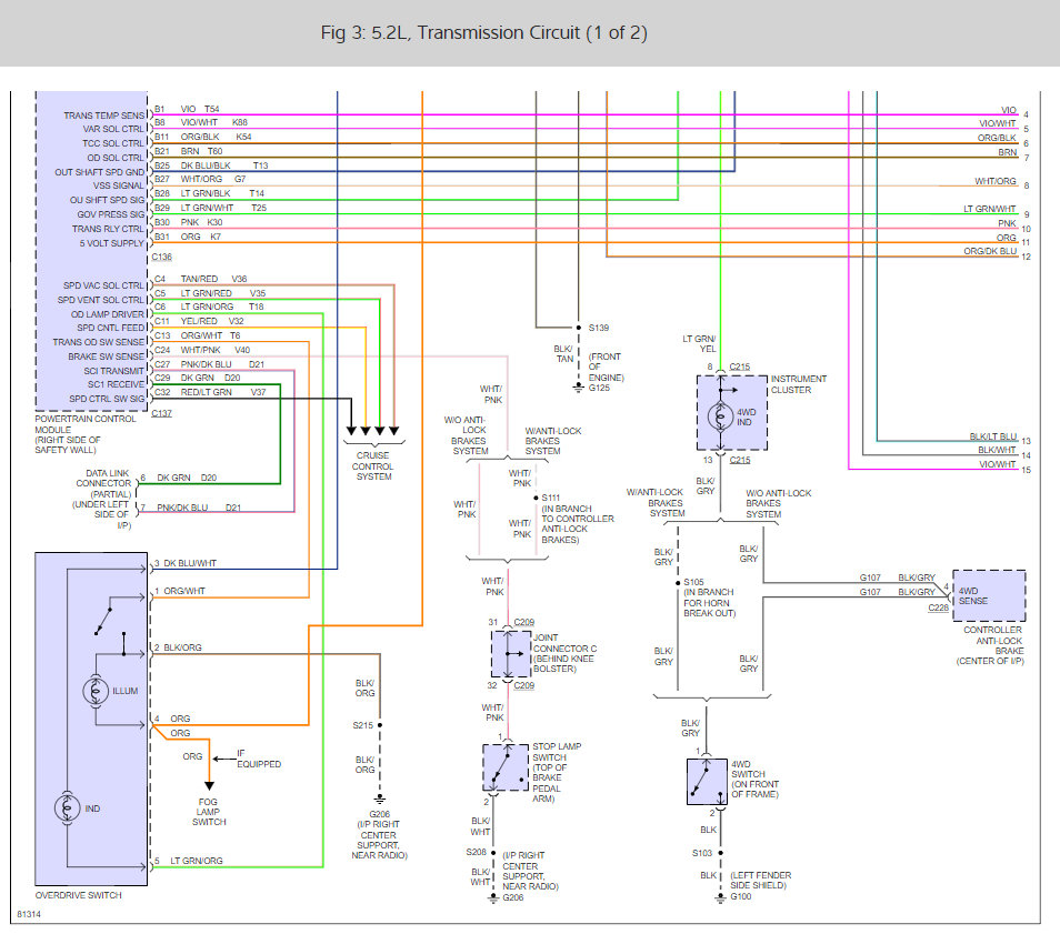
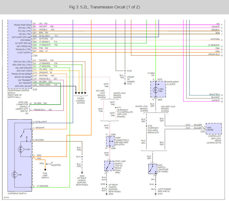
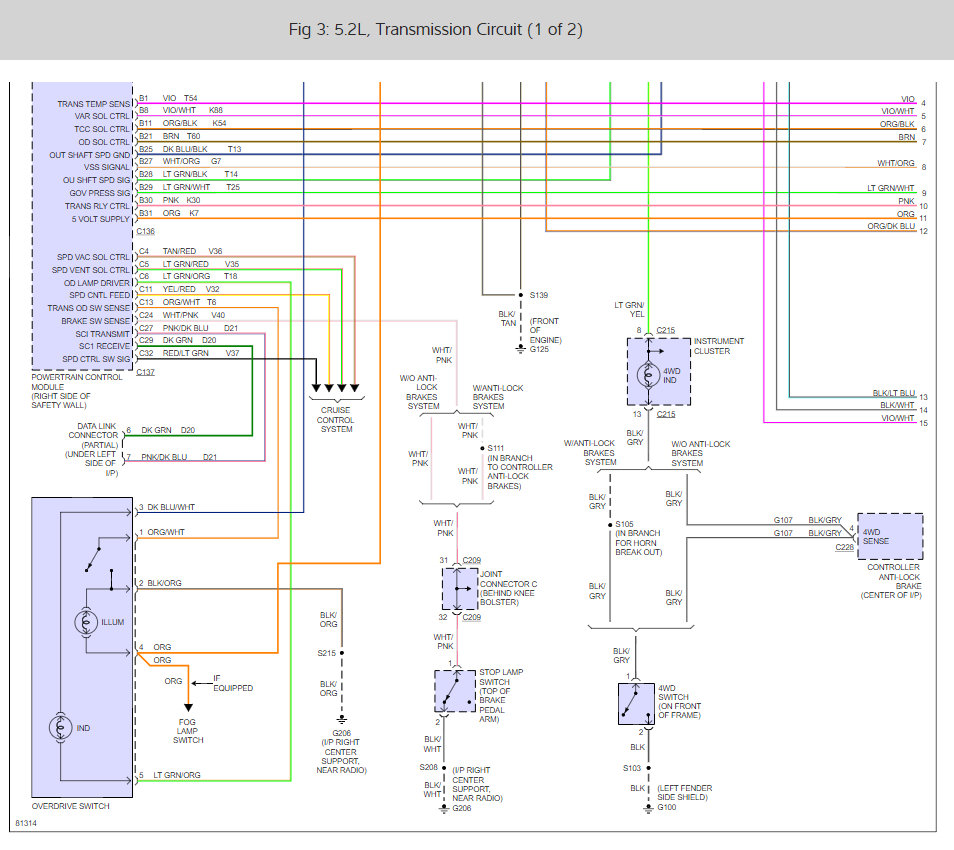
Tranny is 46rh automatic.I replaced od/ lock up solenoid inside the tranny, put fresh atf 4 tranny fluid in it along with new filter. Still not shifting into overdrive.I've been driving the truck over 2 years with out overdrive.I don't drive the truck over 55mph. Because of the no overdrive shift problem.I did the obdi fault code thing by turning the ignition on and off 5 times within 5 seconds. And code 12 37 32 55 came up. Looked at the trouble code chart online.37 means. Ptu solenoid. Or tranny temp sensor. So I called the local dodge dealer. The parts guy said not showing anything for a ptu or tranny temp sensor. And he even asked the tranny mechanic and I still can't get an answer why the tranny won't shift into overdrive. By the way code 32 is egr problem which I will be replacing egr.12 is code for 50 starts.55 is code for end of trouble code. Anyway.I still drive the truck everyday without od. Now its driving me nuts cause I don't know why its not shifting into od. Its a work truck and I'll drive her into the ground.I'm not sinking any big bucks on tranny rebuild or replacement. Hope it is just a simple fix. Please give me an answer! Going bonkers! Can't get an answer from anyone. Please help! Thanks



