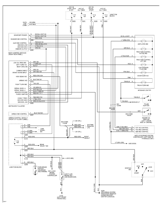
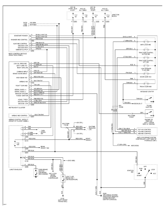
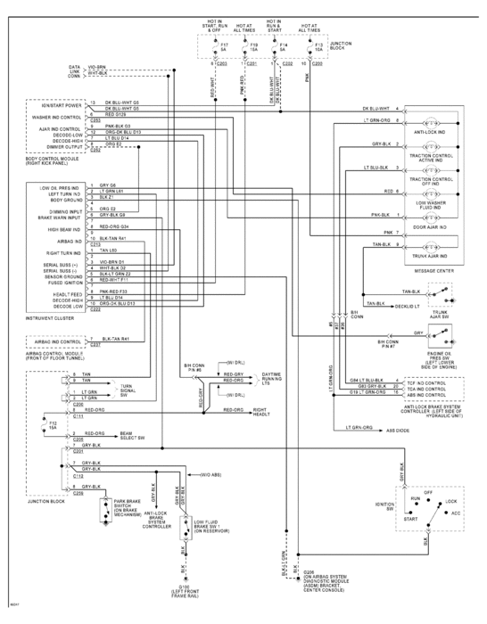
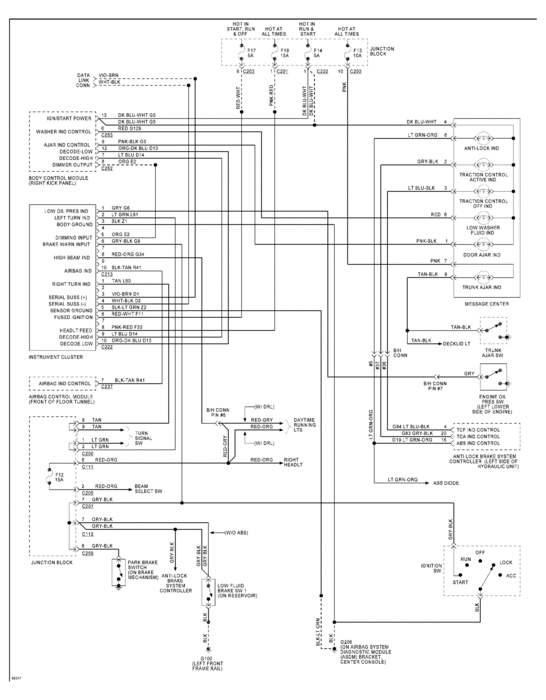
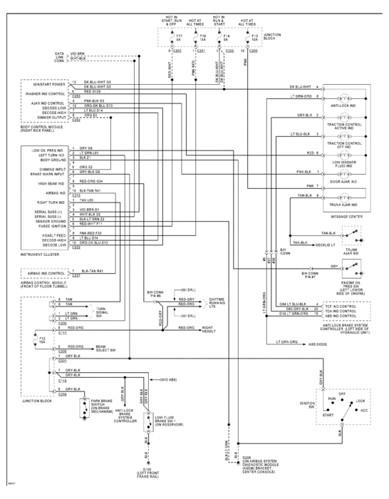
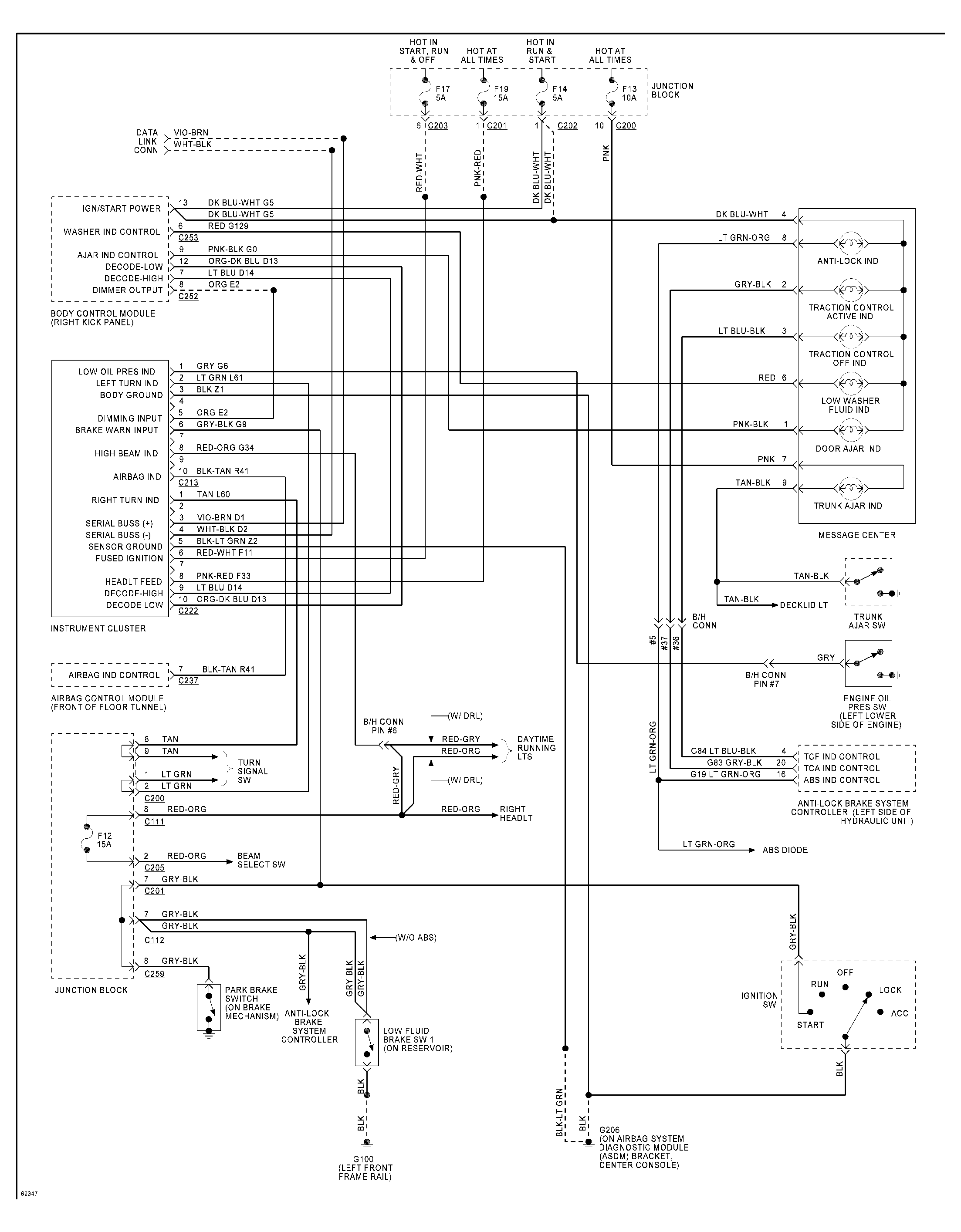
I disassembled the entire dash again to verify connections and in the meantime I checked the resistance of each wire that ran from the cluster to the bcm or to the junction box, everything checked out with good readings.
I yanked the wire trough, examined each wire from cluster to applicable harness and saw no sign of damage. Grounds are all in good shape, as are "splice points" in the trough.
I installed a used gauge pod that was operative, that puppy still did not read.
Upon yanking the new cluster I checked at the wiring harnesses again, realizing that the CCD BUS(+) and the CCD BUS(-) were not reading at all. The ID SENSE read around 5v, all power read at 12.5. And once again, turn signals, warning lights, and illumination are operational.
The airbag light is stuck on, cruise control is not working. I would assume that this is a failed clockspring, although the horn does still work. I imagine with this year of a car that the horn still would?
Since I am not getting any electrical values from the CCD BUS pins is it possible for that particular channel of the bcm to just have gone bad? Other BCM functions ARE operational. HVAC, light, locks, windows, etc.
Would there be a ground behind the HVAC or even a wiring harness that could have been yanked out? I didnt totally pull the unit out of the car, just pulled it forward enough to reach the core itself.
I also noted this: I went to do a "scan" using the key trick, 2 clicks on and off then one on. There was no response. I am left to wonder if this is all about the ECM? PCM? BCM?
I could really use some advice, I am at my witts end and I have tried to explore this issue for over three weeks. What began as a routine thing to help someone who needed help has become the opposite. Never have I had this type of issue when dealing with a matter that I have done a few times.
Tuesday, January 24th, 2012 AT 2:55 AM




