95 Chrysler New Yorker:no gauges

Tiny
FLAFLYBOY
  • MEMBER
  • 1995 CHRYSLER NEW YORKER
  • 6 CYL
  • FWD
  • AUTOMATIC
  • 108 MILES
'95 Chrysler New Yorker 108K
Car runs - but NO gauges (oil, rpm, fuel, overhead trip, etc.) Or A/C. New battery 3 weeks ago.
Everything fine, then nothing!
Where do I look first?
Saturday, July 23rd, 2011 AT 11:12 PM

1 Reply

Tiny
KASEKENNY
  • MECHANIC
  • 18,907 POSTS
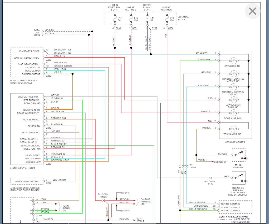
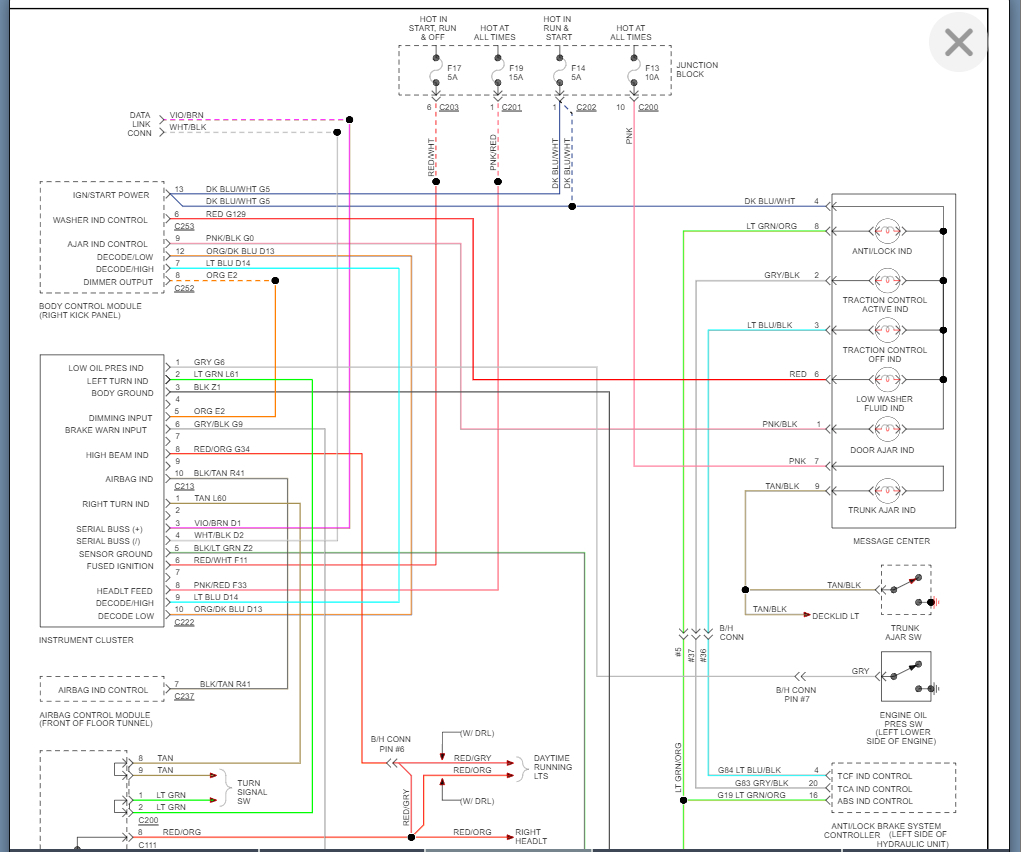
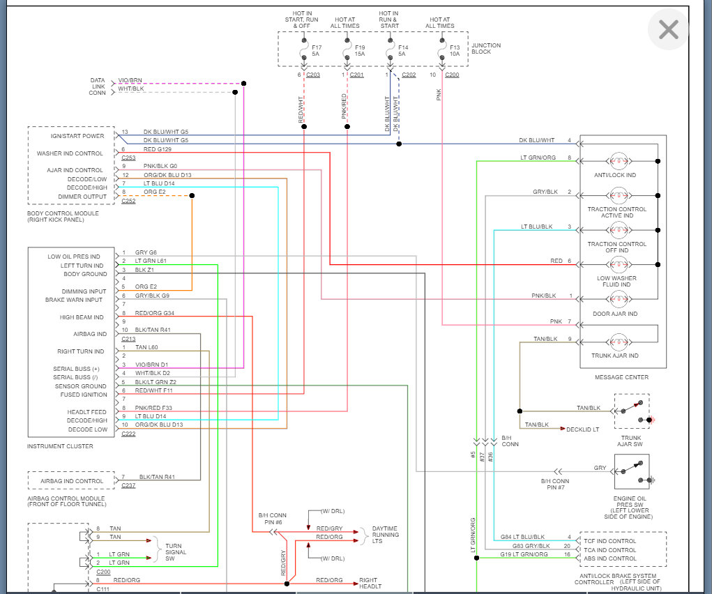
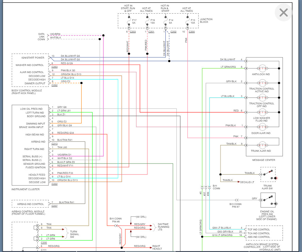
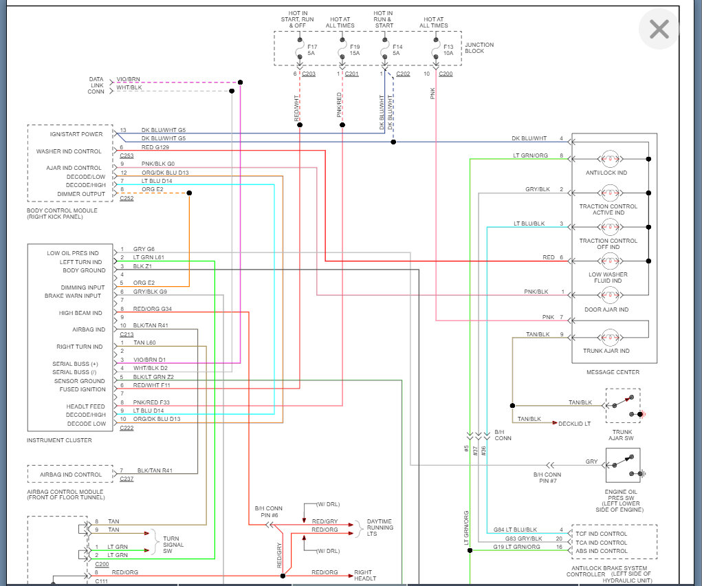
There are a number of things that we need to check but if all these are not working then we need to start with checking all fuses and power to the cluster.

If you have power getting to the cluster, then I suspect the cluster is the issue.

https://www.2carpros.com/articles/how-to-check-wiring

https://www.2carpros.com/articles/how-to-check-a-car-fuse

I am attaching the wiring diagram for the cluster which will help with this so let's start with all this info and go from there.
Was this
answer
helpful?
Yes
No
Friday, May 20th, 2022 AT 7:31 PM

Please login or register to post a reply.