I need vacuum line schematics?

Tiny
LEGGZ1959
  • MEMBER
  • 1995 CHEVROLET S-10
Vacuum lines have gotten messed up and we need diagram to fix
Monday, February 6th, 2012 AT 9:28 PM

30 Replies

Tiny
SATURNTECH9
  • MECHANIC
  • 30,869 POSTS
Hello,

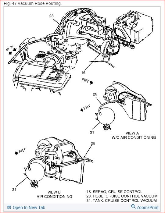
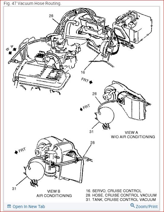
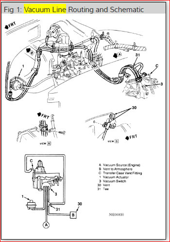
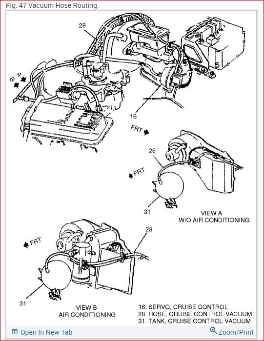
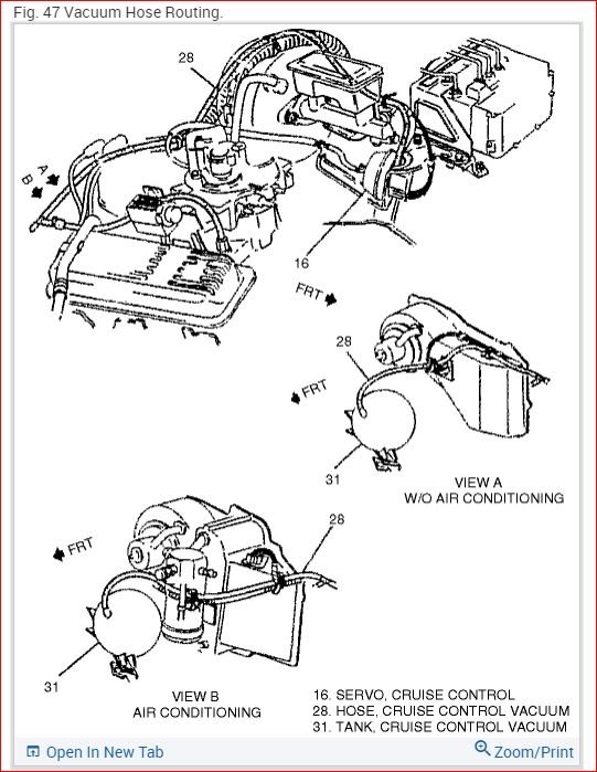
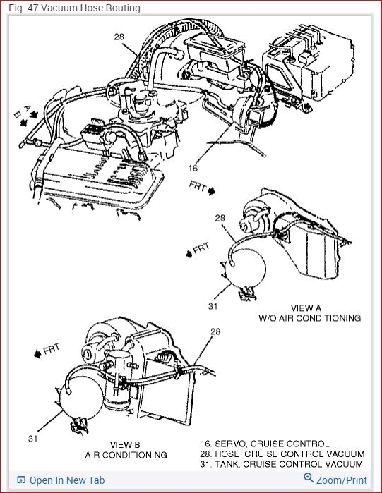
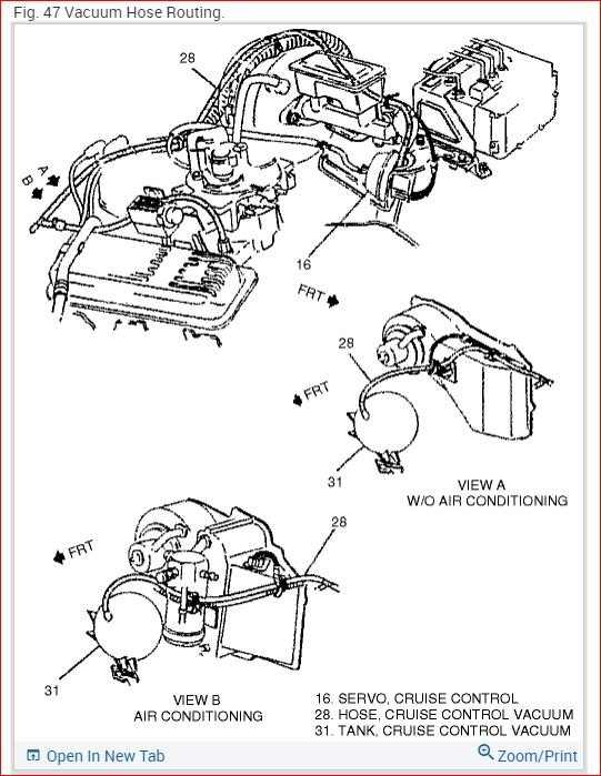
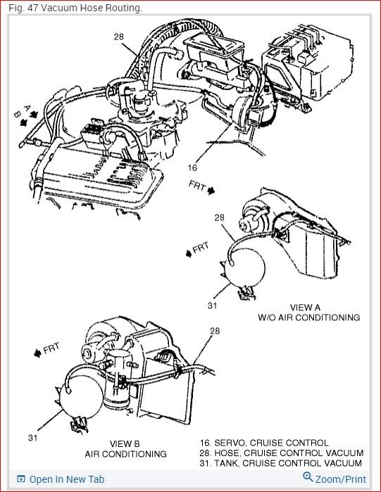
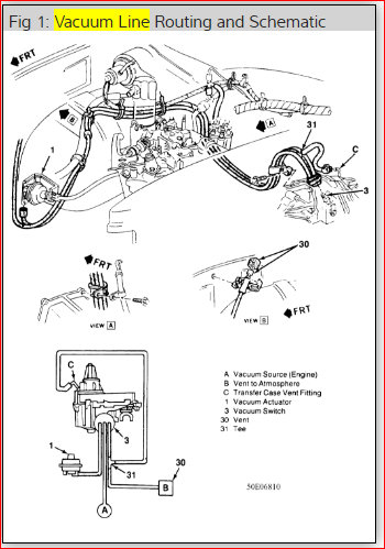
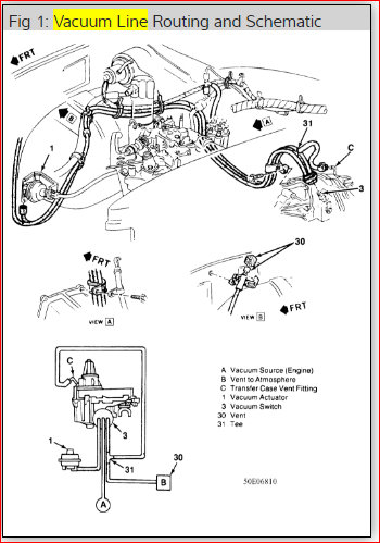
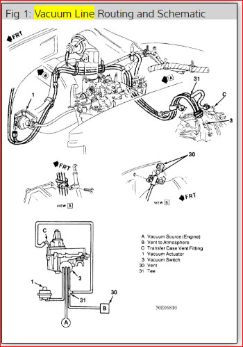
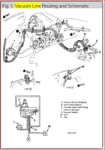
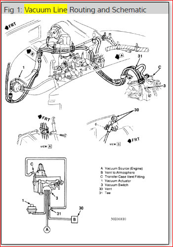
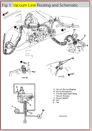
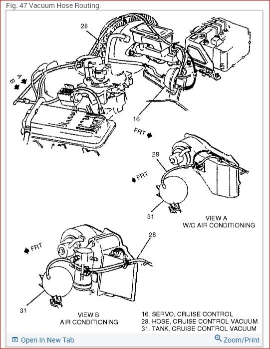
Here is the engine vacuum line diagrams for you. Check out the diagrams (Below). Please let us know if you need anything else to get the problem fixed.
Was this
answer
helpful?
Yes
No
+11
Monday, February 6th, 2012 AT 11:24 PM
Tiny
LEGGZ1959
  • MEMBER
  • 2 POSTS
Thank you so much!
Was this
answer
helpful?
Yes
No
-2
Tuesday, February 7th, 2012 AT 4:25 AM
Tiny
SATURNTECH9
  • MECHANIC
  • 30,869 POSTS
Your welcome thats what were here for glad I could help.
Was this
answer
helpful?
Yes
No
+1
Tuesday, February 7th, 2012 AT 6:19 AM
Tiny
BRIAN WINEMILLER
  • MEMBER
  • 1 POST
  • 1995 CHEVROLET S-10
  • 4.3L
  • V6
  • 4WD
  • AUTOMATIC
  • 144,000 MILES
I have three line that go from the transfer case up to top of engine, but I do not know where the third one goes.
Was this
answer
helpful?
Yes
No
-2
Friday, August 21st, 2020 AT 10:10 AM (Merged)
Tiny
STEVE W.
  • MECHANIC
  • 15,691 POSTS
The lovely T-Case vacuum switch.
Two lines are vacuum, the third is connected with the T-case vent.

To determine which is what when you cannot see the switch. Connect a chunk of vacuum line to any port and blow into it. Move the line until you find the port you cannot blow through. This is the port that goes to the engine vacuum. Connect it up.
Start the engine and shift the case into four wheel drive. Now you should find one port of the two left has vacuum. That port goes to the axle actuator. The last port is the vent.

The valve works :
In two wheel drive, the incoming vacuum is blocked front axle actuator is disengaged. The actuator port and vent are connected so it cannot move on it's own and the case vent functions.

Shifting into four wheel drive the valve moves and sends vacuum to the actuator, it also blocks the vent port so there is no vacuum applied to the T-Case seals.

Shifting out of four wheel drive the valve moves down, it blocks off the vacuum feed first, then opens the actuator port to the vent line, That lets air into the actuator and it moves and unlocks the front axle.

If you can see the switch. The picture shows which lines go where based on the alignment pin on the switch.
Was this
answer
helpful?
Yes
No
+3
Friday, August 21st, 2020 AT 10:10 AM (Merged)
Tiny
DREAMWEAVER62470
  • MEMBER
  • 1 POST
  • 1994 CHEVROLET S-10
Engine Mechanical problem
1994 Chevy S-10 6 cyl Four Wheel Drive Manual

I was wondering if I could find a diagram of all the vacuum hoses and the parts numbers for my S10 Pickup. I am replacing all of the hoses and the adapter elbows on it myself and I can't find the diagrams in the Chevy manual I bought. Is there anyway you can help me find the information I need?
It would be greatly appreciated.
Thank you.
Was this
answer
helpful?
Yes
No
+3
Friday, August 21st, 2020 AT 10:11 AM (Merged)
Tiny
JDL
  • MECHANIC
  • 16,098 POSTS
Hi, the autozone site has vacuum diagrams and wiring diagrams for free. You have to register your vehicle, then click on repair info. Look under the, engine controls, link.
Was this
answer
helpful?
Yes
No
+9
Friday, August 21st, 2020 AT 10:11 AM (Merged)
Tiny
CHRISJASON2000
  • MEMBER
  • 10 POSTS
  • 1994 CHEVROLET S-10
  • 4.3L
  • V6
  • 4WD
  • AUTOMATIC
  • 170,247 MILES
I need the vacuum routes for my truck listed above (VIN Z). I redid my intake manifold gasket and I’m stuck at one hose need help can’t find the diagram anywhere.
Was this
answer
helpful?
Yes
No
Friday, August 21st, 2020 AT 10:11 AM (Merged)
Tiny
KASEKENNY
  • MECHANIC
  • 18,907 POSTS
Hi Chrisjason,

Here are the diagrams that we have. Unfortunately they are drawings so they are not the best. Let me know if this doesn't help and I can dig deeper for more detail. Maybe if you can take a picture of what you are missing I can identify them and where they should go to.

Thanks
Was this
answer
helpful?
Yes
No
+1
Friday, August 21st, 2020 AT 10:11 AM (Merged)
Tiny
DAVID73997
  • MEMBER
  • 3 POSTS
  • 1988 CHEVROLET S-10
  • 4 CYL
  • 2WD
  • MANUAL
  • 410,000 MILES
Thanks for giving me your opinion today..........

ok. much better description. that is a vacuum reservoir tank. the vacuum hose that goes to it should be coming from a one way check valve that has 3 hoses connected to it. the easiest way for me to describe where the vacuum hose is, look for the vacuum line that goes into the cab of truck(this controls the vacuum to the heater doors) the vacuum reservoir should at some point be connected to this vacuum line. hope this helps
___________________________________

However, my truck does not have any vacumn hoses going to the heater, it only has stiff wire to control the heater doors, you must be thinking of a lot newer model. I also paid for a years subscription for the on-line auto manual, but it also does not tell me much there either. One fellow in my home town tells me that he thinks its something to do with the vacumn that the brakes take away from the engine when I apply the brakes. This could be true as when I apply the brakes, the engine seems to flutter a lot untill I release the brakes. If this is the case, then could you please tell me where I`m suppose to put the hoses onto. Thanks again.


https://www.2carpros.com/forum/automotive_pictures/162773_S10_Vacumn_sperical_like_Ball_3.jpg

Was this
answer
helpful?
Yes
No
+1
Friday, August 21st, 2020 AT 10:13 AM (Merged)
Tiny
MERLIN2021
  • MECHANIC
  • 17,250 POSTS


https://www.2carpros.com/forum/automotive_pictures/62217_4_cyl_Vac_1.jpg



https://www.2carpros.com/forum/automotive_pictures/62217_4_cyl_VacHeater_1.jpg


These are the vacuum diagrams for 1988 s-10 4 cyl...this ball is not for the brakes! If the brakes are acting up when you step on the pedal, test the check valve at the booster, vacuum source for brakes is from manifold...ALL doors on the heater plenum are operated by VACUUM!
Was this
answer
helpful?
Yes
No
+1
Friday, August 21st, 2020 AT 10:13 AM (Merged)
Tiny
ROBERT H
  • MEMBER
  • 1 POST
  • 1987 CHEVROLET S-10
Engine Performance problem
1987 Chevy S-10 6 cyl Four Wheel Drive Automatic

I have an 87 S10 that was changed from a 2.8 to a 4.3. The problem Im having is trying to find all the vaccum lines and how they run. Do you have any suggestions on where I can find the schematics on the routings?
Was this
answer
helpful?
Yes
No
Friday, August 21st, 2020 AT 10:13 AM (Merged)
Tiny
JDL
  • MECHANIC
  • 16,098 POSTS


https://www.2carpros.com/forum/automotive_pictures/170934_87_vacuum_lines_1.jpg



Go to the autozone site, register your vehicle, it is free. Click on vehicle repair info, I believe vacuum diagrams are under the emissions link. Just find what you want. The above diagram is an example.
Was this
answer
helpful?
Yes
No
+2
Friday, August 21st, 2020 AT 10:13 AM (Merged)
Tiny
SCOTTDANNY22
  • MEMBER
  • 36 POSTS
  • 1983 CHEVROLET S-10
  • 2.8L
  • V6
  • 2WD
  • MANUAL
  • 200,000 MILES
Can someone post a few actual pictures of a stock Chevrolet s10 2.8 motor showing where all the hoses connect vacuum, carburetor, brake booster advance etc? I have the manual and the routing diagrams am needing actual pictures. Thanks
Was this
answer
helpful?
Yes
No
-1
Friday, August 21st, 2020 AT 10:13 AM (Merged)
Tiny
DANNY L
  • MECHANIC
  • 5,648 POSTS
Hello, I am Danny.

Does this picture help? Hope this helps and thanks for using 2CarPros.
Danny-
Was this
answer
helpful?
Yes
No
+1
Friday, August 21st, 2020 AT 10:13 AM (Merged)
Tiny
DON GIRDNER
  • MEMBER
  • 3 POSTS
  • 1983 CHEVROLET S-10
  • 2.8L
  • 6 CYL
  • 2WD
  • MANUAL
  • 950,500 MILES
Hello,

Do you guys have a California vacuum diagram for the following vehicles?

1. 1983 Chevy S10, 2.8L V6, automatic transmission (three letters in upper left corner read "DMM.")

2. 1982 Chevy S10, 2.8L V6, manual transmission

I actually have a 1982 Chevrolet S10, 2.8L V6, with a manual transmission but the VECI sticker on my truck is for a 1983 Chevrolet S10, 2.8L V6, automatic transmission. I do not know why. Any help would bee appreciated.

Thank you.
Was this
answer
helpful?
Yes
No
Friday, August 21st, 2020 AT 10:13 AM (Merged)
Tiny
STEVE W.
  • MECHANIC
  • 15,691 POSTS
How about all four versions with California spaghetti.
Image 1 - 1983 w/Automatic
Image 2 - 1983 w/Manual
Image 3 - 1982 w/Automatic
Image 4 - 1982 w/Manual

Think you have a bad hose or did some come off and you need to trace them?
Was this
answer
helpful?
Yes
No
+1
Friday, August 21st, 2020 AT 10:13 AM (Merged)
Tiny
DON GIRDNER
  • MEMBER
  • 3 POSTS
Steve,

Yes, I just found that the purge hose is cracked/split near the EVAP canister in image 4. Also, I have been getting a OBD1 code 45 for some time now. I have done the following repairs and adjustments.

Replaced:
1. EVAP canister (to my knowledge, this has never been changed and was full of fuel).
2. O2 sensor (the old one had a crimp repair on its pigtail).
3. All the vacuum lines (except the purge line assembly coming from the EVAP canister. :P)
4. The old carburetor with a rebuilt one (17082359).
5. Coolant temperature sensor (Was not changing resistance with temperature change).
6. Fuel sending unit (the old one was not reading any more).
7. Fuel pump (old fuel pump was leaking fuel and oil due to a bad o-ring).
8. Fuel lines from fuel pump to carburetor (I broke the old fuel line trying to get it off the old carburetor. Ehh, time for an upgrade.)
Was this
answer
helpful?
Yes
No
Friday, August 21st, 2020 AT 10:13 AM (Merged)
Tiny
DON GIRDNER
  • MEMBER
  • 3 POSTS
Adjustment per the VECI on my truck:

TIMING (°BTDC @ RPM) 10° @ 650 (DR)
Was this
answer
helpful?
Yes
No
Friday, August 21st, 2020 AT 10:13 AM (Merged)
Tiny
STEVE W.
  • MECHANIC
  • 15,691 POSTS
Age and heat are not friendly to rubber lines. The code 45 was likely from the canister being full of fuel. When it runs the purge it only expects some vapor and then air, excess gas would just keep dumping vapor through it. A bad smog pump can also do it as the extra air from it will lean out the exhaust.

Timing for the stick version is the same 10 degrees in California.
If it has the electronic system unplug the four wire connector at the distributor to set the base timing. If vacuum advance pull the vacuum line and plug it to set it.
Was this
answer
helpful?
Yes
No
Friday, August 21st, 2020 AT 10:13 AM (Merged)

Please login or register to post a reply.