Friday, February 4th, 2011 AT 4:54 PM
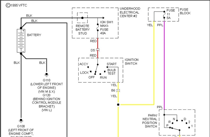
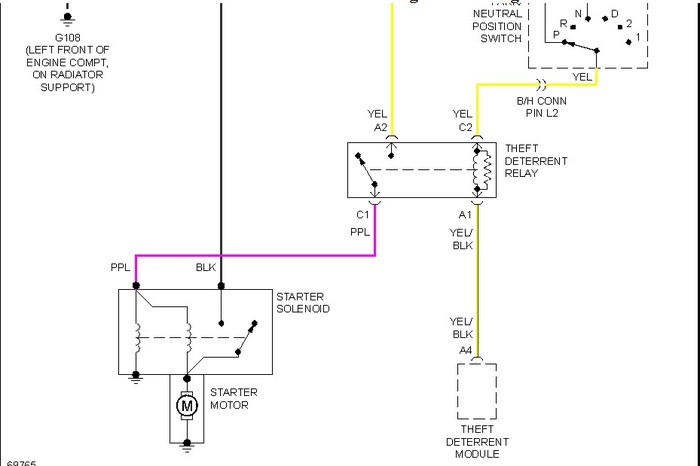
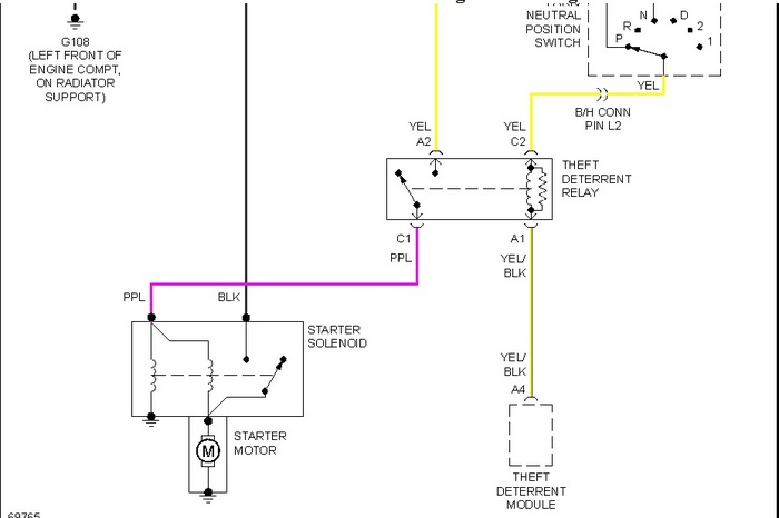
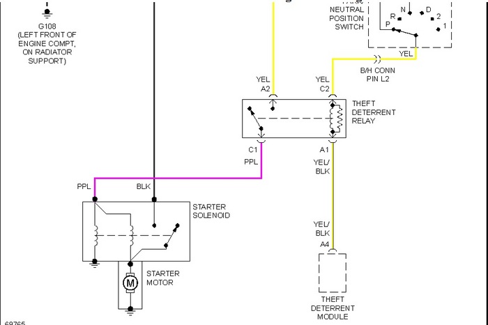
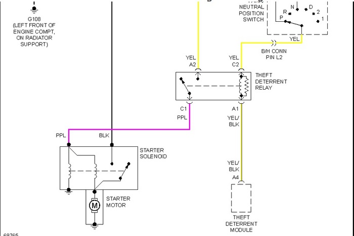
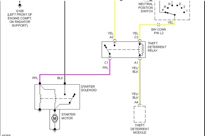
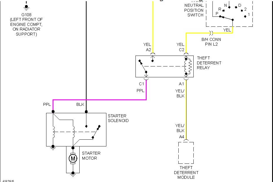
I Have a 95 monte carlo, sometimes it wont start and if I wait about 2 minutes itll start right up. My friend had the car for 4 years before me and it did it to her maybe 4 or 5 times and now it does it everyday sometimes twice. Its had new starter new switch. My boyfriend is a mechanic but somehow cant figure anything out he says steering column but I dont want to pay that much if its not it. When it does that if he shorts the starter out it will die then crank in a few minutes. A ground wire came loose a while back and cause my fan motors, air, speedometer nd all kinds of stuff to mess up. Maybe the car has electrical problems still?



