No spark to the coils or at all?

Tiny
KENOA ARRUDA
  • MEMBER
  • 1994 JAGUAR XJ12
  • 5.0L
  • V12
  • 2WD
  • AUTOMATIC
  • 160,000 MILES
I have a XJ81 and have been doing months of diagnostics and replacements. I have had an intermittent start. No spark to the coils or at all, the fuel pump isn't priming on start. There was an electrical short to the P.I. Circuit fuse. And while it has been down someone triggered my alarm system. If anyone can give me a sense of guidance I don't know where to go from here.

Vehicle listed above: 1994 XJ12 (XJ81) V12 XJ40
Tuesday, November 9th, 2021 AT 10:33 PM

12 Replies

Tiny
KENOA ARRUDA
  • MEMBER
  • 5 POSTS
I started by replacing most of my ignition system; starter, fuel pump, fuel pump relay, and a number of wiring diagnostics.
Was this
answer
helpful?
Yes
No
Tuesday, November 9th, 2021 AT 10:36 PM
Tiny
BORIS K
  • MECHANIC
  • 836 POSTS
Hello,

It sounds like you might have a battery or a crankshaft position sensor issue.

First check at cranking that the battery voltage does not drop below 10.5V.
The PCM will shut down if the voltage drops below 10.5V and will not trigger spark or fuel pump/injectors
If it does, I would suggest to first test and charge the battery.

How a battery works.
https://www.2carpros.com/articles/how-a-car-battery-works

How to charge a battery.
https://www.2carpros.com/articles/how-to-charge-your-car-battery

Also check that while cranking that the tachometer needle moves and indicates at least 200 RPMs.

Please let us know how you get along.

Cheers, Boris
Was this
answer
helpful?
Yes
No
Wednesday, November 10th, 2021 AT 2:28 AM
Tiny
KENOA ARRUDA
  • MEMBER
  • 5 POSTS
I have replaced the rear CPS but not the front CPS. I will get back about the battery issue but I know while the car is on, it's at 12 volts but it might drop when cranking.
Was this
answer
helpful?
Yes
No
Wednesday, November 10th, 2021 AT 7:16 AM
Tiny
KENOA ARRUDA
  • MEMBER
  • 5 POSTS
I have a brand-new battery but it does drop below 10 volts while cranking.
Was this
answer
helpful?
Yes
No
Saturday, November 13th, 2021 AT 12:06 PM
Tiny
KENOA ARRUDA
  • MEMBER
  • 5 POSTS
Could my issue be related to my ECU or my ignition amps?
Was this
answer
helpful?
Yes
No
Saturday, November 13th, 2021 AT 12:07 PM
Tiny
KASEKENNY
  • MECHANIC
  • 18,907 POSTS
It very well could be related to this, but have you check for any codes with this? It is unlikely that you have any codes, but we need to be sure.

Next have you disabled the theft system. I have seen where people correct the no start issue and then have a theft issue and think they still have a no start issue.

As for the battery dropping below 10 volts when cranking, that is not uncommon. The starter draws a lot of current and it going to pull it down.

If the engine spins but does not crank, then the starter and battery are most likely fine.

Lastly, have you checked the plugs? What did they look like? Were they fouled as if you have been cranking the engine a lot then they may be fouled at this point and not able to start the engine?

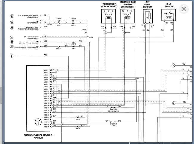
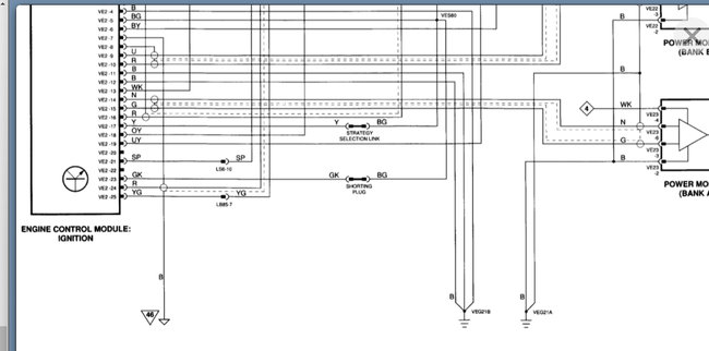
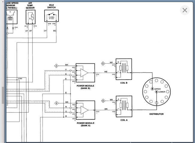
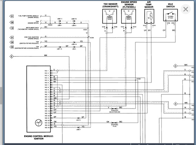
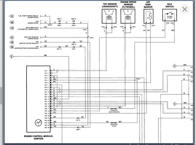
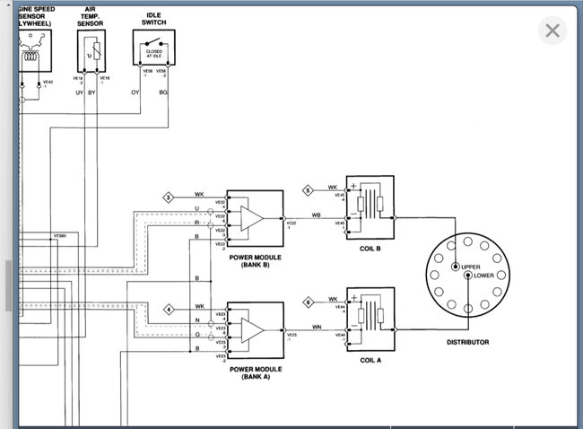
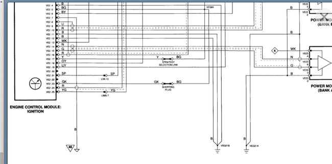
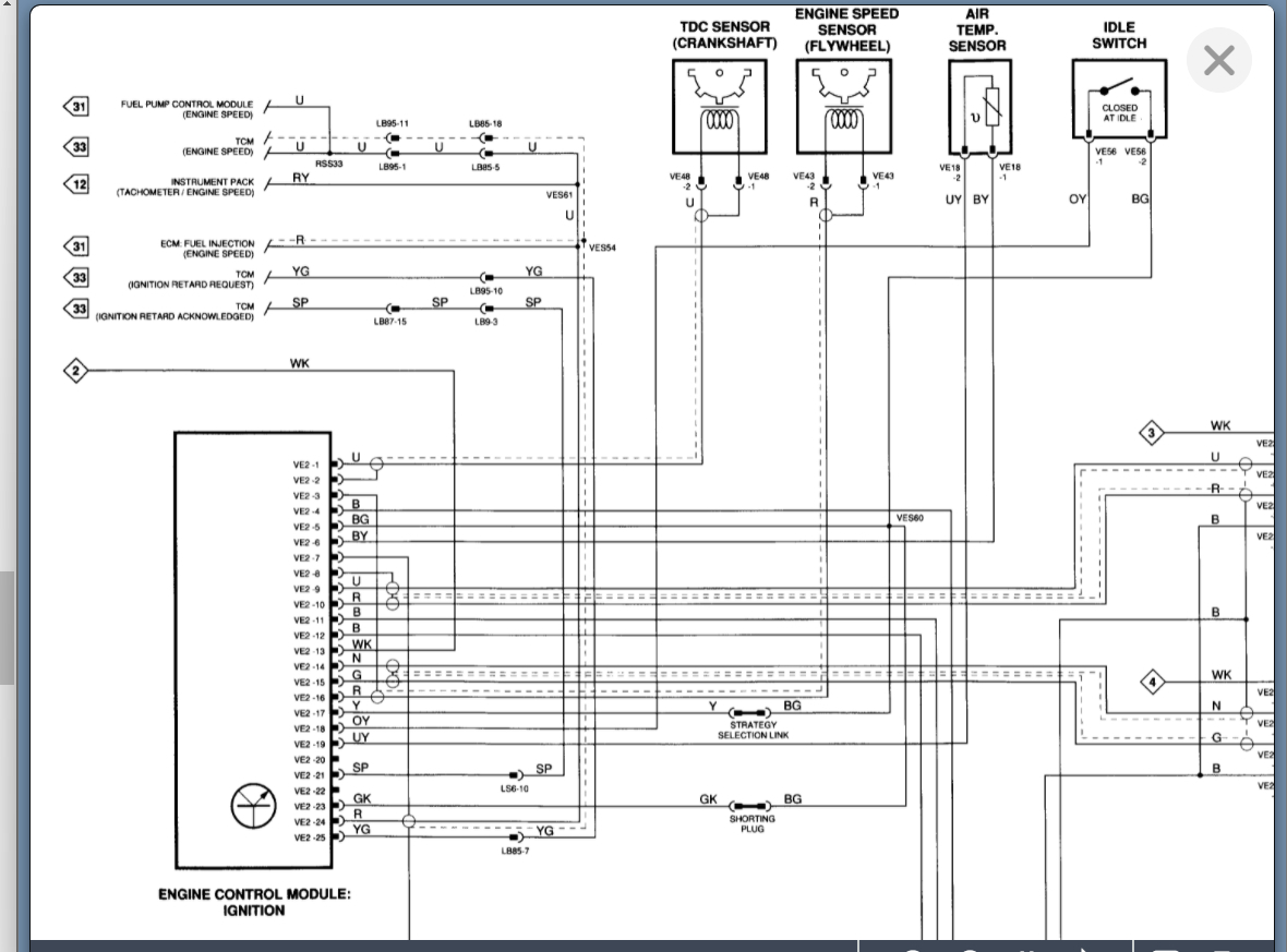
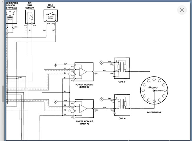
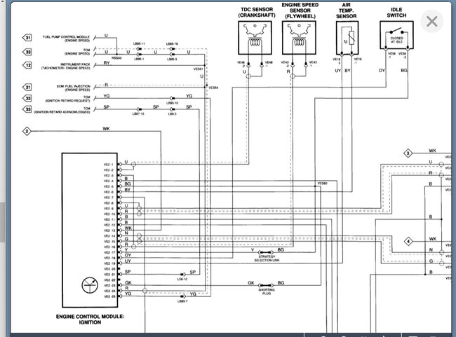
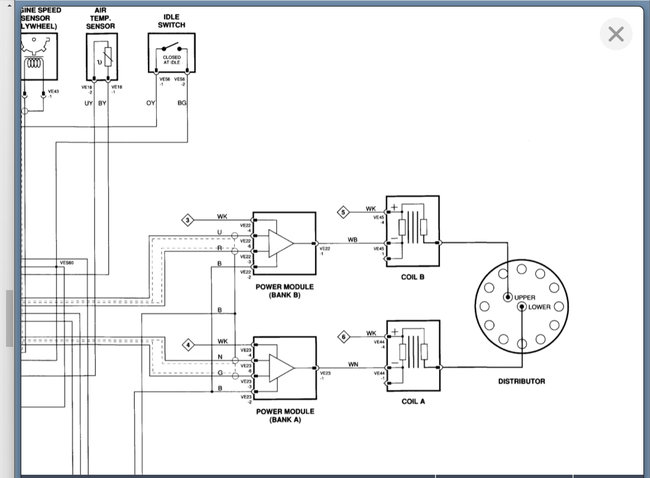
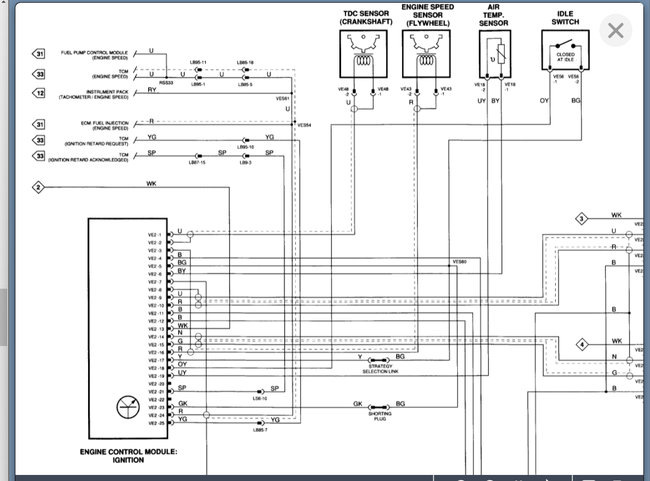
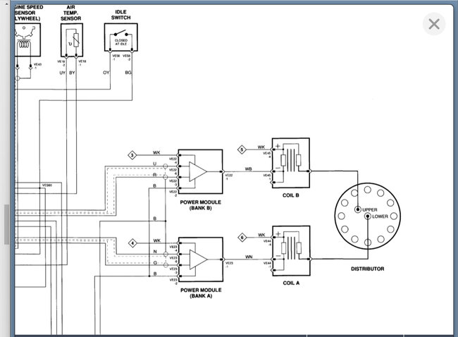
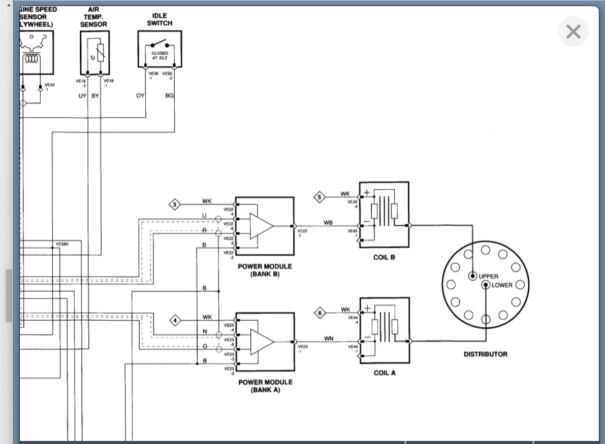
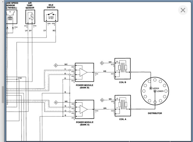
If all this checks out, then we need to use the wiring diagram below and find out if either power module is getting voltage from the ECM.

If not, then I suspect the ECM has failed.
Was this
answer
helpful?
Yes
No
Monday, November 15th, 2021 AT 4:44 PM
Tiny
VEX JONES
  • MEMBER
  • 3 POSTS
I have additional news about the car listed above; I have spark, but my injectors are getting one volt when plugged into the ECU. When I unplug the ECU it jumps back up to 12 volts, I also have a new ECU that does the same thing. Any suggestions?
Was this
answer
helpful?
Yes
No
Thursday, September 15th, 2022 AT 3:15 PM
Tiny
KEN L
  • MASTER CERTIFIED MECHANIC
  • 55,322 POSTS
Yep, it sounds like you have shorted injector. Unplug all injectors and then plug them in one at a time, when the voltage drops you have found the injector that needs to be replaced.
Was this
answer
helpful?
Yes
No
Friday, September 16th, 2022 AT 10:32 AM
Tiny
VEX JONES
  • MEMBER
  • 3 POSTS
All of the Injectors are okay. I traced the wiring to the injector breather valve however and they both make a clicking sound and warm up as I go to accessory mode, Do they have any relation to no injector voltage?
Was this
answer
helpful?
Yes
No
Friday, September 30th, 2022 AT 2:04 AM
Tiny
KEN L
  • MASTER CERTIFIED MECHANIC
  • 55,322 POSTS
Injector breather valve? No listing, can you upload a picture or short video of the part in question?
Was this
answer
helpful?
Yes
No
Friday, September 30th, 2022 AT 12:23 PM
Tiny
VEX JONES
  • MEMBER
  • 3 POSTS
They're right by the CPS and in the same loom as the ignition system.
Was this
answer
helpful?
Yes
No
Friday, September 30th, 2022 AT 1:39 PM
Tiny
KEN L
  • MASTER CERTIFIED MECHANIC
  • 55,322 POSTS
Okay, that is the EVAP system purge valve. Can you upload a video of the problem so we can see it?
Was this
answer
helpful?
Yes
No
Saturday, October 1st, 2022 AT 11:54 AM

Please login or register to post a reply.