Tuesday, October 11th, 2011 AT 6:03 PM
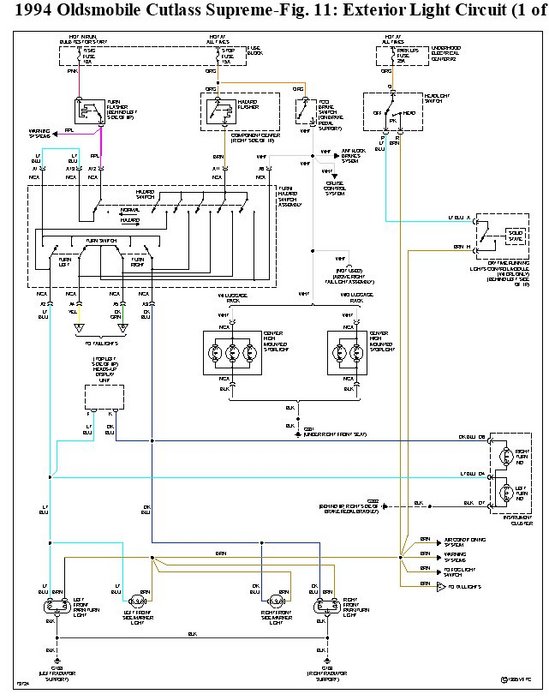
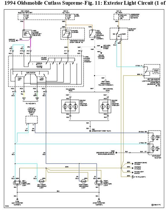
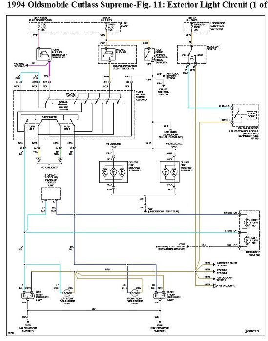
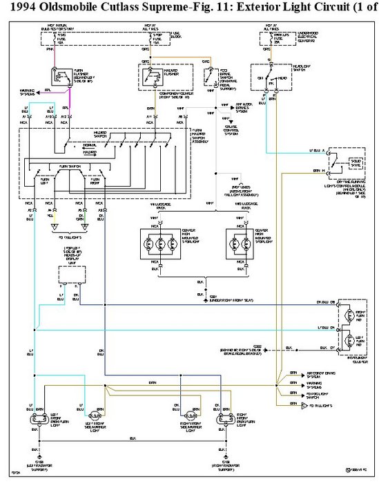
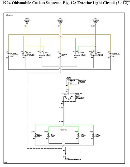
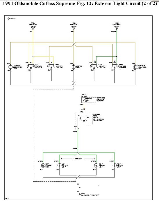
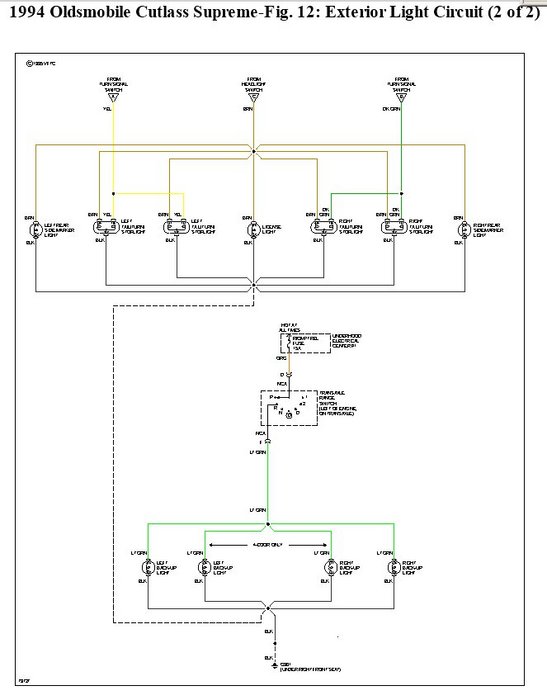
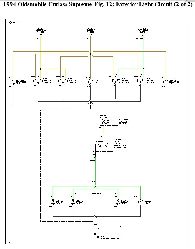
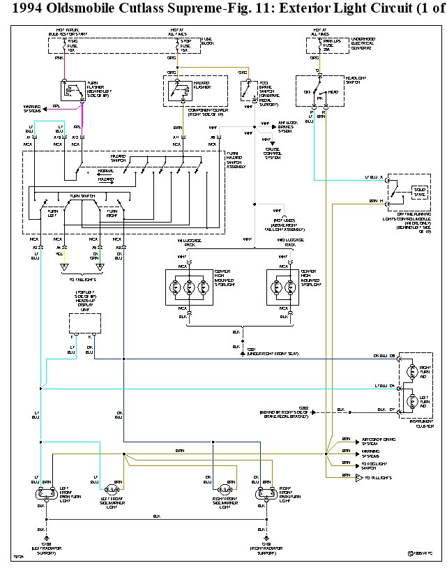
Tail lights didn't work so I changed the turn signal switch(all other lights worked). Bought a new harness that has a little connector on for the RSWC connection. The old harness didn't have this connector on but was just one piece. Now my headlights don't work(all the other lights do) and I have this RSWC connector hanging on the new harness not connected to anything. How do I get my headlights working?


